Home / 0625_w23_qp_23

Question 1

Topic – 1.1 Physical quantities and measurement techniques

How many of the quantities shown are scalars?

mass     momentum     density      energy

A) 1
B) 2
C) 3
D) 4

▶️Answer/Explanation

Ans: C

Question 2

Topic – 1.2 Motion

A train is on a straight track. The graph shows how a quantity y varies with time.

Which statements can be true?

  1. The train is stationary and y represents the distance from the last station.
  2. The train is moving and y represents the distance from the last station.
  3. The train is stationary and y represents the speed of the train.
  4. The train is moving and y represents the speed of the train.

A) 1 and 2
B) 1 and 4
C) 2 and 3
D) 3 and 4

▶️Answer/Explanation

Ans: B

Question 3

Topic – 1.2 Motion

The diagram shows a speed–time graph for a moving object.

Which description of the object’s motion is correct?

A) decreasing acceleration
B) decreasing speed
C) constant acceleration
D) constant speed

▶️Answer/Explanation

Ans: A

Question 4

Topic – 1.7.1 Energy

The mass of air hitting the blades of a wind turbine each second is \(1.5 × 10^{4}\) kg.
The speed of the air is 4.0 m/s.
The density of air is 1.2 kg /\(m^{3)\).

Which row gives the volume of the air hitting the blades each second and the kinetic energy of the air hitting the blades each second?

▶️Answer/Explanation

Ans: B

Question 5

Topic – 1.5.1 Effects of forces

An object moves in a circle at constant speed.
Which statement about the force needed on the object is correct?

A) A force away from the centre of the circle keeps the object moving in the circle.
B) A force in the direction of motion of the object keeps it moving in the circle.
C) A force towards the centre of the circle keeps the object moving in the circle.
D) No force is needed to keep the object moving at constant speed in the circle.

▶️Answer/Explanation

Ans: C

Question 6

Topic – 1.5.2 Turning effect of forces

A uniform rod rests on a pivot at its centre. The rod is not attached to the pivot. Forces are then applied to the rod in four different ways, as shown. The weight of the rod can be ignored.
Which diagram shows the rod in equilibrium?

▶️Answer/Explanation

Ans: A

Question 7

Topic – 1.6 Momentum

A car of mass 1200 kg is travelling along a straight horizontal road.
Which impulse is needed to accelerate the car from 5.0 m / s to 10 m / s?

A) 6000 N s
B) 12,000 N s
C) 15,000 N s
D) 18,000 N s

▶️Answer/Explanation

Ans: A

Question 8

Topic – 1.7.1 Energy

A mass bounces up and down on a steel spring. The diagram shows the mass and the spring at different points during the motion.

At which point is the least energy in the gravitational potential store of the mass and at which point is the most energy in the elastic store of the spring?

▶️Answer/Explanation

Ans: D

Question 9

Topic – 1.7.2 Work

A boy uses a rope to pull an object of mass m up a slope.
The rope is parallel to the slope.
The tension in the rope is constant and of value F.
The object moves a distance d along the slope and rises through a height h.
How much work is done by the boy?

A) F × d
B) F × h
C) m × g × h × d
D) m × g × \(h^{2}\)

▶️Answer/Explanation

Ans: A

Question 10

Topic – 1.7.4 Power

A microwave oven is rated at 900 watts.
Which statement correctly describes the meaning of this value?

A) 900 joules are transferred every second.
B) 900 amperes are transferred every second.
C) 900 volts are transferred every second.
D) 900 ohms are transferred every second.

▶️Answer/Explanation

Ans: A

Question 11

Topic – 1.8 Pressure

An object is immersed in a liquid of density ρ. The pressure at this depth due to the liquid is p. The gravitational field strength is g.
What is the equation for the depth h of the object beneath the surface?

A) h = pρg
B) \( h = \frac{\rho g}{p}\)
C) \(h = \frac{p}{\rho g}\)
D) \(h = \frac{pg}{\rho}\)

▶️Answer/Explanation

Ans: C

Question 12

Topic – 2.1.2 Particle model

A sealed bottle of constant volume contains air.
The air in the bottle is heated by the Sun.
What is the effect on the average speed of the air particles in the bottle and the average distance between them?

▶️Answer/Explanation

Ans: D

Question 13

Topic – 2.1.3 Gases and the absolute scale of temperature

In an experiment to investigate the relationship between the volume of a sample of air and its pressure, the volume of the sample is decreased and its pressure is measured continuously.
Curve X on the graph shows the results that would be expected for a fixed mass of air at constant temperature.
Curve Y shows the results that are obtained in this particular experiment.

Which row shows two possible reasons why curve Y is different from curve X?

▶️Answer/Explanation

Ans: D

Question 14

Topic – 2.2.3 Melting, boiling and evaporation

A student splashes water on to her face. Here are three statements about the effects.

P: The water uses energy to evaporate.
Q: The water gains energy from the student.
R: The face of the student cools.

Which statements are correct?

A) P and Q only
B) P and R only
C) Q and R only
D) P, Q and R

▶️Answer/Explanation

Ans: D

Question 15

Topic – 2.2.3 Melting, boiling and evaporation

Four containers each contain water.
More water at the same temperature is added to each container.
From which container does water now evaporate more slowly than it did before?

▶️Answer/Explanation

Ans: C

Question 16

Topic – 2.3.2 Convection

A cupboard is placed in front of a heater. Air can move through a gap under the cupboard.

Which row describes the temperature and the direction of movement of the air in the gap?

▶️Answer/Explanation

Ans: B

Question 17

Topic – 3.1 General properties of waves

Light diffracts when it enters a telescope. This causes the image to blur slightly.
The amount of diffraction depends on the diameter of the hole through which the light enters the telescope and the wavelength of the light.
Which combination for diameter and wavelength will result in the sharpest image (least blurring)?

▶️Answer/Explanation

Ans: B

Question 18

Topic – 3.1 General properties of waves

The diagram shows a transverse wave.

Which row identifies the amplitude and the wavelength of the wave?

▶️Answer/Explanation

Ans: B

Question 19

Topic – 3.2.4 Dispersion of light

The diagram shows the effect of a prism on white light.
Some light is reflected on striking the prism and some is refracted and dispersed to form a spectrum.

What happens if monochromatic light is used instead of white light?

A) The light changes colour as it passes through the prism.
B) The light forms a brighter spectrum.
C) There is no reflected light.
D) There is no dispersion of the emerging light.

▶️Answer/Explanation

Ans: D

Question 20

Topic – 3.2.1 Reflection of light

The diagram shows a ray of light incident on a plane mirror.

The angle between the ray and the mirror is 35°.
The ray is reflected by the mirror.
What is the angle of reflection?

A) 35°
B) 55°
C) 70°
D) 110°

▶️Answer/Explanation

Ans: B

Question 21

Topic – 3.2.3 Thin lenses

A thin converging lens in a camera produces a real image on a photo-sensitive surface, as shown.
At which position is the image of the top of the object formed?

▶️Answer/Explanation

Ans: C

Question 22

Topic – 3.2.2 Refraction of light

Light is travelling through air. It strikes a glass block at an angle of incidence of 45°. The glass has a refractive index of 1.4.
What is the angle of refraction of the light as it enters the glass?

A 29°
B 30°
C 32°
D 82°

▶️Answer/Explanation

Ans: B

Question 23

Topic – 3.4 Sound

Which row gives approximate values for the speed of sound in copper, water and air?

▶️Answer/Explanation

Ans: A

Question 24

Topic – 4.1 Simple phenomena of magnetism

Which metal can be attracted by a magnet?

A) zinc
B) lead
C) iron
D) copper

▶️Answer/Explanation

Ans: C

Question 25

Topic – 4.2.2 Electric current

The diagram shows an electric circuit.

In which direction do free electrons flow around this circuit and what quantity does the ammeter measure?

▶️Answer/Explanation

Ans: A

Question 26

Topic – 4.2.2 Electric current

Which substances both contain large concentrations of free electrons?

A) aluminium and glass
B) copper and water
C) copper and nylon
D) silver and gold

▶️Answer/Explanation

Ans: D

Question 27

Topic – 4.2.4 Resistance

A resistance wire of length L melts and has to be replaced with a wire of the same material and the same resistance. The only wire available has twice the diameter of the broken wire.
Which length of this wire should be used?

A) \( \frac{L}{4}\)
B) \( \frac{L}{2}\)
C) 2L
D) 4L

▶️Answer/Explanation

Ans: D

Question 28

Topic – 4.2.1 Electric charge

A teacher wishes to show the production of electrostatic charges.
She holds a rod and rubs it with a cotton cloth. A copper rod, a glass rod, a plastic rod and a steel rod are available.
Which two rods would both be suitable to use?

A) a copper rod and a glass rod
B) a glass rod and a plastic rod
C) a plastic rod and a copper rod
D) a plastic rod and a steel rod

▶️Answer/Explanation

Ans: B

Question 29

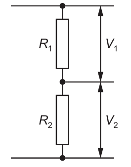
Topic – 4.3.2 Series and parallel circuits

Two resistors, with resistances \(R_{1}\) and \(R_{2}\), are used as a potential divider.

What is the relationship between \(R_{1}\), \(R_{2}\) and potential differences \(V_{1}\) and \(V_{2}\)?

A) \(R_{1}\) × \(R_{2}\) = \(V_{1}\) × \(V_{2}\)
B) \(R_{1}\) ×\(V_{1}\) = \(R_{2}\) × \(V_{2}\)
C) \(\frac{R_{1}}{R_{2}}= V_{1}\times V_{2}\)
D) \(\frac{R_{1}}{R_{2}}=\frac{V_{1}}{ V_{2}}\)

▶️Answer/Explanation

Ans: D

Question 30

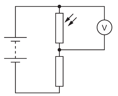
Topic – 4.3.3 Action and use of circuit components

The diagram shows a light-dependent resistor (LDR) connected in a potential divider circuit.

The brightness of the light falling on the LDR is increased.
Which row shows what happens to the resistance of the LDR and what happens to the reading on the voltmeter?

▶️Answer/Explanation

Ans: A

Question 31

Topic – 4.5.2 The a.c. generator

A simple a.c. generator has a coil rotating in a magnetic field.
What happens to the peak electromotive force (e.m.f.) and to the frequency of the a.c. output when the coil is rotated faster?

▶️Answer/Explanation

Ans: A

Question 32

Topic – 4.5.4 Force on a current-carrying conductor

A current passes along a wire placed between the poles of a permanent magnet.
The wire experiences a force due to the magnetic field.

What will change the direction of this force?

A) increasing the current
B) reversing the current
C) increasing the strength of the magnetic field
D) using an electromagnet with the same polarity as the permanent magnet

▶️Answer/Explanation

Ans: B

Question 33

Topic – 4.5.6 The transformer

What is a transformer used for?

A) changing a direct current into an alternating current
B) changing the magnitude of an alternating voltage
C) reducing the frequency of an alternating current
D) switching off the current in a circuit when there is a fault

▶️Answer/Explanation

Ans: B

Question 34

Topic – 5.1.2 The nucleus

The scattering of α-particles by a thin gold foil provides evidence for the nuclear model of the atom.
Two α-particles of the same energy are incident on a nucleus of gold.
Which diagram shows the correct paths followed by the α-particles as they pass close to the nucleus?

▶️Answer/Explanation

Ans: A

Question 35

Topic – 5.2.4 Half-life

The half-life of carbon-14 is 5700 years.
An object containing carbon-14 has a count rate of 100 counts / minute when it is first formed. The graph shows how the count rate decreases over time.
Which point on the graph corresponds to a time 11 400 years after the formation of the object?

▶️Answer/Explanation

Ans: D

Question 36

Topic – 5.2.2 The three types of nuclear emission

Why are beta-particles deflected more strongly than alpha-particles when they enter an electric field?

A) Beta-particles have less mass than alpha-particles.
B) Beta-particles are negatively charged.
C) Beta-particles have lower velocities than alpha-particles.
D) Beta-particles have more ionising power than alpha-particles.

▶️Answer/Explanation

Ans: A

Question 37

Topic – 5.1.2 The nucleus

Which statement describes how nuclear energy is released by fission in a nuclear power station?

A) Atoms join together to make molecules.
B) Heavy nuclei split into lighter nuclei.
C) Light nuclei join together to form heavier nuclei.
D) Molecules break down into atoms.

▶️Answer/Explanation

Ans: B

Question 38

Topic – 6.1.2 The Solar System

The diagram shows a star S and the initial arrangement of three planets, X, Y and Z.

Each planet orbits clockwise in a circle about S.
The time for one orbit of Y is three times the time taken for one orbit of X.
The time for one orbit of Z is twice the time taken for one orbit of Y.
Starting from the initial arrangement, which diagram shows the positions of the planets after X has made one complete orbit?

▶️Answer/Explanation

Ans: B

Question 39

Topic – 6.2.2 Stars

The nearest star to the Sun is about four light-years away from the Earth.
A student makes three statements about the star.

  1. Light from the star takes about four years to reach the Earth.
  2. Light from the Sun takes about four years to travel to the star and back to the Earth.
  3. The star is outside our galaxy.

Which statements are correct?

A) 1, 2 and 3
B) 1 and 3 only
C) 1 only
D) 2 and 3 only

▶️Answer/Explanation

Ans: C

Question 40

Topic – 6.1.2 The Solar System

A planet orbits the Sun with orbital period T. The average radius of the orbit is r.
What is the average orbital speed of the planet?

A) 2πrT
B) \(\frac{2\Pi r}{T}\)
C) \(\frac{T}{2\Pi r}\)
D) \(\frac{\Pi r}{2T}\)

▶️Answer/Explanation

Ans: B

Scroll to Top