Section A
Question 1
The dimensional formula of this quantity will be
(B) \( [ML^{-1}T^{-2}] \)
(C) \( [ML^{2}T^{-1}] \)
(D) \( [M^{1}L^{3}T^{0}] \)
▶️ Answer/Explanation
\( \frac{F}{A} \times t \)
\( = \frac{MLT^{-2}}{L^{2}} \times T \)
\( = ML^{-1}T^{-1} \)
✅ Official Ans. by NTA (A)
Question 2
(B) \(1.45 \times 10^{10}\) m
(C) \(1.45 \times 10^{9}\) m
(D) \(0.14 \times 10^{9}\) m
▶️ Answer/Explanation
\(\implies \theta = \frac{d}{r} \)
\( \implies \frac{2000}{60 \times 60} \times \frac{\pi}{180} = \frac{d}{1.5 \times 10^{11}} \)
\( \implies d = \frac{2000}{60 \times 60} \times \frac{\pi}{180} \times 1.5 \times 10^{11} \)
\(\implies d = 1.45 \times 10^9 \text{ m} \)
✅ Official Ans. by NTA (C)
Question 3
(B) 29.4 m
(C) 39.2 m
(D) 73.5 m
▶️ Answer/Explanation
\( V^2 = 2 \times 9.8 \times 4.9 \)
\( V = 9.8 \text{ m/s} \)
Depth = distance travelled in 3 seconds
\( = 9.8 \times 3 = 29.4 \text{ m} \)
✅ Official Ans. by NTA (B)
Question 4
(B) \( \frac{m\omega l_0}{k + m\omega^2} \)
(C) \( \frac{m\omega^2l_0}{k – m\omega^2} \)
(D) \( \frac{k + m\omega^2l_0}{m\omega^2} \)
▶️ Answer/Explanation
\( K \Delta x = m(l_0 + \Delta x)\omega^2 \)
\( K \Delta x = m l_0 \omega^2 + m\omega^2 \Delta x \)
\( \Delta x = \frac{ml_0\omega^2}{k – m\omega^2} \)
✅ Official Ans. by NTA (C)
Question 5
(B) 2
(C) 1
(D) 5
▶️ Answer/Explanation
\( v = \sqrt{u^2 – 2gL} \)
\( \Delta v = \sqrt{u^2 + v^2} \)
\( \Delta v = \sqrt{u^2 + v^2 – 2gL} \)
\( \Delta v = \sqrt{2u^2 – 2gL} \)
\( \Delta v = \sqrt{2(u^2 – gL)} \implies x = 2 \)
✅ Official Ans. by NTA (B)
Question 6
(B) \( -\frac{Gm}{d}[(4+\sqrt{2})M + 4\sqrt{2}m] \)
(C) \( -\frac{Gm}{d}[3m^2 + 4\sqrt{2}M] \)
(D) \( -\frac{Gm}{d}[6m^2 + 4\sqrt{2}M] \)
▶️ Answer/Explanation
Sol.![]()
\( = -\frac{Gm^2}{d}\times 4 – \frac{Gm^2}{\sqrt{2}d}\times 2 – \frac{GMm}{d/\sqrt{2}}\times 4 \)
\( = -\frac{Gm}{d}\left[ (4+\sqrt{2})m + 4\sqrt{2}M \right] \)
✅ Official Ans. by NTA (A)
Question 7
(B) \( P_1 < P_2 \)
(C) \( P_1 = P_2 \)
(D) Insufficient data to draw any conclusion
▶️ Answer/Explanation
\( PV = nRT \)
\( \frac{V}{T} = \frac{nR}{P} \)
\( \frac{nR}{P_1} < \frac{nR}{P_2} \)
\( P_2 < P_1 \)
✅ Official Ans. by NTA (A)
Question 8
A. The motion of the gas molecules freezes at 0°C
B. The mean free path of gas molecules decreases if the density of molecules is increased.
C. The mean free path of gas molecules increases if temperature is increased keeping pressure constant.
D. Average kinetic energy per molecule per degree of freedom is \(\frac{3}{2}k_BT\) (for monoatomic gases)
Choose the most appropriate answer from the options given below:
(B) B and C only
(C) A and B only
(D) C and D only
▶️ Answer/Explanation
\( \lambda = \frac{kT}{\sqrt{2}\pi d^2 P} \)
✅ Official Ans. by NTA (B)
Question 9
(Given, initial temperature of the bullet = \(127^\circ\text{C}\),
Melting point of the bullet = \(327^\circ\text{C}\),
Latent heat of fusion of lead = \(2.5 \times 10^4\text{ J Kg}^{-1}\),
Specific heat capacity of lead = \(125\text{ J/kg K}\))
(B) \(500 \text{ ms}^{-1}\)
(C) \(250 \text{ ms}^{-1}\)
(D) \(600 \text{ ms}^{-1}\)
▶️ Answer/Explanation
\( m \times 125 \times 200 + m \times 2.5 \times 10^4 = \frac{1}{2}mv^2 \times \frac{40}{100} \)
\( V = 500 \text{ m/s} \)
✅ Official Ans. by NTA (B)
Question 10
(Given : \(\pi = 3.14\))
(B) \(157 \text{ cm s}^{-1}\)
(C) \(272 \text{ cm s}^{-1}\)
(D) \(314 \text{ cm s}^{-1}\)
▶️ Answer/Explanation
\( x = \sin\pi\left(t + \frac{1}{3}\right) \)
\( x = \sin\left(\pi t + \frac{\pi}{3}\right) \)
\( V = \frac{dx}{dt} = \cos\left(\pi t + \frac{\pi}{3}\right)\pi \)
\( = -\pi \times \frac{1}{2} = 157 \text{ cm/s} \)
✅ Official Ans. by NTA (B)
Question 11
(B) \( \frac{q}{2\epsilon_0} \)
(C) \( \frac{q}{4\epsilon_0} \)
(D) \( \frac{q}{2\pi\epsilon_0} \)
▶️ Answer/Explanation
Sol.![]()
Total flux through complete spherical surface is
\( \frac{q}{\epsilon_0} \)
So the flux through curved surface will be \( \frac{q}{2\epsilon_0} \)
The flux through flat surface will be zero.
Remark : Electric flux through flat surface is zero but no option is given, option is available for electric flux passing through curved surface.
✅ Official Ans. by NTA (B)
Question 12
The ratio of net force on a charged ball to the force between any two charged balls will be :
(B) \( 1 : 4 \)
(C) \( \sqrt{3} : 2 \)
(D) \( \sqrt{3} : 1 \)
▶️ Answer/Explanation
Sol.![]()
\( F = \frac{k(2)(2)}{(1)^2} \)
(F = Force between two charges)
F = 4k
\( F_{net} = 2F \cos 30^\circ = 2 \cdot F \cdot \frac{\sqrt{3}}{2} = F\sqrt{3} \)
(F_\({net}\) = Net electrostatic force on one charged ball)
\( \frac{F{net}}{F} = \frac{\sqrt{3}F}{F} = (\sqrt{3}) \)
Remark: Net force on any one of the ball is zero. But no option given in options.
✅ Official Ans. by NTA (D)
Question 13
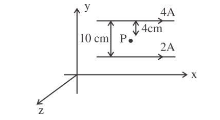
A charge particle of 3\(\pi\) coulomb is passing through the point P with velocity
\(\vec{v} = (2\hat{i} + 3\hat{j}) \, \text{m/s}, \text{ where } \hat{i} \text{ and } \hat{j}\) represents unit vector along x & y axis respectively.
The force acting on the charge particle is \(4\pi \times 10^{-5}(-x\hat{i}+2\hat{j})N\). The value of x is :
(B) 1
(C) 3
(D) -3
▶️ Answer/Explanation
Sol.
\( B{net} = B_1 – B_2 = \frac{\mu_0}{2\pi} \frac{4}{[.04]} – \frac{\mu_0}{2\pi} \frac{2}{[.06]} \)
\( B{net} = \frac{\mu_0}{2\pi}\left\frac{200}{2} – \frac{200}{6}\right \)
\( \vec{F} = q[\vec{v} \times \vec{B}] \)
\( = [3\pi][(2\hat{i}+3\hat{j}) \times (\frac{\mu_0}{2\pi}(\frac{200}{3})(https://www.google.com/search?q=-%5Chat%7Bk%7D))] \)
\( = 3\pi \times \frac{\mu_0}{2\pi} \times (\frac{200}{3})[2(-\hat{j})-3(\hat{i})] \)
\( = (4\pi \times 10^{-7})(100)[-3\hat{i}+2\hat{j}] \)
\( = 4\pi \times 10^{-5} \times [-3\hat{i}+2\hat{j}] \)
✅ Official Ans. by NTA (C)
Question 14
(B) \( \frac{L}{R} \)
(C) \( \sqrt{LC} \)
(D) \( \frac{L}{C} \)
▶️ Answer/Explanation
\( \frac{L}{C} \) does not have dimension of time.
RC, \( \frac{L}{R} \) are time constant while \( \sqrt{LC} \) is reciprocal of angular frequency or having dimension of time.
✅ Official Ans. by NTA (D)
Question 15
Statement I : A time varying electric field is a source of changing magnetic field and vice-versa. Thus a disturbance in electric or magnetic field creates EM waves.
Statement II : In a material medium, The EM wave travels with speed \( v = \frac{1}{\sqrt{\mu_0\epsilon_0}} \)
In the light of the above statements, choose the correct answer from the options given below:
(B) Both statement I and statement II are false.
(C) Statement I is correct but statement II is false.
(D) Statement I is incorrect but statement II is true.
▶️ Answer/Explanation
✅ Official Ans. by NTA (C)
Question 16
(B) Power of \(L_2 = \frac{P}{2}\)
(C) Power of \(L_3 = \frac{P}{2}\)
(D) Power of \(L_1 = P\)
▶️ Answer/Explanation
Sol.![]()
✅ Official Ans. by NTA (A)
Question 17
(B) wavelength increases, speed decreases and frequency remains constant.
(C) wavelength and speed decreases but frequency remains constant.
(D) wavelength, speed and frequency increases.
▶️ Answer/Explanation
Sol.![]()
No change in frequency but speed and wave-length decreases.
✅ Official Ans. by NTA (C)
Question 18
Statement I : In hydrogen atom, the frequency of radiation emitted when an electron jumps from lower energy orbit (E\(_1\)) to higher energy orbit (E\(_2\)), is given as hf = E\(_1\) – E\(_2\).
Statement II : The jumping of electron from higher energy orbit (E\(_2\)) to lower energy orbit (E\(_1\)) is associated with frequency of radiation given as f = (E\(_2\) – E\(_1\))/h. This condition is Bohr’s frequency condition.
In the light of the above statements, choose the correct answer from the options given below:
(B) Both statement I and statement II are false.
(C) Statement I is correct but statement II is false.
(D) Statement I is incorrect but statement II is true.
▶️ Answer/Explanation
When electron jump from lower to higher energy level, energy absorbed so statement-I incorrect.
When electron jump from higher to lower energy level, energy of emitted photon
E = E\(_2\) – E\(_1\)
hf = E\(_2\) – E\(_1\) \( \Rightarrow \) f = \( \frac{E_2 – E_1}{h} \)
so statement-II is correct.
✅ Official Ans. by NTA (D)
Question 19
(B) Saturation state only
(C) Cut-off state only
(D) Saturation and cut-off state
▶️ Answer/Explanation
Transistor act as a switch in saturation and cut of region.
✅ Official Ans. by NTA (D)
Question 20
(a) The size of the antenna which should be comparable to signal wavelength which is unreal solution for a signal of longer wavelength.
(b) Effective power radiated by a long wavelength baseband signal would be high.
(c) We want to avoid mixing up signals transmitted by different transmitter simultaneously.
(d) Low frequency signal can be sent to long distances by superimposing with a high frequency wave as well.
Therefore, the most suitable options will be :
(B) (a), (b) and (c) are true only
(C) (a), (c) and (d) are true only
(D) (b), (c) and (d) are true only
▶️ Answer/Explanation
(a) For low frequency or high wavelength size of antenna required is high.
(b) E P R is low for longer wavelength.
(c) yes we want to avoid mixing up signals transmitted by different transmitter simultaneously.
(d) Low frequency signals sent to long distance by superimposing with high frequency.
✅ Official Ans. by NTA (C)
Section B
Question 1
(Given g = 10 m/s\(^2\))
▶️ Answer/Explanation
\( T \sin\theta = 30 \)
\( T \cos\theta = 100 \)
\( \implies \tan\theta = 0.3 \)
✅ Official Ans. by NTA (3)
Question 2
▶️ Answer/Explanation
Net loss in PE = Gain in KE
\( 12gh – 3gh = \frac{1}{2}3v^2 + \frac{1}{2}12v^2 + \frac{1}{2}\left[\frac{1}{2}12r^2\right]\left(\frac{v}{r}\right)^2 \)
\( 9gh = \frac{1}{2}[3+12+12]v^2 \)
\( v^2 = \frac{2gh}{3} \Rightarrow v = \sqrt{\frac{8}{3}gh} \)
\( x = 3 \)
✅ Official Ans. by NTA (3)
Question 3
▶️ Answer/Explanation
\( Q = nC_p\Delta T = \frac{\gamma W}{\gamma-1} \)
\( Q = \frac{1.4}{1.4-1} \times 400 = 1400 \text{ J} \)
✅ Official Ans. by NTA (1400)
Question 4
▶️ Answer/Explanation
\( t = \frac{\Delta\phi}{\omega} = \frac{\pi/2 – \pi/6}{2\pi/6} = \frac{\pi/3}{\pi/3} = 1 \text{ sec} \)
✅ Official Ans. by NTA (1)
Question 5
▶️ Answer/Explanation
Parallel combination
\( C{eq} = \epsilon_0 A \left[ \frac{1}{b} + \frac{1}{3b} + \frac{1}{5b} + \dots \right] = \frac{23}{15}\frac{\epsilon_0 A}{b} \)
✅ Official Ans. by NTA (23)
Question 6
▶️ Answer/Explanation
\( I = \int JdA \)
\( = \int{r/2}^r 10^6 \times 2\pi x dx \)
\( = 10^6 \times 2\pi \left[ \frac{x^2}{2} \right]_{r/2}^r \)
\( = \pi \times 10^6 [r^2 – \frac{r^2}{4}] = 12\pi \)
\( x = 12 \)
✅ Official Ans. by NTA (12)
Question 7
▶️ Answer/Explanation
\( \frac{dR}{dm} = \frac{a}{3} – \frac{a}{2m^2} = 0 \)
\( \frac{a}{3} = \frac{a}{2m^2} \)
\( m^2 = \frac{3}{2} \)
\( m = \sqrt{\frac{3}{2}} \)
\( x=3 \)
✅ Official Ans. by NTA (3)
Question 8
▶️ Answer/Explanation
\( R = \frac{mv}{qB} \)
\( R_D = \frac{(2m_p)v_D}{eB} \)
\( R_p = \frac{(m_p)v_p}{eB} \)
\( \frac{1}{2}(2m_p)v_D^2 = \frac{1}{2}m_p v_p^2 \)
\( \sqrt{2}v_D = v_p \)
\( x=2 \)
✅ Official Ans. by NTA (2)
Question 9
▶️ Answer/Explanation
\( B_H = 4 \times 10^{-4} T \)
\( \theta \rightarrow 45^\circ \)
\( B_V = B_H \)
\( \epsilon = (\vec{V} \times \vec{B}) \cdot \vec{l} \)
\( = ((4 \times 10^{-4})(20))\frac{20}{100} \)
\( = 16 \times 10^{-3} \text{ V} = 16 \text{ mV} \)
✅ Official Ans. by NTA (16)
Question 10
▶️ Answer/Explanation
\( 1 – I(60) – 0.6 – I(40) = 0 \)
\( 0.4 = I(100) \)
\( I = 4 \text{ mA} \)
✅ Official Ans. by NTA (4)
