Question

The two guide rails for the elevator shown above each exert a constant friction force of 100 newtons on the elevator car when the elevator car is moving upward with an acceleration of 2 meters per second squared. The pulley has negligible friction and mass. Assume g = 10 m/sec2.

a. On the diagram below, draw and label all forces acting on the elevator car. Identify the source of each force.
b. Calculate the tension in the cable lifting the 400-kilogram elevator car during an upward acceleration of 2m/sec2. (Assume g 10 m/sec2.)
c. Calculate the mass M the counterweight must have to raise the elevator car with an acceleration of 2 m/sec2.
Answer/Explanation
Ans:
a. 
b. \(\sum \) F = ma; T – W – 2Ff = 800 N; T = 5000 N
c. Looking at the FBD for the counterweight we have \(\sum \) F = ma; Mg – T = Ma
M = T/(g – a) where T = 5000 N gives M = 625 k

Question

A 10-kilogram block rests initially on a table as shown in cases I and II above. The coefficient of sliding friction between the block and the table is 0.2. The block is connected to a cord of negligible mass, which hangs over a massless frictionless pulley. In case I a force of 50 newtons is applied to the cord. In case II an object of mass 5 kilograms is hung on the bottom of the cord. Use g = 10 meters per second squared.
a. Calculate the acceleration of the 10-kilogram block in case I.
b. On the diagrams below, draw and label all the forces acting on each block in case II

c. Calculate the acceleration of the 10-kilogram block in case II.
Answer/Explanation
Ans:
a. \(\sum \) F = ma; 50 N – f = ma where f = μN and N = mg gives 50 N – μmg = ma; a = 3 m/s2 b
Question
A crane is used to hoist a load of mass m1 = 500 kilograms. The load is suspended by a cable from a hook of mass m2 = 50 kilograms, as shown in the diagram above. The load is lifted upward at a constant acceleration of 2 m/s2.
a. On the diagrams below draw and label the forces acting on the hook and the forces acting on the load as they accelerate upward

b. Determine the tension T1 in the lower cable and the tension T2 in the upper cable as the hook and load are accelerated upward at 2 m/s2. Use g = 10 m/s².
Answer/Explanation
Ans:
a. 
b. T1 is in internal system force and will cancel in combined equations. Using \(\sum \) Fexternal = mtotala gives
T2 – m1g – m2g = (m1 + m2)a, solving yields T2 = 6600 N. Now using \(\sum \) F = ma for the load gives
T1 – m1g = m1a and T1 = 6000 N
Question

Two 10-kilogram boxes are connected by a massless string that passes over a massless frictionless pulley as shown above. The boxes remain at rest, with the one on the right hanging vertically and the one on the left 2.0 meters from the bottom of an inclined plane that makes an angle of 60° with the horizontal. The coefficients of kinetic friction and static friction between the left-hand box and the plane are 0.15 and 0.30, respectively. You may use g = 10 m/s2, sin 60° = 0.87, and cos 60° = 0.50.
a. What is the tension T in the string?
b. On the diagram below, draw and label all the forces acting on the box that is on the plane.

c. Determine the magnitude of the frictional force acting on the box on the plane.
Answer/Explanation
Ans:
a. Note that the system is at rest. The only forces on the hanging block are gravity and the tension in the rope, which means the tension must equal the weight of the hanging block, or 100 N. You cannot use the block on the incline because friction is acting on that block and the amount of friction is unknown.
b. 
c. \(\sum \) F = 0; fs + mg sinθ – T = 0 gives fs = 13 N
Question

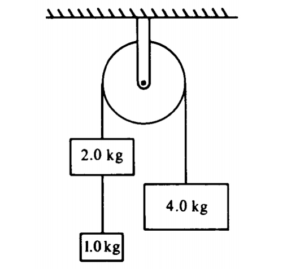
Three blocks of masses 1.0, 2.0, and 4.0 kilograms are connected by massless strings, one of which passes over a frictionless pulley of negligible mass, as shown above. Calculate each of the following.
a. The acceleration of the 4-kilogram block
b. The tension in the string supporting the 4-kilogram block
c. The tension in the string connected to the l-kilogram block
Answer/Explanation
Ans:
a. \(\sum \) Fexternal = mtotala; m4g – m1g – m2g = (m4 + m2 + m1)a gives a = 1.4 m/s2
b. For the 4 kg block: \(\sum \) F = ma mg – T4 = ma gives T4 = 33.6 N 
c. Similarly for the 1 kg block: T1 – mg = ma gives T1 = 11.2 N
Question

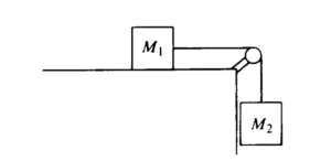
In the system shown above, the block of mass M1 is on a rough horizontal table. The string that attaches it to the block of mass M2 passes over a frictionless pulley of negligible mass. The coefficient of kinetic friction μk between M1 and the table is less than the coefficient of static friction μs
a. On the diagram below, draw and identify all the forces acting on the block of mass M1.

b. In terms of M1 and M2 determine the minimum value of μs that will prevent the blocks from moving. The blocks are set in motion by giving M2 a momentary downward push. In terms of M1, M2, μk, and g, determine each of the following:
c. The magnitude of the acceleration of M1 d. The tension in the string.
Answer/Explanation
Ans:
a. 
b. \(\sum \) Fext = mtota; Where the maximum force of static friction on mass M1 is μsN and N = M1g; M2g – μsM1g = 0
gives μs = M2/M1
c/d. \(\sum \) Fext = mtota where we now have kinetic friction acting gives M2g – μkM1g = (M1 + M2)a
so a = (M2g – μkM1g)/(M1 + M2)
\(\sum \) F = ma for the hanging block gives M2g – T = M2a and substituting a from above gives \(T = \frac{M_{1}M_{2}g}{M_{1} + M_{2}}\left ( 1+\mu _{k} \right )\)
Question
A helicopter holding a 70-kilogram package suspended from a rope 5.0 meters long accelerates upward at a rate of 5.2 m/s2. Neglect air resistance on the package.
a. On the diagram below, draw and label all of the forces acting on the package.

b. Determine the tension in the rope.
c. When the upward velocity of the helicopter is 30 meters per second, the rope is cut and the helicopter continues
to accelerate upward at 5.2 m/s2. Determine the distance between the helicopter and the package 2.0 seconds after the rope is cut.
Answer/Explanation
Ans:
a. 
b. \(\sum \) F = ma gives T – mg = ma and T = 1050 N
c. The helicopter and the package have the same initial velocity, 30 m/s upward. Use d = vit + ½ at2 dh = (+30 m/s)t + ½ (+5.2 m/s2)t2 and dp = (+30 m/s)t + ½ (–9.8 m/s2)t2. The difference between dh and dp is 30 m, but they began 5 m apart so the total distance is 35 m.
Question

Two small blocks, each of mass m, are connected by a string of constant length 4h and negligible mass. Block A is placed on a smooth tabletop as shown above, and block B hangs over the edge of the table. The tabletop is a distance 2h above the floor. Block B is then released from rest at a distance h above the floor at time t = 0. Express all algebraic answers in terms of h, m, and g.
a. Determine the acceleration of block B as it descends.
b. Block B strikes the floor and does not bounce. Determine the time t = t1 at which block B strikes the floor.
c. Describe the motion of block A from time t = 0 to the time when block B strikes the floor.
d. Describe the motion of block A from the time block B strikes the floor to the time block A leaves the table.
e. Determine the distance between the landing points of the two blocks.
Answer/Explanation
Ans:
a. \(\sum \) Fext = mtota gives mg = 2ma, or a = g/2
b. d = v0t + ½ at2; h = 0 + ½ (g/2)t2 gives t = \(2|\frac{\bar{h}}{g}\)
c. Block A accelerates across the table with an acceleration equal to block B (g/2).
d. Block A is still in motion, but with no more applied force, Block A will move at constant speed across the table.
e. Since block B falls straight to the floor and stops, the distance between the landing points is equal to the horizontal distance block A lands from the edge of the table. The speed with which block A leaves the tabletop is the speed with which block B landed, which is found from v = v0 + at = \(\frac{g}{h}\) \(\left ( 2|\frac{\bar{h}}{g} \right )\) = \(\sqrt{hg}\) and the time for block A to reach the floor is found from 2h = ½ gt2, which gives t = \(2|\frac{\bar{h}}{g}\) The distance is now d = vt = \(\sqrt{hg}\) × \(2|\frac{\bar{h}}{g}\) = 2h
Question

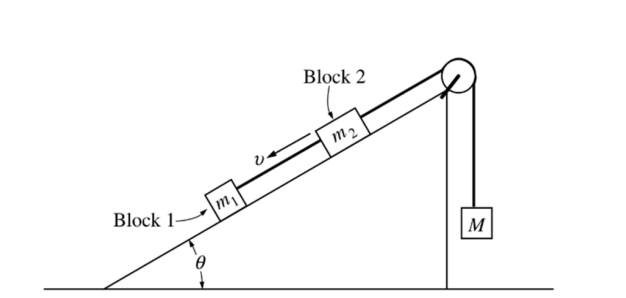
Blocks 1 and 2 of masses ml and m2, respectively, are connected by a light string, as shown above. These blocks are further connected to a block of mass M by another light string that passes over a pulley of negligible mass and friction. Blocks l and 2 move with a constant velocity v down the inclined plane, which makes an angle θ with the horizontal. The kinetic frictional force on block 1 is f and that on block 2 is 2f.
a. On the figure below, draw and label all the forces on block ml.

Express your answers to each of the following in terms of ml, m2, g, θ, and f.
b. Determine the coefficient of kinetic friction between the inclined plane and block 1.
c. Determine the value of the suspended mass M that allows blocks 1 and 2 to move with constant velocity down the plane.
d. The string between blocks 1 and 2 is now cut. Determine the acceleration of block 1 while it is on the inclined plane.
Answer/Explanation
Ans:
a. 
b. f = μN where N = m1g cos θ gives μ=
c. constant velocity means \(\sum \) F = 0 where \(\sum \) Fexternal = m1g sinθ + m2g sin θ – f – 2f – Mg = 0
solving for M gives M = (m1 + m2) sin θ – (3f)/g
d. Applying Newton’s second law to block 1 gives \(\sum \) F = m1g sin θ – f = m1a which gives a = g sin θ – f/m1
Question

A rope of negligible mass passes over a pulley of negligible mass attached to the ceiling, as shown above. One end of the rope is held by Student A of mass 70 kg, who is at rest on the floor. The opposite end of the rope is held by Student B of mass 60 kg, who is suspended at rest above the floor. Use g = 10 m/s2.
a. On the dots below that represent the students, draw and label free-body diagrams showing the forces on Student A and on Student B.

b. Calculate the magnitude of the force exerted by the floor on Student A. Student B now climbs up the rope at a constant acceleration of 0.25 m/s2 with respect to the floor.
c. Calculate the tension in the rope while Student B is accelerating.
d. As Student B is accelerating, is Student A pulled upward off the floor? Justify your answer.
e. With what minimum acceleration must Student B climb up the rope to lift Student A upward off the floor?
Answer/Explanation
Ans:
a. 
b. The tension in the rope is equal to the weight of student B: T = mBg = 600 N
\(\sum \) FA = T + N – mAg = 0 gives N = 100 N
c. For the climbing student \(\sum \) F = ma; T – mBg = mBa gives T = 615 N
d. For student A to be pulled off the floor, the tension must exceed the weight of the student, 700 N. No, the student is not pulled off the floor.
e. Applying Newton’s second law to student B with a tension of 700 N gives \(\sum \) F = T – mBg = mBa and solving gives a = 1.67 m/s2
Question
An airplane accelerates uniformly from rest. A physicist passenger holds up a thin string of negligible mass to which she has tied her ring, which has a mass m. She notices that as the plane accelerates down the runway, the string makes an angle with the vertical as shown above.
a. In the space below, draw a free-body diagram of the ring, showing and labeling all the forces present. The plane reaches a takeoff speed of 65 m/s after accelerating for a total of 30 s.

b. Determine the minimum length of the runway needed.
c. Determine the angle θ that the string makes with the vertical during the acceleration of the plane before it leaves the ground.
Answer/Explanation
Ans:
a. 
b. We can find the acceleration from a = Δv/t = 2.17 m/s2 and use d = ½ at2 to find d = 975 m
c. The x and y components of the tension are Tx = T sin θ and Ty = T cos θ (this is using the angle to the vertical)
Relating these to the other variables gives T sin θ = ma and T cos θ = mg.
Dividing the two equations gives tan θ = a/g = (2.17 m/s2)/(9.8 m/s2) and θ = 12.5º
Question

A spring that can be assumed to be ideal hangs from a stand, as shown above. You wish to determine experimentally the spring constant k of the spring.
a. i. What additional, commonly available equipment would you need?
ii. What measurements would you make?
iii. How would k be determined from these measurements?
Suppose that the spring is now used in a spring scale that is limited to a maximum value of 25 N, but you would like to weigh an object of mass M that weighs more than 25 N. You must use commonly available equipment and the spring scale to determine the weight of the object without breaking the scale.
b. i. Draw a clear diagram that shows one way that the equipment you choose could be used with the spring scale to determine the weight of the object,
ii. Explain how you would make the determination.
Answer/Explanation
Ans:
a. There are other methods, but answers are restricted to those taught to this point in the year.
i. A device to measure distance and a calibrated mass or force scale or sensor
ii. Hang the mass from the bottom of the spring and measure the spring extension (Δx) or pull on the spring with a known force and measure the resulting extension.
iii. Use hooke’s law with the known force or weight of the known mass F = kΔx or mg = kΔx and solve for k
b. Many methods are correct, for example, place the object held by the scale on an inclined plane and find the weight using Wsinθ = kΔx. One could similarly use a pulley system to reduce the effort applied by the spring scale.
Question

An empty sled of mass 25 kg slides down a muddy hill with a constant speed of 2.4 m/s. The slope of the hill is inclined at an angle of 15° with the horizontal as shown in the figure above.
a. Calculate the time it takes the sled to go 21 m down the slope.
b. On the dot below that represents the sled, draw/label a free-body diagram for the sled as it slides down the slope

c. Calculate the frictional force on the sled as it slides down the slope.
d. Calculate the coefficient of friction between the sled and the muddy surface of the slope.
e. The sled reaches the bottom of the slope and continues on the horizontal ground. Assume the same coefficient of friction.
i. In terms of velocity and acceleration, describe the motion of the sled as it travels on the horizontal ground.
ii. On the axes below, sketch a graph of speed v versus time t for the sled. Include both the sled’s travel down the slope and across the horizontal ground. Clearly indicate with the symbol tl the time at which the sled leaves the slope.

Answer/Explanation
Ans:
a. x = vt gives t = (21 m)/(2.4 m/s) = 8.75 s
b. 
c. \(\sum \) F = 0 if the sled moves at constant speed. This gives mg sin θ – f = 0, or f = mg sin θ = 63.4 N
d. f = μN where N = mg cos θ so μ = f/N = (mg sin θ)/(mg cos θ) = tan θ = 0.27
e. i. The velocity of the sled decreases while its acceleration remains constant
ii. 
Question

A child pulls a 15 kg sled containing a 5.0 kg dog along a straight path on a horizontal surface. He exerts a force of 55 N on the sled at an angle of 20° above the horizontal, as shown in the figure. The coefficient of friction between the sled and the surface is 0.22.
a. On the dot below that represents the sled-dog system, draw and label a free-body diagram for the system as it is pulled along the surface.

b. Calculate the normal force of the surface on the system.
c. Calculate the acceleration of the system.
d. At some later time, the dog rolls off the side of the sled. The child continues to pull with the same force. On the axes below, sketch a graph of speed v versus time t for the sled. Include both the sled’s travel with and without the dog on the sled. Clearly indicate with the symbol tr the time at which the dog rolls off.

Answer/Explanation
Ans:
a. 
b. \(\sum \) Fy = 0; N + T sin θ – mg = 0 gives N = mg – T sin θ = 177 N
c. f = μN = 38.9 N and \(\sum \) Fx = ma; T cos θ – f = ma yields a = 0.64 m/s2
d. 
Question

A block of mass m, acted on by a force of magnitude F directed horizontally to the right as shown above, slides up an inclined plane that makes an angle θ with the horizontal. The coefficient of sliding friction between the block and the plane is μ.
a. On the diagram of the block below, draw and label all the forces that act on the block as it slides up the plane.

b. Develop an expression in terms of m, θ, F, μ, and g, for the block’s acceleration up the plane.
c. Develop an expression for the magnitude of the force F that will allow the block to slide up the plane with constant velocity. What relation must θ and μ satisfy in order for this solution to be physically meaningful?
Answer/Explanation
Ans:
a. 
b. F can be resolved into two components: F sin θ acting into the incline and F cos θ acting up the incline. The normal force is then calculated with \(\sum \) F = 0; N – F sin θ – mg cos θ = 0 and f = μN Putting this together gives \(\sum \) F = ma; F cos θ – mg sin θ – μ(F sin θ + mg cos θ) = ma, solve for a
c. for constant velocity, a = 0 in the above equation becomes F cos θ – mg sin θ – μ(F sin θ + mg cos θ) = 0 solving for F gives F = mg \(\left ( \frac{\mu cos\theta +sin\theta }{cos\theta -\mu sin\theta } \right )\) In order that F remain positive (acting to the right), the denominator must remain positive. That is cos θ > μ sin θ, or tan θ 1/μ
Question

The figure above shows an 80-kilogram person standing on a 20-kilogram platform suspended by a rope passing over a stationary pulley that is free to rotate. The other end of the rope is held by the person. The masses of the rope and pulley are negligible. You may use g = 10 m/ s2. Assume that friction is negligible, and the parts of the rope shown remain vertical.
a. If the platform and the person are at rest, what is the tension in the rope?
The person now pulls on the rope so that the acceleration of the person and the platform is 2 m/s2 upward.
b. What is the tension in the rope under these new conditions?
c. Under these conditions, what is the force exerted by the platform on the person?
Answer/Explanation
Ans:
a. Combining the person and the platform into one object, held up by two sides of the rope we have \(\sum \) F = ma; 2T = (80 kg + 20 kg)g giving T = 500 N
b. Similarly, \(\sum \) F = ma; 2T – 1000 N = (100 kg)(2 m/s2) giving T = 600 N
c. For the person only: \(\sum \) F = ma; N + 600 N – mg = ma gives N = 360 N
Question

A block of mass m is pulled along a rough horizontal surface by a constant applied force of magnitude F1 that acts at an angle θ to the horizontal, as indicated above. The acceleration of the block is a1. Express all algebraic answers in terms of m, F1, θ , a1, and fundamental constants.
a. On the figure below, draw and label a free-body diagram showing all the forces on the block.

b. Derive an expression for the normal force exerted by the surface on the block.
c. Derive an expression for the coefficient of kinetic friction μ between the block and the surface.
d. On the axes below, sketch graphs of the speed v and displacement x of the block as functions of time t if the block started from rest at x = 0 and t = 0.

e. If the applied force is large enough, the block will lose contact with the surface. Derive an expression for the magnitude of the greatest acceleration amax that the block can have and still maintain contact with the ground.
Answer/Explanation
Ans:
a. 
b. \(\sum \) Fy = 0; N + F1 sin θ – mg = 0 gives N = mg – F1 sin θ
c. \(\sum \) Fx = ma; F1 cos θ – μN = ma1. Substituting N from above gives μ = (F1 cos θ – ma1)/(mg – F1 sin θ)
d. 
e. The condition for the block losing contact is when the normal force goes to zero, which means friction is zero as well. \(\sum \) Fx = Fmax cos θ = mamax and \(\sum \) Fy = Fmax sin θ – mg = 0 giving Fmax = mg/(sin θ) and amax = (Fmax cos θ)/m which results in amax = g cot θ
Question

A 300-kg box rests on a platform attached to a forklift, shown above. Starting from rest at time = 0, the box is lowered with a downward acceleration of 1.5 m/s2
a. Determine the upward force exerted by the horizontal platform on the box as it is lowered. At time t = 0, the forklift also begins to move forward with an acceleration of 2 m/s2 while lowering the box as described above. The box does not slip or tip over.
b. Determine the frictional force on the box.
c. Given that the box does not slip, determine the minimum possible coefficient of friction between the box and the platform.
d. Determine an equation for the path of the box that expresses y as a function of x (and not of t), assuming that, at time t = 0, the box has a horizontal position x = 0 and a vertical position y = 2 m above the ground, with zero velocity.
e. On the axes below sketch the path taken by the box

Answer/Explanation
Ans:
a. \(\sum \) F = ma; using downward as the positive direction, mg – N = may gives N = m(g – ay) = 2490 N
b. Friction is the only horizontal force exerted; \(\sum \) F = f = max = 600 N
c. At the minimum coefficient of friction, static friction will be at its maximum value f = μN, giving μ = f/N =(600 N)/(2490 N) = 0.24
d. y = y0 + v0yt + ½ ayt2 = 2 m + ½ (–1.5 m/s2)t2 and x = x0 + v0xt + ½ axt2 = ½ (2 m/s2)t2, solving for t2 in the x equation gives t2 = x. Substituting into the y equation gives y as a function of x: y = 2 – 0.75x
e. 
Question
Block 1 of mass m1 is placed on block 2 of mass m2 which is then placed on a table. A string connecting block 2 to a hanging mass M passes over a pulley attached to one end of the table, as shown above. The mass and friction of the pulley are negligible. The coefficients of friction between blocks 1 and 2 and between block 2 and the tabletop are nonzero and are given in the following table.

Express your answers in terms of the masses, coefficients of friction, and g, the acceleration due to gravity.
a. Suppose that the value of M is small enough that the blocks remain at rest when released. For each of the following forces, determine the magnitude of the force and draw a vector on the block provided to indicate the direction of the force if it is nonzero.
i. The normal force N1 exerted on block 1 by block 2

ii. The friction force f1 exerted on block 1 by block 2

iii. The force T exerted on block 2 by the string

iv. The normal force N2 exerted on block 2 by the tabletop

v. The friction force f2 exerted on block 2 by the tabletop

b. Determine the largest value of M for which the blocks can remain at rest.
c. Now suppose that M is large enough that the hanging block descends when the blocks are released. Assume that blocks 1 and 2 are moving as a unit (no slippage). Determine the magnitude a of their acceleration.
d. Now suppose that M is large enough that as the hanging block descends, block 1 is slipping on block 2. Determine each of the following.
i. The magnitude a1 of the acceleration of block 1
ii. The magnitude a2 of the acceleration of block 2
Answer/Explanation
Ans:
a. 
b. The maximum friction force on the blocks on the table is f2max = μs2N2 = μs2(m1 + m2)g which is balanced by the weight of the hanging mass: Mg = μs2(m1 + m2)g giving M = μs2(m1 + m2)
c. 
For the hanging block: Mg – T = Ma; For the two blocks on the plane: T – f2 = (m1 + m2)a Combining these equations (by adding them to eliminate T) and solving for a gives a = \(\left | \frac{M- \mu _{k2}\left ( m_{1}+m_{2} \right )}{M+m_{1}+m_{2}} \right |g\)
d. i. f1 = μk1m1g = m1a1 giving a1 = μk1g
ii. 
For the two blocks: Mg – T = Ma2 and T – f1 – f2 = m2a2. Eliminating T and substituting values for friction gives a2 = \(\left | \frac{M- \mu _{k1}m_{1}-\mu _{k2}\left ( m_{1}+m_{2} \right )}{M+m_{2}} \right |g\)
Question
A ball of mass M is thrown vertically upward with an initial speed of vo. It experiences a force of air resistance given by F = –kv, where k is a positive constant. The positive direction for all vector quantities is upward. Express all algebraic answers in terms of M, k, vo, and fundamental constants.
a. Does the magnitude of the acceleration of the ball increase, decrease, or remain the same as the ball moves upward?
_______increases _________ decreases __________ remains the same
Justify your answer.
b. Determine the terminal speed of the ball as it moves downward.
c. Does it take longer for the ball to rise to its maximum height or to fall from its maximum height back to the height from which it was thrown?
______________ longer to rise ______________ longer to fall
Justify your answer.
d. On the axes below, sketch a graph of velocity versus time for the upward and downward parts of the ball’s flight, where tf is the time at which the ball returns to the height from which it was thrown.

Answer/Explanation
Ans:
a. The magnitude of the acceleration decreases as the ball moves upward. Since the velocity is upward, air resistance is downward, in the same direction as gravity. The velocity will decrease, causing the force of air resistance to decrease. Therefore, the net force and thus the total acceleration both decrease.
b. At terminal speed \(\sum \) F = 0. \(\sum \) F = –Mg + kvT giving vT = Mg/k
c. It takes longer for the ball to fall. Friction is acting on the ball on the way up and on the way down, where it begins from rest. This means the average speed is greater on the way up than on the way down. Since the distance traveled is the same, the time must be longer on the way down.
d.
Question
A simple pendulum consists of a bob of mass 1.8 kg attached to a string of length 2.3 m. The pendulum is held at an angle of 30° from the vertical by a light horizontal string attached to a wall, as shown above.
(a) On the figure below, draw a free-body diagram showing and labeling the forces on the bob in the position shown above.
(b) Calculate the tension in the horizontal string.
Answer/Explanation
Ans:
(a) 
(b) Apply Fnet(X) = 0 Fnet(Y) = 0
TP cos 30 = mg TP sin 30 = TH
TP = 20.37 N TH = 10.18
Question

A 5.0-kilogram monkey hangs initially at rest from two vines, A and B. as shown above. Each of the vines has length 10 meters and negligible mass.
a. On the figure below, draw and label all of the forces acting on the monkey. (Do not resolve the forces into components, but do indicate their directions.)

b. Determine the tension in vine B while the monkey is at rest.
Answer/Explanation
Ans:
a) 
(b) SIMULTANEOUS EQUATIONS
Fnet(X) = 0 Fnet(Y) = 0
Ta cos 30 = Tb cos 60 Ta sin 30 + Tb sin 60 – mg = 0
…. Solve above for Tb and plug into Fnet(y) eqn and solve
Ta = 24 N Tb = 42 N
Question

Part of the track of an amusement park roller coaster is shaped as shown above. A safety bar is oriented lengthwise along the top of each car. In one roller coaster car, a small 0.10-kilogram ball is suspended from this bar by a short length of light, inextensible string.
a. Initially, the car is at rest at point A.
i. On the diagram below, draw and label all the forces acting on the 0.10-kilogram ball.
![]()
ii. Calculate the tension in the string. The car is then accelerated horizontally, goes up a 30° incline, goes down a 30° incline, and then goes around a vertical circular loop of radius 25 meters. For each of the four situations described in parts (b) to (e), do all three of the following. In each situation, assume that the ball has stopped swinging back and forth.
1) Determine the horizontal component Th of the tension in the string in newtons and record your answer in the space provided.
2)Determine the vertical component Tv of the tension in the string in newtons and record your answer in the space provided.
3)Show on the adjacent diagram the approximate direction of the string with respect to the vertical. The dashed line shows the vertical in each situation.
b. The car is at point B moving horizontally 2 to the right with an acceleration of 5.0 m/s .

Th = _________________________
Tv =_________________________
c. The car is at point C and is being pulled up the 30° incline with a constant speed of 30 m/s.

Th = _________________________
Tv =_________________________

d. The car is at point D moving down the incline with an acceleration of 5.0 m/s2.
Th = _________________________
Tv =_________________________

e. The car is at point E moving upside down with an instantaneous speed of 25 m/s and no tangential acceleration at the top of the vertical loop of radius 25 meters.
Th = _________________________
Tv =_________________________
Answer/Explanation
Ans:
a) i) 
ii) T = mg = 1 N
b) The horizontal component of the tension supplies the horizontal acceleration.
Th = ma = 0.5 N
The vertical component of the tension is equal to the weight of the ball, as in (a) ii. Tv = 1 N

c) Since there is no acceleration, the sum of the forces must be zero, so the tension is equal and opposite to the weight of the ball. Th =zero, Tv = 1N

d) The horizontal component of the tension is responsible for the horizontal component of the acceleration. Applying Newton’s second law:
Th = ma cos θ, where θ is the angle between the acceleration and horizontal Th = (0.10 kg)(5.0 m/s2) cos 30°, Th = 0.43 N The vertical component of the tension counteracts only part of the gravitational force, resulting in a vertical component of the acceleration. Applying Newton’s second law. Tv = mg – ma sin θ Tv = (0.10 kg)(10 m/s2) – (0.10 kg)(5.0 m/s2) sin 30°, Tv =0.75 N

e) Since there is no horizontal acceleration, there is no horizontal component of the tension. Th = zero Assuming for the moment that the string is hanging downward, the centripetal is the difference between the gravitational force and the tension. Applying Newton’s second law. mv2/r = mg – Tv, Solving for the vertical component of tension:
Tv = – 1.5 N i.e. the string is actually pulling down on the ball.


