Question
A potentiometer circuit is used to investigate the electromotive force (e.m.f.) of a cell X.

The e.m.f. of cell X is known to be approximately 0.50V. The driver cell has negligible internal resistance and an e.m.f. of 2.0V. The sliding contact is moved along the uniform resistance wire between ends Q and R to a point P where the reading on the galvanometer is zero.
What is an expression for the approximate length QP?
(A) $\frac{QR}{4}$
(B) $\frac{QR}{3}$
(C) $\frac{2QR}{3}$
(D) $\frac{3QR}{4}$
▶️Answer/Explanation
Ans: A
Question
In the potentiometer circuit shown, the reading on the ammeter is zero.

The light-dependent resistor (LDR) is then covered and the ammeter gives a non-zero reading.
Which change could return the ammeter reading to zero?
A decreasing the supply voltage
B increasing the supply voltage
C moving the sliding contact to the left
D moving the sliding contact to the right
▶️Answer/Explanation
Ans: C
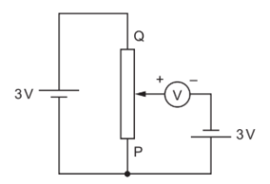
Question
A voltmeter is connected into a circuit with the polarity shown.
The sliding contact is moved to end P of the potentiometer and then to end Q.
What are the two readings of the voltmeter?

▶️Answer/Explanation
Ans: D
Question
Four potential divider circuits each consist of a battery of electromotive force (e.m.f.) 9V and negligible internal resistance connected to a combination of resistors. Each of the resistors in the circuits has a resistance of X or 2X.
Which circuit has the largest output voltage V?

▶️Answer/Explanation
Ans: B
