Question




▶️ Answer/Explanation
Detailed solution:
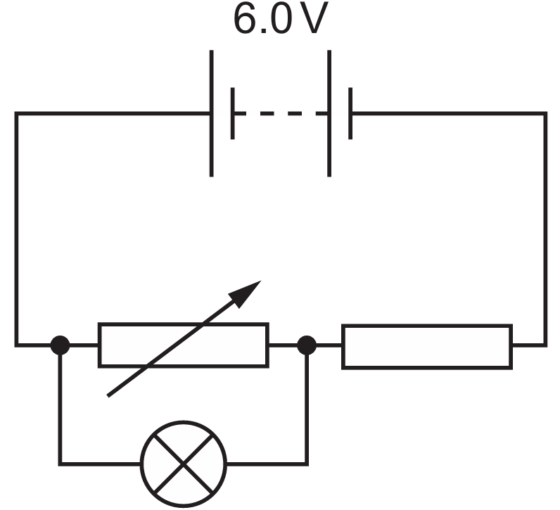
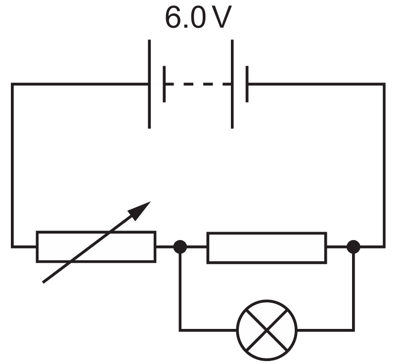
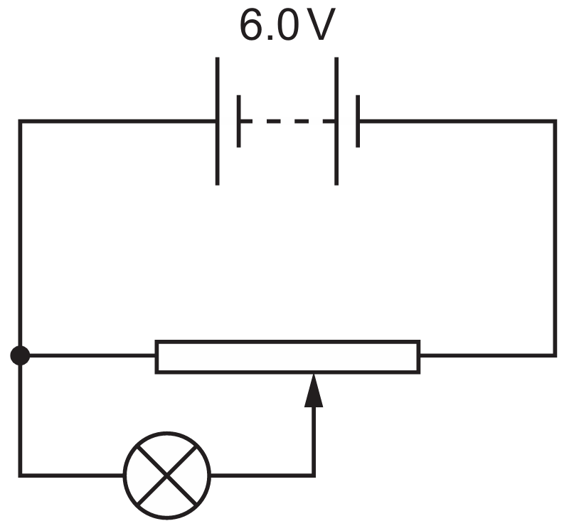
To vary the potential difference (p.d.) from $0\text{ V}$ up to the full source voltage of $6.0\text{ V}$, a potentiometer (potential divider) arrangement is required.
In Circuit C, the lamp is connected in parallel with a variable length of the resistance wire using a sliding contact.
When the slider is at the far left, the lamp is short-circuited, resulting in a p.d. of $0\text{ V}$.
Moving the slider to the far right places the lamp across the entire resistance, giving it the full $6.0\text{ V}$ of the battery.
Circuits A and B use variable resistors in series, which cannot achieve $0\text{ V}$ as the fixed resistor or lamp always retains some p.d.
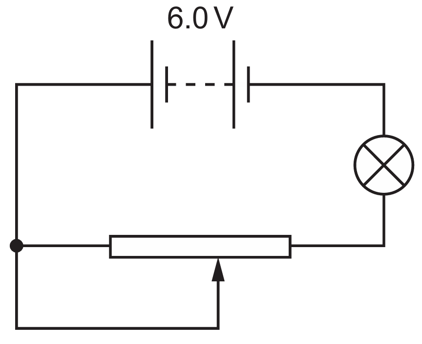
Circuit D is incorrectly wired as the lamp is in the main branch, preventing the full range of control.
Question

▶️ Answer/Explanation
Detailed solution:
In a series circuit acting as a potential divider, the current $I$ flowing through both resistors $R_1$ and $R_2$ is identical.
According to Ohm’s Law ($V = IR$), the potential difference across each resistor is proportional to its resistance.
This relationship is expressed by the ratio $\frac{V_1}{R_1} = \frac{V_2}{R_2}$, as both sides represent the constant current $I$.
To solve for $V_1$, we rearrange the equation by multiplying both sides by $R_1$.
This yields the final expression: $V_1 = \frac{V_2 \times R_1}{R_2}$.
Thus, option B is the correct mathematical representation for calculating $V_1$ based on the given circuit parameters.
Questions
A conducting wire is placed between the poles of a magnet. When an electric current in the wire is in the direction shown, then the force on the wire acts out of the page.

Three statements of different conditions and how the wire is affected are given.
1 When the current is towards the top of the page and the direction of the magnetic field is unchanged, the force produced acts into the page.
2 When the current is towards the bottom of the page and the magnetic field is reversed, the force produced acts into the page.
3 When the current in the wire is alternating, the wire vibrates into and out of the page.
Which statements are correct?
A 1, 2 and 3
B 1 and 2 only
C 1 and 3 only
D 2 and 3 only
▶️Answer/Explanation
Ans A
