iGCSE Physics (0625) 4.5.3 The magnetic effect of a current -Exam Style Questions Paper 1 - New Syllabus
Question


▶️ Answer/Explanation
Detailed solution:
When the switch is closed, current flows from the positive terminal to the negative terminal. In this circuit, conventional current $I$ flows upward through the vertical wire. According to the Right-Hand Grip Rule, if the thumb points in the direction of the current (upward), the curled fingers show the magnetic field $B$ acting in a counter-clockwise direction around the wire. At the position of the plotting compass (located in front of the wire), the magnetic field lines point toward the left. Since the North pole of a compass needle aligns with the local magnetic field direction, the needle will point toward the left, as shown in diagram C.
Question
▶️ Answer/Explanation
Detailed solution:
The strength of a magnetic field around a conductor is directly proportional to the magnitude of the electric current ($B \propto I$).
Since the current increases from $3.0\text{ A}$ to $6.0\text{ A}$, the magnitude of the magnetic field strength increases.
The direction of the magnetic field is determined by the direction of the current, as shown by the Right-Hand Grip Rule.
By reversing the current direction, the circular magnetic field lines will now act in the opposite direction.
Therefore, the field both increases in strength and reverses its direction, making option C the correct choice.
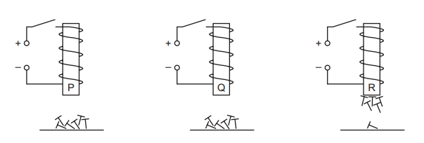
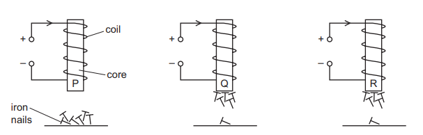
Question
▶️ Answer/Explanation
Detailed solution:
To identify the pattern of a magnetic field, both iron filings and a compass can be used. However, iron filings only show the shape of the field lines.
The direction of the magnetic field is specifically defined as the direction of the force acting on a North pole ($N$ pole) at that point.
A plotting compass contains a small needle-shaped magnet that aligns itself with the local magnetic field, with its North-seeking end pointing in the field’s direction.
While an ammeter measures current ($I$) and a voltmeter measures potential difference ($V$), only a compass can identify both the visual pattern and the specific polarity/direction.
Therefore, a compass is the correct tool for determining the complete vector nature of the field produced by the current.
