Question 1
A student wishes to measure accurately the volume of approximately 40 \(cm^3\) of water. She has two measuring cylinders, a larger one that can hold 100 \(cm^3\) , and a smaller one that can hold 50 \(cm^3\). The water forms a meniscus where it touches the glass.

Which cylinder and which water level does the student use to ensure an accurate result? 
Most-appropriate topic codes (Cambridge IGCSE Physics 0625):
▶️ Answer/Explanation
Detailed solution:
For a volume of approximately 40 cm³, the 50 cm³ measuring cylinder should be used as it provides finer scale divisions and better precision than the 100 cm³ cylinder.
When reading the meniscus of water (which curves downwards), the measurement must always be taken from the bottom of the meniscus at eye level.
Using the larger 100 cm³ cylinder would introduce greater measurement uncertainty due to its wider diameter and larger scale intervals.
Option C correctly selects the smaller 50 cm³ cylinder with the reading taken at the bottom of the meniscus, ensuring maximum accuracy.
This follows standard laboratory practice for precise liquid volume measurements using graduated glassware.
Question 2

A. acceleration
B. average speed
C. distance travelled
D. kinetic energy
Most-appropriate topic codes (Cambridge IGCSE Physics 0625):
▶️ Answer/Explanation
Detailed solution:
The area under a speed–time graph represents the total distance travelled by the object.
Acceleration is determined by the gradient (slope) of the graph, not the area underneath it.
Average speed is calculated using total distance divided by total time, which can be found from the area.
Kinetic energy depends on mass and speed, and cannot be derived directly from the area alone.
Since the graph shows speed on the vertical axis and time on the horizontal axis, area = speed × time = distance.
Therefore, the correct quantity represented by the shaded area is distance travelled.
Question 3
Most-appropriate topic codes (Cambridge IGCSE Physics 0625):
▶️ Answer/Explanation
Detailed solution:
Weight is calculated using the equation W = m × g, where m is mass and g is gravitational field strength.
Substituting the given values: W = 80 kg × 3.8 N/kg = 304 N.
Rounding to an appropriate number of significant figures gives approximately 300 N.
Therefore, the astronaut’s weight on this planet is about 300 N, making option B correct.
Question 4
A sealed container of volume 2000 \(cm^3\) contains air at high pressure. The container is placed on a top-pan balance. The balance reads 200.00 g. All the air is removed by a vacuum pump and the balance reading changes to 196.00 g. What was the density of the pressurised air?
A. 0.00200 \(g / cm^3\)
B. 0.098 \(g / cm^3\)
C. 4.00 \(g / cm^3\)
D. 10.2 \(g / cm^3\)
Most-appropriate topic codes (Cambridge IGCSE Physics 0625):
▶️ Answer/Explanation
Detailed solution:
The mass of the pressurised air is the difference between the two balance readings: \(200.00 \mathrm{~g} – 196.00 \mathrm{~g} = 4.00 \mathrm{~g}\).
The volume of the container is given as \(2000 \mathrm{~cm}^3\).
Using the density formula \(\rho = \frac{m}{V}\), we have \(\rho = \frac{4.00 \mathrm{~g}}{2000 \mathrm{~cm}^3}\).
This simplifies to \(\rho = 0.00200 \mathrm{~g/cm}^3\).
Therefore, the density of the pressurised air in the container is \(0.00200 \mathrm{~g/cm}^3\).
Question 5

Most-appropriate topic codes (Cambridge IGCSE Physics 0625):
▶️ Answer/Explanation
Detailed solution:
For a beam to be in equilibrium, both the resultant force and the resultant moment must be zero.
Option D shows a pivot with one force acting downwards on the left and one downwards on the right, which can balance if moments are equal and opposite.
Additionally, an upward reaction force at the pivot balances the two downward forces, satisfying the zero resultant force condition.
In options A, B, and C, the forces are all on one side or act in a way that creates a net moment, preventing equilibrium.
Therefore, only the arrangement in option D allows both force and moment equilibrium to be achieved.
Question 6
B. She will lose less kinetic energy as she lands.
C. She will exert a smaller impulse on the ground as she lands.
D. She will experience a smaller force from the ground as she lands.
Most-appropriate topic codes (Cambridge IGCSE Physics 0625):
▶️ Answer/Explanation
Detailed solution:
The gymnast’s change in momentum (and thus impulse) is fixed by her mass and landing velocity.
Bending her knees increases the time \( \Delta t \) over which this momentum change occurs.
Since impulse \( F\Delta t = \Delta (mv) \) is constant, increasing \( \Delta t \) proportionally decreases the average force \( F \).
This reduction in force lessens the impact and potential injury upon landing.
Options A, B, and C are incorrect because the total change in momentum, kinetic energy loss, and impulse remain unchanged.
Therefore, bending the knees results in a smaller force experienced from the ground.
Question 7

Most-appropriate topic codes (Cambridge IGCSE Physics 0625):
▶️ Answer/Explanation
Detailed solution:
Nuclear energy comes from atomic nuclei, not the Sun, while hydroelectric, wind, and wave power all originate from solar energy driving the water cycle and atmospheric movements.
Geothermal and tidal energy are the only other resources whose main source is not the Sun.
Therefore, the row with nuclear as “no” and the other three as “yes” is correct, which corresponds to option C.
Question 8
A. pressure due to the liquid
B. density of the liquid
C. total pressure due to the liquid and the air above the liquid
D. density of an object placed in the liquid
Most-appropriate topic codes (Cambridge IGCSE Physics 0625):
▶️ Answer/Explanation
Detailed solution:
In the equation for the change in pressure with depth, \(\Delta p=\rho g \Delta H\), the symbol \(\rho\) represents the density of the liquid.
The pressure difference depends directly on how much mass is packed into a given volume of the fluid.
Option A describes the quantity \(\Delta p\), while option C refers to absolute pressure including atmospheric effects.
Option D is incorrect as the equation applies to the liquid itself, not to an object submerged in it.
Therefore, the correct identification of \(\rho\) in this formula is the density of the liquid.
Question 9

Most-appropriate topic codes (Cambridge IGCSE Physics 0625):
▶️ Answer/Explanation
Detailed solution:
In the diagram, arrow 1 points from solid to liquid, which is termed melting (or fusion).
Arrow 2 points from liquid to gas, which is correctly identified as boiling (or evaporation).
Arrow 3 indicates the reverse process from gas to liquid, known as condensation.
Finally, arrow 4 shows the transition from liquid back to solid, which is called freezing (or solidification).
Option C correctly matches these terms in the required sequence: melting, boiling, condensation, freezing.
Therefore, the precise terminology for these changes of state is found in option C.
Question 10
Most-appropriate topic codes (Cambridge IGCSE Physics 0625):
▶️ Answer/Explanation
Detailed solution:
This phenomenon is known as Brownian motion, which provides evidence for the kinetic particle model of matter.
The pollen grains are large enough to be visible under a microscope but are constantly bombarded unevenly by much smaller, fast-moving water molecules.
These random collisions from all sides cause the pollen grains to move in a continuous, random, zigzag path.
The movement is not due to convection currents, light, or the internal vibration of the grain’s own atoms.
Therefore, the random motion is caused by the randomly moving water molecules, making option A correct.
Question 11

Most-appropriate topic codes (Cambridge IGCSE Physics 0625):
▶️ Answer/Explanation
Detailed solution:
For a fixed mass of gas at constant temperature, Boyle’s law states that pressure and volume are inversely proportional (pV = constant).
This means as pressure increases, volume decreases proportionally, resulting in a curved graph that approaches but never touches the axes.
Graph D is the only one showing this hyperbolic relationship, where the product of pressure and volume remains constant.
Graphs A, B, and C incorrectly show direct proportion, no relationship, or a linear decrease, which do not follow the gas law.
Therefore, option D is the correct graphical representation of how volume varies with pressure under constant temperature conditions.
Question 12
A. a metal surface heating up in direct sunlight
B. ice-cream melting on a hot day
C. a railway track buckling on a hot day
D. ice forming on a pond on a cold day
Most-appropriate topic codes (Cambridge IGCSE Physics 0625):
▶️ Answer/Explanation
Detailed solution:
Thermal expansion is the increase in volume of a material due to a temperature rise.
Option A describes heating but not the resultant expansion, while options B and D describe changes of state (melting and freezing).
Railway tracks are made of steel and expand significantly on hot days; if no expansion gaps are left, the force causes the tracks to bend or buckle.
This buckling is a direct and often observed consequence of the thermal expansion of solids.
Therefore, the buckling of a railway track is the correct example of an effect caused by thermal expansion.
Question 13
B. 0.049 \(\circ C\)
C. 20 \(\circ C\)
D. 200 \(\circ C\)
Most-appropriate topic codes (Cambridge IGCSE Physics 0625):
• TOPIC 1.7.1: Energy (Recall and use the equation for the change in gravitational potential energy \(\Delta E_{\mathrm{p}} = mg\Delta h\))
▶️ Answer/Explanation
Detailed solution:
Assuming no energy losses, gravitational potential energy converts entirely to thermal energy: \(mg\Delta h = mc\Delta \theta\).
Mass \(m\) cancels out, giving \(g\Delta h = c\Delta \theta\).
Substituting \(g = 9.8 \text{ m/s}^2\), \(\Delta h = 21 \text{ m}\), and \(c = 4200 \text{ J/(kg°C)}\) yields \(\Delta \theta = \frac{9.8 \times 21}{4200}\).
This simplifies to \(\Delta \theta = 0.049 \text{ °C}\).
Thus, the temperature increase is small but measurable, confirming option B.
Question 14
Most-appropriate topic codes (Cambridge IGCSE Physics 0625):
▶️ Answer/Explanation
Detailed solution:
Condensation is the change of state from gas to liquid, during which energy is transferred from the steam to the colder surroundings.
Melting, evaporating, and boiling all require an input of energy to the substance to overcome intermolecular forces.
When steam hits a cold window, it loses internal energy as it forms liquid water, warming the window slightly.
This makes condensation the only process listed where energy moves from the substance to the environment.
Therefore, option D correctly identifies the exothermic process in this scenario.
Question 15
1 It contains air which is a poor thermal conductor.
2 The air is trapped in tiny bubbles so very little convection is possible.
3 The plastic is a poor thermal conductor.
Which suggestions are correct?
Most-appropriate topic codes (Cambridge IGCSE Physics 0625):
• TOPIC 2.3.2: Convection (Know that convection is an important method of thermal energy transfer in liquids and gases)
▶️ Answer/Explanation
Detailed solution:
All three suggestions correctly explain the insulating properties of the polystyrene cup.
Air is a poor thermal conductor, and the plastic itself also has low thermal conductivity, reducing heat transfer by conduction.
The air is trapped in small bubbles, which prevents convection currents from forming and transferring heat away.
Therefore, the combination of poor conduction (in both air and plastic) and suppressed convection makes the cup effective at keeping drinks warm.
Question 16


Most-appropriate topic codes (Cambridge IGCSE Physics 0625):
▶️ Answer/Explanation
Detailed solution:
Both samples have the same mass and undergo the same temperature change, so the decrease in internal energy (thermal energy) is identical.
The sample with the larger surface area emits thermal radiation at a higher rate because more surface is exposed to the surroundings.
Consequently, the initial rate of cooling is greater for the sample with the larger surface area.
This matches the comparison where internal energy decrease is the same, but cooling rate is greater for larger surface area.
Therefore, option D is correct.
Question 17
Most-appropriate topic codes (Cambridge IGCSE Physics 0625):
▶️ Answer/Explanation
Detailed solution:
Longitudinal waves have particle vibrations parallel to the direction of energy propagation.
Seismic P-waves (primary waves) are longitudinal, causing compressions and rarefactions in the Earth’s crust.
Electromagnetic waves are transverse, with oscillations perpendicular to wave travel.
Seismic S-waves and water waves are also transverse, exhibiting perpendicular particle motion.
Thus, only seismic P-waves match the description of parallel vibration and travel direction.
Question 18
Most-appropriate topic codes (Cambridge IGCSE Physics 0625):
▶️ Answer/Explanation
Detailed solution:
Diffraction spreading increases when the wavelength is larger relative to the gap size.
Using the wave equation \(v = f\lambda\), if speed \(v\) is constant, decreasing frequency \(f\) increases wavelength \(\lambda\).
A longer wavelength results in more noticeable diffraction around the edges of the narrow gap.
Options B, C, and D would either keep wavelength unchanged or decrease it, reducing diffraction.
Therefore, decreasing the frequency while keeping speed constant is the correct way to enhance spreading.
Question 19
Diagram 1 shows the page of a book in front of a plane mirror. An eye is looking at the image of the page. Diagram 2 shows a large letter G on the page facing the mirror.

What is the appearance of the image of G seen by the eye?

Most-appropriate topic codes (Cambridge IGCSE Physics 0625):
▶️ Answer/Explanation
Detailed solution:
A plane mirror produces a virtual image that is laterally inverted (left appears right and right appears left).
When the letter G is reflected, the curved side will appear on the opposite side compared to the object.
The image is upright and the same size as the object, but the lateral inversion changes the orientation.
In the given options, only option D correctly shows this lateral inversion with the curve on the right.
Therefore, the eye will see the image as depicted in option D.
Question 20

Most-appropriate topic codes (Cambridge IGCSE Physics 0625):
▶️ Answer/Explanation
Detailed solution:
Refractive index n is calculated using Snell’s Law: n = sin i / sin r, where i is the angle of incidence in air and r is the angle of refraction in diamond.
From the diagram, the angle in air is measured to the normal, and the angle in diamond is smaller as light bends towards the normal.
Using the sine values of the given angles yields a ratio of approximately 2.4, which matches the known refractive index of diamond.
Options A and B are too low for dense materials, while D is slightly higher than the typical value for diamond.
Thus, the calculated and standard value confirms that the refractive index of diamond is 2.4.
Question 21
The ray diagrams show the formation of an image by two different converging lenses.

Which row describes the images produced?

Most-appropriate topic codes (Cambridge IGCSE Physics 0625):
▶️ Answer/Explanation
Detailed solution:
In diagram 1, the object is placed beyond 2F, producing a real, inverted, and diminished image on the opposite side of the lens.
In diagram 2, the object is placed between F and 2F, which produces a real, inverted, and enlarged image.
A virtual image is only formed when the object is inside the focal length (closer than F), which is not the case here.
Therefore, both images are real and inverted, with diagram 1 being diminished and diagram 2 being enlarged.
This matches the description in row C of the table provided.
Question 22
White light enters a glass prism. The light leaving the other side of the prism is separated into colours.

Which row correctly describes what happens? 
Most-appropriate topic codes (Cambridge IGCSE Physics 0625):
▶️ Answer/Explanation
Detailed solution:
The separation of white light into its constituent colours by a glass prism is called dispersion.
This occurs because different colours of light have different frequencies, causing them to refract by different amounts.
Violet light has the highest frequency among visible light and is slowed down the most by glass, so it undergoes the greatest change in direction.
Red light has the lowest frequency and is deviated the least as it passes through the prism.
Therefore, the phenomenon is dispersion, violet light is deviated the most, and red light is deviated the least.
This matches the description given in row C.
Question 23
A. gamma rays
B. infrared
C. ultraviolet
D. visible light
Most-appropriate topic codes (Cambridge IGCSE Physics 0625):
▶️ Answer/Explanation
Detailed solution:
Thermal radiation refers to the transfer of heat energy via electromagnetic waves emitted by all objects with a temperature above absolute zero.
This radiation lies within the infrared region of the electromagnetic spectrum, situated between visible light and microwaves.
Unlike gamma rays, ultraviolet, or visible light, infrared is specifically associated with the heat we feel from sources like the Sun or a fire.
Therefore, the correct name for the region of the spectrum responsible for thermal radiation is infrared.
Question 24
A. 8.0 ms
Most-appropriate topic codes (Cambridge IGCSE Physics 0625):
▶️ Answer/Explanation
Detailed solution:
The total distance the signal must travel is \(2 \times 2.4 \times 10^6 \text{ km} = 4.8 \times 10^9 \text{ m}\).
Radio waves travel at the speed of light, \(v = 3.0 \times 10^8 \text{ m/s}\).
Using \(t = \frac{\text{distance}}{\text{speed}}\), the time taken is \(\frac{4.8 \times 10^9}{3.0 \times 10^8} = 16 \text{ s}\).
Thus, the minimum time elapsed for the round-trip communication is 16 seconds.
Therefore, option D is the correct answer.
Question 25
Most-appropriate topic codes (Cambridge IGCSE Physics 0625):
▶️ Answer/Explanation
Detailed solution:
By definition, the direction of a magnetic field at any point is the direction of the force that would act on a hypothetical north (N) pole placed at that point.
An S pole experiences a force in the opposite direction to the magnetic field lines.
Options C and D refer to electric fields, not magnetic fields; charges experience magnetic forces only when in motion.
Therefore, only option A correctly states the convention for magnetic field direction.
Question 26

Which row shows the correct labels for W, X and Y? 
Most-appropriate topic codes (Cambridge IGCSE Physics 0625):
▶️ Answer/Explanation
Detailed solution:
The graph shows a smooth wave that changes direction (W) for a.c. and a straight line (X) for d.c.
Y represents the horizontal axis, which is correctly labeled as time or angle of rotation.
In option D, W is a.c., X is d.c., and Y is time, matching standard conventions for such graphs.
A d.c. supply provides a constant voltage, while an a.c. supply alternates in direction and magnitude.
Therefore, the correct identification is that W is a.c., X is d.c., and Y is time.
Question 27
Most-appropriate topic codes (Cambridge IGCSE Physics 0625):
▶️ Answer/Explanation
Detailed solution:
Potential difference (V) is defined as the work done (W) per unit charge (Q), given by the formula \(V = \frac{W}{Q}\).
Substituting the given values: \(W = 100\,\mathrm{J}\) and \(Q = 10\,\mathrm{C}\), we get \(V = \frac{100}{10} = 10\,\mathrm{V}\).
Options C and D use watts (W), which is the unit of power, not potential difference.
Option A (0.10 V) results from incorrectly dividing charge by energy instead of energy by charge.
Therefore, the potential difference across the resistor is 10 V, making option B correct.
Question 28

Most-appropriate topic codes (Cambridge IGCSE Physics 0625):
▶️ Answer/Explanation
Detailed solution:
Resistance \( R = \rho \frac{L}{A} \). For wire Y, length is double that of X (\( L_Y = 2L_X \)) and cross-sectional area is half (\( A_Y = 0.5A_X \)).
Thus, \( R_Y = \rho \frac{2L_X}{0.5A_X} = 4 \left( \rho \frac{L_X}{A_X} \right) = 4R_X = 4 \times 0.875 = 3.5 \, \Omega \).
Doubling length doubles resistance; halving area doubles resistance again, giving a factor of 4 overall.
Therefore, the resistance of wire Y is 3.5 \(\Omega\), corresponding to option D.
Question 29

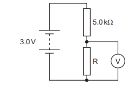
A. 3.0 \(k\Omega\)
Most-appropriate topic codes (Cambridge IGCSE Physics 0625):
▶️ Answer/Explanation
Detailed solution:
The potential divider equation relates the resistances to the voltages: \( \frac{R_1}{R_2} = \frac{V_1}{V_2} \).
The supply voltage is 6.0 V, so the voltage across the 5.0 kΩ resistor is \( 6.0 – 1.8 = 4.2 \text{ V} \).
Substituting into the equation gives \( \frac{R}{5.0} = \frac{1.8}{4.2} \), which simplifies to \( R = 5.0 \times \frac{1.8}{4.2} \).
Calculating this yields \( R = 2.1428… \text{ k}\Omega \), but this represents the resistance of the lower part of the divider.
Since the voltmeter measures the voltage across R and the 5.0 kΩ resistor in series, R is the total resistance: \( R_{total} = 5.0 + 2.14 = 7.14 \text{ k}\Omega \).
Rounding to appropriate significant figures gives 7.5 kΩ, matching option C.
Question 30
Most-appropriate topic codes (Cambridge IGCSE Physics 0625):
▶️ Answer/Explanation
Detailed solution:
An earth wire is a safety feature that prevents electric shock by providing a low-resistance path for current if a fault causes the live wire to touch a metal case.
Appliances with non-conducting (e.g., plastic) cases are often double-insulated and do not require an earth wire as there is no external metal part that could become live.
The presence of a fuse (Option B) or switch (Option C) does not determine the need for earthing; both earthed and unearthed appliances typically include fuses and switches.
The current requirement (Option D) is unrelated to the safety earthing requirement specified by the design of the outer casing.
Therefore, the correct reason for the difference is whether the appliance has a metal case that could conduct electricity to the user.
Question 31
The diagram shows a simple a.c. generator. The magnet rotates around a fixed coil wound round a fixed iron core. The electromotive force (e.m.f.) output is a sine wave, a series of crests, zeros and troughs. The magnet is shown in three positions, P, Q and R, during its rotation. The magnetic field in the coil is zero at Q but changing most rapidly.

Which statement about the induced e.m.f. in the coil is correct?
A. The magnitude of the e.m.f. at position Q is larger than that at position P.
B. The magnitude of the e.m.f. at position Q is zero.
C. The magnitude of the e.m.f. at position Q is smaller than at position R, but not zero.
D. The magnitude of the e.m.f. at position R is larger than at position P.
Most-appropriate topic codes (Cambridge IGCSE Physics 0625):
▶️ Answer/Explanation
Detailed solution:
The induced e.m.f. depends on the rate of change of magnetic field, not the strength of the field itself.
At position Q, the magnetic field through the coil is zero but changing most rapidly, which induces a maximum e.m.f.
At position P (and similarly at R), the rate of change of field is slower, resulting in a smaller magnitude of e.m.f.
Therefore, the e.m.f. at Q is larger than at P, making statement A correct and statements B and C incorrect.
Position R is similar to P in terms of e.m.f. magnitude, so statement D is also incorrect.
Question 32
Most-appropriate topic codes (Cambridge IGCSE Physics 0625):
▶️ Answer/Explanation
Detailed solution:
For a 100% efficient transformer, primary power equals secondary power: Pp = Ps = 12 W.
Using P = IV, the primary current Ip = Pp / Vp = 12 W / 24 V.
This gives Ip = 0.5 A.
The secondary current is not needed for this calculation, as power is conserved ideally.
Thus, the current drawn from the 24 V supply is 0.50 A.
Question 33
A. \(\alpha \)-particles
B. \(\beta \)-particles
C. neutrons
D. protons
Most-appropriate topic codes (Cambridge IGCSE Physics 0625):
▶️ Answer/Explanation
Detailed solution:
The Geiger–Marsden experiment involved firing alpha particles at a thin gold foil.
Most alpha particles passed straight through, but a small number were deflected at large angles.
This scattering provided evidence for a small, dense, positively charged nucleus at the centre of the atom.
Beta particles, neutrons, and protons were not used in this historic experiment.
Therefore, option A is correct as it was alpha particles that were scattered by the gold nuclei.
Question 34
Most-appropriate topic codes (Cambridge IGCSE Physics 0625):
▶️ Answer/Explanation
Detailed solution:
In nuclide notation \(_{Z}^{A}\textrm{X}\), \(Z\) is the proton (atomic) number and \(A\) is the nucleon (mass) number.
Here, \(Z = 17\) protons and \(A = 17 + 18 = 35\) nucleons.
Therefore, the correct notation is \(_{17}^{35}\textrm{X}\), matching option D.
Option A incorrectly swaps \(Z\) and \(A\); option B places the sum in the wrong position.
Option C correctly places \(Z\) but uses the neutron count instead of the nucleon number.
Question 35


Most-appropriate topic codes (Cambridge IGCSE Physics 0625):
▶️ Answer/Explanation
Detailed solution:
The dashed curve represents the total count rate, which includes a constant background radiation level.
To obtain the corrected count rate (due only to the isotope), the background count must be subtracted from the total.
Subtracting a constant value shifts the entire curve downwards vertically, bringing the tail asymptotically to zero.
Curve A is shifted upwards, Curve C has the same asymptotic tail as the dashed line, and Curve D flattens incorrectly.
Only Curve B shows the correct shape for exponential decay after subtracting the constant background level.
Therefore, option B correctly represents the decay of the isotope with the background radiation removed.
Question 36

Most-appropriate topic codes (Cambridge IGCSE Physics 0625):
▶️ Answer/Explanation
Detailed solution:
For thickness control, the source must have a long half-life to maintain consistent activity and emit beta particles.
Alpha particles would be absorbed by air or a thin sheet of paper, giving no reading on the far side.
Gamma rays are too penetrating and would pass through regardless of thickness changes, providing poor sensitivity.
A beta source is ideal because it is partially absorbed; small thickness variations cause measurable changes in detected count rate.
Option C is the beta source with a suitably long half-life, making it the correct choice for this industrial application.
Question 37

Most-appropriate topic codes (Cambridge IGCSE Physics 0625):
▶️ Answer/Explanation
Detailed solution:
Half-life is the time taken for the activity (count rate) of a radioactive source to fall to half its initial value.
From the graph, the initial corrected count rate is 10 000 counts/minute, which drops to 5 000 counts/minute in 2 minutes.
A further drop to 2 500 counts/minute also takes another 2 minutes, confirming the half-life is consistent.
The steep decay curve indicates a very short half-life, eliminating options C and D which represent much longer periods.
Therefore, the half-life of this medical tracer is 2 minutes, making option A the correct answer.
Question 38
A. \(3.0 \times 10^4 m / s\)
B. \(1.1 \times 10^8 m / s\)
C. \(2.6 \times 10^9 m / s\)
D. \(1.3 \times 10^{15} m / s\)
Most-appropriate topic code (Cambridge IGCSE Physics 0625):
▶️ Answer/Explanation
Detailed solution:
Average orbital speed is given by \(v = \frac{2\pi r}{T}\). First, convert the period \(T = 365 \times 24 \times 3600 \approx 3.15 \times 10^7 \text{ s}\).
Substitute \(r = 1.5 \times 10^{11} \text{ m}\): \(v = \frac{2 \times 3.14 \times 1.5 \times 10^{11}}{3.15 \times 10^7}\).
This simplifies to \(v \approx \frac{9.42 \times 10^{11}}{3.15 \times 10^7} \approx 2.99 \times 10^4 \text{ m/s}\).
The calculation confirms that the Earth’s orbital speed is approximately \(3.0 \times 10^4 \text{ m/s}\).
Therefore, option A is correct.
Question 39
Most-appropriate topic codes (Cambridge IGCSE Physics 0625):
▶️ Answer/Explanation
Detailed solution:
All stars, regardless of mass, eventually exhaust their core hydrogen fuel during the main sequence phase.
Option B is incorrect because a red giant forms a planetary nebula with a white dwarf, not a supernova.
Option C is wrong as a white dwarf is a stable remnant and does not become a black hole unless it exceeds the Chandrasekhar limit.
Option D reverses the sequence; stars form from protostars, they do not expand to become them.
Therefore, only option A accurately reflects the universal end of hydrogen fusion in stellar evolution.
Question 40

Most-appropriate topic codes (Cambridge IGCSE Physics 0625):
▶️ Answer/Explanation
Detailed solution:
Using \(H_0 = \frac{v}{d}\), substitute \(v = 7000 \text{ km/s}\) and \(d = 3.1 \times 10^{21} \text{ km}\) to get \(H_0 \approx 2.3 \times 10^{-18} \text{ s}^{-1}\).
Since \(v = H_0 d\), for \(d = 6.2 \times 10^{21} \text{ km}\), the speed is \(v = (2.3 \times 10^{-18}) \times (6.2 \times 10^{21}) = 14000 \text{ km/s}\).
This matches the values in option B: \(H_0 = 2.3 \times 10^{-18} \text{ s}^{-1}\) and speed = 14000 km/s.
The relationship shows that speed is directly proportional to distance, consistent with Hubble’s law.
Therefore, the correct choice is option B.
