Question 1
Topic – (a) 1.1 Physical quantities and measurement techniques
Topic – (b) 1.5 Forces (specifically, 1.5.1 Effects of forces)
Topic – (c) 1.3 Mass and weight
A spring is suspended from a clamp. Fig. 1.1 shows a pointer attached to the lower end of the spring.

A student suspends loads of different weights from the spring and records the readings on the metre ruler.
Fig. 1.2 is the reading–weight graph that the student obtains.

(a) (i) Using Fig. 1.2, determine the reading on the metre ruler when
1. no weight is attached to the spring ……………………………………………………………………..
2. a weight of 5.6 N is attached to the spring ……………………………………………………………
(ii) Calculate the extension of the spring when the weight attached is 5.6 N.
extension = …………………………………………………
(b) Using the values found in (a), calculate the spring constant of the spring.
spring constant = …………………………………………………
(c) An object of mass 0.50 kg is attached to the spring.
(i) Calculate the weight of the object.
weight = …………………………………………………
(ii) The object is pulled downwards until the tension in the spring is 6.5 N.
The object is released.
Calculate the acceleration of the object immediately after it is released.
acceleration = …………………………………………………
▶️Answer/Explanation
1(a) (i) 43 cm AND 63 cm
(ii) 20 cm
1(b) 0.28 N/cm
k = F / x OR k = F / x OR 5.6 / 20
1(c) (i) 4.9 N
(ii) 3.2(0) m/\(s^{2}\)
F = ma OR (a =) F / m OR (6.5 – 4.9) / 0.50 C1
resultant force = 6.5 – 4.9 OR 1.6
Question 2
Topic – (a) 1.6 Momentum
Topic – (b) 1.2 Motion
Topic – (c) 1.7.1 Energy
A drag car is a racing car that is powered by a rocket engine.
A drag car accelerates uniformly from rest until it reaches the finishing line. The engine is then switched off and a parachute opens. The car decelerates until it stops.
Fig. 2.1 shows a drag car decelerating after a race.

This drag car has a mass of 1400 kg.
Fig. 2.2 is the speed–time graph for the car during a race on a straight horizontal track.

The car reaches its maximum speed of 130 m / s at a time of 6.5 s.
(a) (i) Calculate the maximum momentum of the car during the race.
maximum momentum = …………………………………………………
(ii) State the feature of Fig. 2.2 that represents the distance travelled by the car.
(iii) Determine the distance travelled by the car in the first 6.5 s.
distance = …………………………………………………
(b) The parachute opens at 6.5 s and the car decelerates.
Describe how Fig. 2.2 shows that, after 6.5 s:
(i) the car decelerates
(ii) the deceleration of the car is not constant.
(c) Describe the energy transfer that takes place as the car slows down.
▶️Answer/Explanation
2(a) (i) 1.8 × \(10^{5}\) kg m / s OR 1.8 × \(10^{5}\) N s
p = mv OR p = mv OR 1400 × 130
(ii) (scaled) area under the (graph) line
(iii) 420 m
½\(v_{max}\)t OR ½ × 130 × 6.5 OR ½bh
2(b) (i) gradient is negative OR speed decreases
(ii) gradient is changing OR line / graph / it is a curve / curved
2(c) (from) kinetic (energy store)
to internal / thermal (energy store as final store)
Question 3
Topic – (a) 1.5.2 Turning effect of forces
Topic – (b) 1.5.3 Centre of gravity
Topic – (c) 1.5.2 Turning effect of forces
(a) Define the moment of a force and describe the effect that it measures.
(b) A large rectangular block of stone has a square base of side 3.4 m. Fig. 3.1 shows the block at rest on a horizontal surface.

The block is of uniform density and the centre of gravity G is at its centre.
(i) Explain what is meant by centre of gravity.
(ii) The weight of the block is 1.3 × 107 N.
Calculate the moment of the weight of the block about corner X.
moment of weight = …………………………………………………
(c) The block shown in Fig. 3.1 is in equilibrium.
State the two different conditions that apply when an object is in equilibrium.
▶️Answer/Explanation
3(a) force × perpendicular distance (from pivot) A2
Any one from:
• force × distance from pivot
• reference to perpendicular distance (from pivot)
• reference to perpendicular force
(it measures the) turning effect (of a force)
3(b)(i) point where (all) the weight (of an object) seems to act
(ii) 2.2 × \(10^{7}\) N m
1.7 (m) OR 3.4 / 2 seen
3(c) resultant force = 0 OR (all) forces cancel out owtte
resultant moment = 0 OR moments balance owtte
Question 4
Topic – (a) 2.2.2 Specific heat capacity
Topic – (b) 2.2.3 Melting, boiling and evaporation
(a) Describe an experiment to determine the specific heat capacity of aluminium. You may draw
a diagram.
Include in your answer:
- the measurements made
- any equations needed.
(b) An aluminium dish is initially at room temperature. Boiling water is poured into the aluminium dish as shown in Fig. 4.1.

(i) Explain why, after a short time, the dish and the water are the same temperature.
(ii) Explain, in terms of its particles, why the aluminium expands as the boiling water is poured into the dish.
(iii) The water in the dish evaporates.
Explain, in terms of the water molecules, what is meant by evaporation.
▶️Answer/Explanation
4(a) 1. Any one method to transfer measurable amount of thermal energy for ∆Θ:
(a) to aluminium block (with electrical heater)
(b) from aluminium block to known liquid
(c) from known liquid to insulated aluminium (calorimeter)
(d) to known liquid and aluminium (calorimeter)
2. Determination of energy transferred for ∆Θ, to match workable method in 1:
(a) Use of E = Pt OR E= IVt
(b) Use of E = mc∆Θ with s.h.c. of known liquid
(c) Use of E = mc∆Θ with s.h.c. of known liquid
(d) Use of E = Pt OR E = IVt AND E = mc∆Θ (with known s.h.c. of liquid)
3. Any one measurement from:
• initial and final temperature / temperature change
• time (of heating)
• mass of aluminium
4. c = E / m∆Θ OR c = E / m∆Θ
4(b) (i) Any three from:
1. (net) transfer of energy from higher temperature to lower temperature OR (net) transfer of energy from water / to dish
2. (energy transfer) by conduction OR aluminium is a good conductor (of thermal energy)
3. temperature of water decreases AND temperature of dish increases
4. no (net) transfer of energy when temperature of dish = temperature of water
(ii) (particles) gain energy in kinetic store (as temperature of aluminium increases)
(average) separation of (aluminium) particles increases OR (aluminium) particles move further apart owtte
(iii) (water) molecules with more/enough energy escape from the surface
escape of more energetic molecules (from water) OR (molecules) leave from the surface
Question 5
Topic – (a) 3.4 Sound
Topic – (b) 3.4 Sound
Topic – (c) 3.4 Sound
Topic – (d) 3.4 Sound
A loudspeaker produces a sound wave in air. The distance between the centre of a compression and the centre of a neighbouring rarefaction is 0.10 m.
(a) Calculate the wavelength of the sound wave.
wavelength = …………………………………………………
(b) State a typical value for the speed of sound in air.
(c) (i) Calculate the frequency of the sound from the loudspeaker.
frequency = …………………………………………………
(ii) Explain whether the sound from the loudspeaker is audible to a human with normal hearing.
(d) Another loudspeaker produces a sound of wavelength 0.40 m. Sound from the loudspeaker reaches a sound absorbing surface with a gap of width 0.80 m at the centre.
Fig. 5.1 shows the arrangement.

Explain whether it is possible to detect sound from the loudspeaker at either point J or at point K.
point J ………………………………………………………………………………………………………………………
point K ……………………………………………………………………………………………………………………..
▶️Answer/Explanation
5(a) 0.20 m
5(b) any value in range from 330 m / s ⩽ value ⩽ 350 m / s
5(c)(i) (b) ÷ (a) evaluated AND Hz
f = v / λ OR f = v / λ OR (b) ÷ (a)
(ii) audible/yes/it is OR inaudible / no / it isn’t consistent with value in 5(c)(i)
AND
consistent explanation with reference to 20 (Hz) ⩽ normal range of human hearing ⩽ 20 000 (Hz)
5(d) 1. (explanation mentions) diffraction
2. Only a little diffraction owtte
3. (because) gap width large (compared to wavelength) owtte
4. Little / no sound heard at J AND (some) sound heard at K
Question 6
Topic – (a) 4.2.3 Electromotive force and potential difference
Topic – (b) 4.2.3 Electromotive force and potential difference
Topic – (c) 4.3.3 Action and use of circuit components
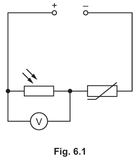
A potential divider is made by connecting a light-dependent resistor (LDR) and a thermistor in series. Fig. 6.1 shows the potential divider, a voltmeter and a direct current (d.c.) power supply connected into a circuit.

The voltmeter measures the potential difference (p.d.) across the LDR.
(a) Define potential difference (p.d.).
(b) The electromotive force (e.m.f.) of the supply is E.
Describe how the p.d. across the thermistor can be determined using the reading on the voltmeter.
(c) The resistance of the LDR decreases and the resistance of the thermistor increases.
(i) State what has happened to the light intensity incident on the LDR and the temperature of the thermistor.
intensity of incident light on LDR: …………………………………………………………………………..
temperature of thermistor: …………………………………………………………………………………….
(ii) Explain what happens to the reading on the voltmeter.
▶️Answer/Explanation
6(a) work done by a unit charge passing through a component
(electrical) work done AND moving charge
6(b) p.d. = E – reading on voltmeter OR subtract reading on voltmeter from E
6(c) (i) (intensity of light on LDR) increased
AND
(temperature of thermistor) decreased
(ii) reading on voltmeter / it decreases
Any two from:
1. e.m.f. is constant
2. \(R_{LDR}\)/\(R_{thermistor}\) decreases OR \(R_{LDR}\) is a smaller proportion of the total resistance
3. \(V_{LDR}\)/ \(V_{thermistor}\) decreases OR \(V_{LDR}\) is a smaller proportion of e.m.f.
4. \(\frac{R1}{R2} = \frac{V1}{V2}\)
Question 7
Topic – (a) 4.5.3 Magnetic effect of a current
Topic – (b) 4.5.3 Magnetic effect of a current
Topic – (c) 4.5.1 Electromagnetic induction
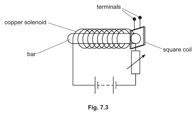
A solid bar is inside a copper solenoid. Fig. 7.1 shows that the copper solenoid is connected in series with a battery and a variable resistor.

The device shown in Fig. 7.1 is an electromagnet.
(a) Suggest a suitable material for the bar.
(b) The right-hand end of the bar is the S pole.
(i) Fig. 7.2 shows the bar viewed from above.
On Fig. 7.2, draw at least six field lines to show the pattern and direction of the magnetic
field surrounding the bar.

(ii) The resistance of the variable resistor increases.
Explain what happens to the magnetic field surrounding the bar and state how the pattern of field lines that represents the field changes.
(c) A square coil of many turns is placed close to the bar.
Fig. 7.3 shows the plane of the square coil parallel to the flat circular surface at the right-hand end of the bar.

The resistance of the variable resistor is alternately increased and decreased.
Explain what happens in the wires of the square coil.
▶️Answer/Explanation
7(a) (soft) iron
7(b) (i) (at least) one complete field line between the poles of the bar (either above or below the bar)
no crossing AND attempt at correct shape AND at least six lines from/to poles
at least one arrowhead towards S pole
(ii) current (in the coil) decreases
(current decreases so magnetic field) strength decreases
(field strength decreases so) fewer field lines (in same area) OR (field strength decreases so) field lines further apart
7(c) Any two from:
1. (changing resistance causes) changing current (through solenoid)
2. (changing current causes) changing magnetic field (around solenoid)
3. (square) coil cuts (changing) magnetic field OR coil in changing magnetic field
e.m.f. induced (between terminals)
Question 8
Topic – (a) 5.1.1 The atom
Topic – (b) 5.1.1 The atom
Topic – (c) 5.2.3 Radioactive decay
Topic – (d) 5.2.4 Half-life
The nuclide notation for the radioactive isotope carbon-14 is \(_{6}^{14}\textrm{C}\).
(a) Using the symbols shown in Fig. 8.1, draw a diagram to show the number of electrons,
neutrons and protons in a neutral atom of carbon-14 and how they are arranged.

(b) Describe how the composition of a neutral atom of carbon-14 is different from the composition of a neutral atom of nitrogen-14 [\(_{7}^{14}\textrm{N}\)]
(c) Carbon-14 decays by beta (β) emission.
(i) State the name of a particle that is identical to a beta-particle.
(ii) Describe the change that takes place in carbon-14 as a beta-particle is emitted.
(d) The half-life of carbon-14 is 5700 years.
A very old object is made of wood. It contains 1.2 × 1011 atoms of carbon-14. When it was manufactured, it contained 9.6 × 1011 atoms of carbon-14.
Determine the time that has passed since it was manufactured.
time passed = …………………………………………………
▶️Answer/Explanation
8(a) 6 electrons AND 6 protons (i.e. 6 × AND 6 proton )
8 neutrons (i.e. 8 )
protons and neutrons in nucleus AND electrons orbiting nucleus
8(b) (carbon) has one more neutron OR nitrogen has one fewer neutron
(carbon) has one fewer proton / electron OR nitrogen has one more proton / electron
8(c) (i) electron
(ii) a neutron changes into a proton (and electron)
8(d) 17,000 years
1.2 × \(10^{11}\)/9.6 × \(10^{11}\) OR \(\frac{1}{8}\) OR one halving seen e.g. 9.6 × \(10^{11}\) ÷ 2
3 (half-lives) OR \(\frac{1}{8}\) × 9.6 × \(10^{11}\) = 1.2 × \(10^{11}\)
Question 9
Topic – (a) 6.2.3 The Universe
Topic – (b) 6.2.3 The Universe
Topic – (c) 6.2.3 The Universe
The Milky Way is the galaxy in which the Solar System is located.
(a) State what a galaxy is.
(b) The Milky Way has a diameter that is approximately equal to 100 000 light-years.
Determine this distance in kilometres (km).
distance = …………………………………………… km
(c) Astronomers determine the speed and distance from the Earth of a far galaxy that is moving away from the Earth.
(i) State one observation that allows the speed at which a galaxy is moving away to be determined.
(ii) State one different observation that is used to determine the distance to a far galaxy.
(iii) State how the speeds of galaxies and their distances from the Earth are related.
(iv) The best estimate for the Hubble constant \(H_{0}\) is 2.2 × \(10^{–18}\) per second.
Use this value to calculate an estimate for the age of the Universe.
age of the Universe = ……………………………………………… s
▶️Answer/Explanation
9(a) group / collection of (billions of) stars
9(b) 9.5 × \(10^{17}\) km
1 light-year = 9.5 × \(10^{15}\) (m) OR 1 light-year = 3 × \(10^{8}\) × 365 × 24 × 3600
9(c) (i) increase in wavelength (of light from far galaxy) OR (amount of) redshift
(ii) brightness of a supernova
(iii) (their) speeds are (directly) proportional to distances (from Earth) OR \(H_{0}\)= v / d
(iv) 4.5 × \(10^{17}\) s
age of Universe = 1 / \(H_{0}\) OR 1 / (2.2 × \(10^{–18}\))
