Question 1
(a) A rocket has an initial mass of $7.4 \times 10^{6}\text{ kg}$.
(i) Calculate the initial weight of the rocket.
(ii) Define, in words, the term weight.
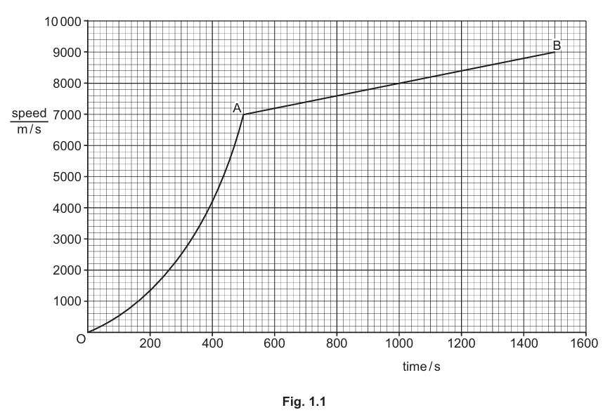
(b) Fig. 1.1 shows part of the speed–time graph for the rocket as it leaves the ground and travels into space.

(i) Describe the motion of the rocket:
From O to A ………………………………….
From A to B ………………………………….
(ii) Draw a tangent to the graph at time $= 400\text{ s}$ and use this to calculate the acceleration of the rocket at this time. Show your working.
(c) Rockets are used to launch satellites into space. When the satellite is released, the rocket returns to the Earth.
Explain in terms of forces why the rocket reaches terminal velocity as it travels through the atmosphere back to the Earth.
Most-appropriate topic codes (Cambridge IGCSE Physics 0625):
• Topic 1.3 — Mass and weight (Part (a))
• Topic 1.2 — Motion (Part (b))
• Topic 1.5.1 — Effects of forces (Part (c))
▶️ Answer/Explanation
Correct Answer: $7.3 \times 10^{7}\text{ N}$
Detailed solution: Weight is calculated using $W = mg$, where $g = 9.8\text{ m/s}^2$. Substituting the given mass yields $W = (7.4 \times 10^6) \times 9.8 = 7.252 \times 10^7\text{ N}$, which rounds to $7.3 \times 10^7\text{ N}$ to two significant figures.
Correct Answer: Weight is the gravitational force on a mass / an object (with mass).
Detailed solution: Weight is a vector quantity representing the force exerted on an object’s mass by a gravitational field. It is directly proportional to the mass of the object and the local gravitational field strength.
Correct Answer: From O to A: increasing acceleration. From A to B: constant / uniform acceleration.
Detailed solution: The gradient of a speed-time graph represents acceleration. From O to A, the curve’s gradient is continuously steepening, indicating an increasing rate of change of speed. From A to B, the graph is a straight line with a constant positive gradient, showing steady acceleration.
Correct Answer: $17\text{ m/s}^2 \leqslant \text{acceleration} \leqslant 23\text{ m/s}^2$ (value dependent on tangent drawn).
Detailed solution: Instantaneous acceleration is the gradient at $t=400\text{ s}$. A tangent drawn at this point provides a right-angled triangle. The gradient is calculated as $\frac{\Delta y}{\Delta x}$ (change in speed / change in time), which should fall within the accepted range based on accurate drawing and reading of the graph scales.
Correct Answer: Resistive force / air resistance / drag increases as velocity increases until gravitational force is balanced by air resistance (at terminal velocity).
Detailed solution: As the rocket falls, its speed initially increases due to the unbalanced force of gravity. This higher speed causes the opposing air resistance force to grow. Terminal velocity is reached when the upward air resistance equals the downward weight, resulting in zero net force and constant velocity.
Question 2
Fig. 2.1 shows a golfer about to hit a golf ball with a golf club. The initial momentum of the golf ball is zero.

The velocity of the golf ball as it leaves the golf club is $41\text{ m/s}$. The golf ball has a mass of $0.046\text{ kg}$.
Most-appropriate topic codes (Cambridge IGCSE Physics 0625):
• Topic 1.6 — Momentum (Part (a))
• Topic 1.6 — Momentum (Part (b))
▶️ Answer/Explanation
Correct Answer: (momentum is) mass × velocity
Detailed solution: Momentum is a vector quantity defined as the product of an object’s mass and its velocity. It describes the quantity of motion an object possesses and is directly proportional to both mass and velocity.
Correct Answer: $1.9\text{ N s}$ OR $1.9\text{ kg m/s}$
Detailed solution: Impulse is equal to the change in momentum. Since the initial momentum is zero, impulse equals the final momentum: $mv = 0.046 \times 41 = 1.886\text{ N s}$, which rounds to $1.9\text{ N s}$.
Correct Answer: $3800\text{ N}$
Detailed solution: Force is the rate of change of momentum. Using $F = \frac{\Delta p}{\Delta t}$ or $F = \frac{\text{impulse}}{t}$, we calculate $F = \frac{1.886}{5.0 \times 10^{-4}} = 3772\text{ N}$, which is approximately $3800\text{ N}$ to two significant figures.
Question 3
The useful output from the turbine in 1.0 s is 6000 J. The kinetic energy of the wind hitting the turbine in 1.0 s is 11 000 J. The velocity of the wind hitting the turbine is 6.3 m / s.
Suggest one reason why tidal energy is a more useful energy resource than wind energy.
Ignore the costs of construction and maintenance.
Most-appropriate topic codes (Cambridge IGCSE Physics 0625):
• Topic 1.7.3 — Energy resources (Part (a) and Part (c))
• Topic 1.7.4 — Power (Part (b))
▶️ Answer/Explanation
Correct Answer: any two from: fossil fuels / named fossil fuel, biofuels / named biofuel / biomass, wave(s), wind (turbines), hydroelectric, solar panels / solar cells
Detailed solution: Radiation from the Sun is the primary energy source for resources that depend on solar heating, photosynthesis, or weather patterns. Wind and waves are driven by solar heating of the atmosphere, while hydroelectric power relies on the water cycle powered by the Sun.
Correct Answer: m = 11000 × 2 ÷ [6.3]² OR m = 11000 × 2 ÷ [39.69] OR 554 kg SEEN
Detailed solution: The kinetic energy equation $E_{\mathrm{k}} = \frac{1}{2}mv^{2}$ is rearranged to find mass $m = \frac{2E_{\mathrm{k}}}{v^{2}}$. Substituting $E_{\mathrm{k}} = 11000\text{ J}$ and $v = 6.3\text{ m/s}$ gives $m = \frac{22000}{39.69} \approx 554\text{ kg}$, which is approximately $550\text{ kg}$ as required.
Correct Answer: 55 %
Detailed solution: Efficiency is the ratio of useful energy output to total energy input, expressed as a percentage: $\text{efficiency} = \frac{\text{useful energy out}}{\text{total energy in}} \times 100\%$. Using $\frac{6000}{11000} \times 100\%$ yields $54.54\%$, which rounds to $55\%$.
Correct Answer: (tides) follow a regular / predictable pattern OR (tides) are reliable ORA for wind
Detailed solution: Tidal movements are governed by the gravitational pull of the Moon and Sun, resulting in a highly regular and predictable cycle. Wind energy, in contrast, is intermittent and less reliable as wind speeds vary with weather conditions.
Question 4
Fig. 4.1 shows a pressure cooker on an electric heating element. The cooker has a tight-fitting lid.

(a) The pressure cooker is half-full of water. As the water is heated some water evaporates before the water boils.
Describe two differences between evaporation and boiling of the water in the cooker.
(b) As the water is heated, the pressure of the gas inside the cooker increases.
Explain this increase in pressure in terms of particles.
Most-appropriate topic codes (Cambridge IGCSE Physics 0625):
• Topic 2.2.3 — Melting, boiling and evaporation (Part (a))
• Topic 2.1.3 — Gases and the absolute scale of temperature (Part (b))
▶️ Answer/Explanation
Correct Answer: boiling happens at a specific temperature OR evaporation happens at a range of temperatures (below the boiling point); evaporation happens at the surface of the water OR boiling happens throughout the water
Detailed solution: Boiling occurs at a fixed temperature (the boiling point) and involves bubble formation throughout the liquid’s volume. Evaporation, in contrast, is a slower surface phenomenon that takes place at any temperature, driven by the escape of the most energetic surface molecules.
Correct Answer: any four from: (as the water is heated) the number of gas particles increases; (particles) gain internal/kinetic energy; (there are) more frequent collisions between particles and surface/wall/lid of the cooker; (each) collision (of particles) is harder/exerts more force (on cooker surface) OR greater change of momentum when particles collide (on cooker surface); pressure ∝ (total) force (of collisions) OR pressure = force/area
Detailed solution: Heating increases the kinetic energy of water molecules, enabling more to escape as vapor, thus raising the number of gas particles. These faster, more numerous particles strike the cooker walls with greater force and frequency, resulting in a higher overall pressure inside the sealed vessel.
Question 5
On a sunny day, the temperatures of a black tarmac road and the air above the road increase.
(a) Explain why the surface temperature of the tarmac increases.
(b) State the method of thermal energy transfer from the tarmac to the air immediately above the road.
(c) State the main method of thermal energy transfer from the air immediately above the road to the rest of the air.
(d) Explain why the surface temperature of the tarmac is higher than the surrounding air temperature.
Most-appropriate topic codes (Cambridge IGCSE Physics 0625):
• Topic 2.3.3 — Radiation (Part (a))
• Topic 2.3.1 — Conduction (Part (b))
• Topic 2.3.2 — Convection (Part (c))
• Topic 2.3.3 — Radiation (Part (d))
▶️ Answer/Explanation
Correct Answer: (tarmac / it) absorbs infrared radiation (emitted from the Sun)
Detailed solution: The Sun emits thermal radiation, primarily in the infrared region, which travels through space and the atmosphere. The black tarmac surface is a good absorber of this infrared radiation, converting the radiant energy into internal energy and causing its temperature to rise.
Correct Answer: conduction
Detailed solution: Thermal energy transfers from the hot tarmac surface to the thin layer of air directly in contact with it. This transfer occurs through conduction, where vibrating particles in the hot solid surface collide with the air particles, passing on kinetic energy.
Correct Answer: convection
Detailed solution: Once the air immediately above the road is heated by conduction, it expands and becomes less dense. This warmer, less dense air rises and is replaced by cooler, denser air, setting up a convection current that distributes thermal energy throughout the rest of the air.
Correct Answer: any two from:
1. black / tarmac is a better absorber (of radiation) than air
2. tarmac is a poor emitter (at low / this temperature)
3. thin layer of tarmac / very large volume / column of air above road
Detailed solution: The tarmac surface becomes hotter than the air because its dark colour makes it a much more efficient absorber of solar radiation compared to transparent air. Furthermore, the tarmac is a solid with a higher specific heat capacity and emits energy slowly, while the large volume of air above constantly disperses heat via convection.
Question 6
(a) A student plays the violin near the doorway to a large room. Fig. 6.1 shows a young teacher standing where he can hear the sound but cannot see the student.

Explain why the young teacher hears the frequency calculated in (a)(ii) clearly but finds a frequency of 3500 Hz much harder to hear.
On Fig. 6.1:
• draw a light ray from the violin to point X and from point X to the teacher
• draw and label the mirror
• add an arrow to the ray to show how the teacher sees the student.
Use a ruler and sharp pencil for this drawing.
Most-appropriate topic codes (Cambridge IGCSE Physics 0625):
• Topic 3.4 — Sound (Part (a))
• Topic 3.2.1 — Reflection of light (Part (b))
▶️ Answer/Explanation
Correct Answer: diffraction
Detailed solution: Diffraction is the spreading of waves around obstacles or through gaps. The sound waves from the violin bend around the edge of the doorway, allowing the teacher to hear the sound despite not having a direct line of sight.
Correct Answer: 450 Hz
Detailed solution: The relationship between wave speed, frequency, and wavelength is given by $v = f\lambda$. Using the values $v = 340\text{ m/s}$ and $\lambda = 0.75\text{ m}$, we calculate $f = \frac{v}{\lambda} = \frac{340}{0.75} \approx 453.3\text{ Hz}$, which rounds to $450\text{ Hz}$.
Correct Answer: large diffraction when gap size/doorway is similar to wavelength; high frequency/3500 Hz has (much) shorter wavelength AND there is less diffraction (with shorter wavelengths).
Detailed solution: Significant diffraction occurs when the wavelength is approximately the same size as the gap. The 450 Hz sound has a wavelength ($0.75\text{ m}$) similar to the doorway width, causing it to spread out widely. The 3500 Hz sound has a much shorter wavelength, resulting in minimal diffraction and poor spread.
Correct Answer: ray drawn from the violin to point X AND from point X to the teacher; mirror drawn at point X and labelled AND angle of incidence = angle of reflection; correct arrow on incident ray OR correct arrow on reflected ray.
Detailed solution: For the teacher to see the student via a plane mirror, light must travel from the violin to the mirror at X and then reflect to the teacher’s eye. The law of reflection states that the angle of incidence equals the angle of reflection, which must be shown by the drawn rays relative to the normal of the mirror placed at X.
Question 7
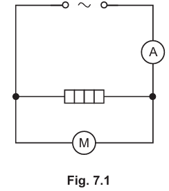
A washing machine has an electric motor and an electric heater.
Fig. 7.1 shows a simplified circuit diagram for the washing machine.

The heater has a resistance of 25 Ω and the power supply has an electromotive force (e.m.f.) of 230 V.
(a) State the meaning of electromotive force.
(b) State the potential difference (p.d.) across the heater.
(c) Calculate the current in the heater.
(d) The current in the motor is 1.6 A.
Determine the reading on the ammeter in Fig. 7.1. Explain your answer.
Most-appropriate topic codes (Cambridge IGCSE Physics 0625):
• Topic 4.2.3 — Electromotive force and potential difference (Part (a) and Part (b))
• Topic 4.2.4 — Resistance (Part (c))
• Topic 4.3.2 — Series and parallel circuits (Part (d))
▶️ Answer/Explanation
Correct Answer: (e.m.f. is the electrical) work done (by a source in) moving a unit charge around a (complete) circuit.
Detailed solution: Electromotive force (e.m.f.) is defined as the energy transferred per unit charge by a source (such as a battery or generator) to drive charge completely around a closed circuit. It represents the total work done to move a unit charge through the entire circuit.
Correct Answer: 230 V
Detailed solution: In the circuit diagram, the heater is connected directly in parallel with the power supply. For components connected in parallel, the potential difference across each branch is equal to the source voltage. Therefore, the potential difference across the heater is equal to the e.m.f. of the supply, which is 230 V.
Correct Answer: 9.2 A
Detailed solution: The current flowing through the heater can be calculated using the relationship between resistance, potential difference, and current, given by the formula $I = \frac{V}{R}$. Substituting the given values for the heater yields $I = \frac{230\text{ V}}{25\text{ }\Omega} = 9.2\text{ A}$.
Correct Answer: Ammeter reading = 1.6 + 9.2 = 10.8 A
Detailed solution: The ammeter is positioned to measure the total current supplied by the source before it splits into the parallel branches. According to Kirchhoff’s current law, the sum of the currents entering a junction equals the sum leaving it. Thus, the total current is the sum of the individual branch currents: $I_{\text{total}} = I_{\text{motor}} + I_{\text{heater}} = 1.6\text{ A} + 9.2\text{ A} = 10.8\text{ A}$.
Question 8
A fisherman uses high frequency sound waves to locate fish in the sea.
Fig. 8.1 shows the sound waves emitted from the boat.

The speed of sound in water is 1500 m/s. The seabed is 22 m below the boat.
Calculate the time taken for the boat to receive the reflected wave from the seabed after the sound is emitted.

Most-appropriate topic codes (Cambridge IGCSE Physics 0625):
• Topic 3.4 — Sound (Part (a))
• Topic 3.4 — Sound (Part (b))
• Topic 3.4 — Sound (Part (c))
▶️ Answer/Explanation
Correct Answer: ultrasound
Detailed solution: Sound waves with frequencies above the upper limit of human hearing (which is approximately $20\text{ kHz}$) are known as ultrasound. This high-frequency sound is used in applications such as sonar and medical imaging.
Correct Answer: $0.029\text{ s}$
Detailed solution: The sound must travel down to the seabed and back up, so the total distance is $2 \times 22 = 44\text{ m}$. Using the wave speed equation $v = s/t$, the time taken is $t = s/v = 44 / 1500$. This calculation yields $0.0293\text{ s}$, which is rounded to $0.029\text{ s}$.
Correct Answer: reflected wave is weaker / has smaller amplitude
Detailed solution: The fish is much smaller than the seabed, so it presents a smaller reflecting surface. Consequently, only a small fraction of the emitted sound energy is reflected back towards the boat, resulting in a received echo that has a lower amplitude (is quieter/weaker) compared to the strong reflection from the large, flat seabed.
Question 9
Fig. 9.1 shows a wireless charging plate used to charge the battery in a mobile phone (cell phone).
The coil of wire is part of an electric circuit.

The charging plate is connected to an a.c. power supply. The power supply is turned on.
(a) Describe the magnetic field around the charging plate in terms of its magnitude and direction.
(b) A mobile phone is placed on the charging plate as shown in Fig. 9.2. The coil in the mobile phone is part of a separate circuit that charges the battery.

The coil in the charging plate and the coil in the mobile phone act like a transformer.
(i) Explain why there is a current in the secondary coil shown in Fig. 9.2.
(ii) Suggest why the transformer made from the charging plate and mobile phone is not 100% efficient.
(c) The mobile phone battery can be recharged using this charging plate and stores 4.5 × 104 J of energy when fully recharged. The current in the secondary coil is 0.63 A when the output voltage is 12 V.
(i) Calculate the time taken to fully recharge a completely uncharged battery.
(ii) Calculate the charge passing through the battery in 60 s.
Most-appropriate topic codes (Cambridge IGCSE Physics 0625):
• Topic 4.5.3 — Magnetic effect of a current (Part (a))
• Topic 4.5.6 — The transformer (Part (b))
• Topic 4.2.5 — Electrical energy and electrical power (Part (c))
▶️ Answer/Explanation
Correct Answer: The magnitude is constantly changing and the direction changes continuously (or it is perpendicular to the current).
Detailed solution: The charging plate carries alternating current (a.c.), which produces a magnetic field whose magnitude continuously varies and whose direction reverses periodically. Additionally, the field strength is greater closer to the coil, and the field lines form concentric circles perpendicular to the direction of the current flow.
Correct Answer: The secondary coil experiences a changing magnetic field, which induces a voltage across it.
Detailed solution: Electromagnetic induction occurs because the secondary coil in the phone is placed within the changing magnetic field generated by the primary coil. This varying magnetic flux linkage causes an induced electromotive force (e.m.f.), driving a current through the secondary circuit to charge the battery.
Correct Answer: There is no iron core to link the magnetic flux between the two coils, so energy is lost.
Detailed solution: An ideal transformer uses a soft iron core to confine and direct the magnetic field from the primary to the secondary coil. In this wireless setup, the flux linkage is much weaker as it travels through air, leading to flux leakage. Furthermore, resistive heating in the coils dissipates some electrical energy as thermal energy, reducing overall efficiency.
Correct Answer: $6000\text{ s}$ (or $1\text{ h }40\text{ min}$)
Detailed solution: The energy stored in the battery is $E = 4.5 \times 10^4\text{ J}$. Using the electrical power equation $E = VIt$, we rearrange for time: $t = \frac{E}{IV}$. Substituting the given values gives $t = \frac{4.5 \times 10^4\text{ J}}{0.63\text{ A} \times 12\text{ V}} = \frac{45000}{7.56} \approx 5952\text{ s}$, which rounds to $6000\text{ s}$ considering significant figures.
Correct Answer: $38\text{ C}$
Detailed solution: Electric current is the rate of flow of charge, defined by $I = \frac{Q}{t}$. Rearranging for charge gives $Q = It$. Substituting the given values for the $60\text{ s}$ interval: $Q = 0.63\text{ A} \times 60\text{ s} = 37.8\text{ C}$. This is conventionally rounded to $38\text{ C}$ (two significant figures to match the time value).
Question 10
Carbon-14 (\(_{6}^{14}\textrm{C}\)) is a radioactive isotope of carbon. Carbon-12 (\(_{6}^{12}\textrm{C}\)) is not radioactive.
(a) Explain how an atom of carbon-14 (\(_{6}^{14}\textrm{C}\)) differs from an atom of carbon-12 (\(_{6}^{12}\textrm{C}\)).
(b) All living organisms contain both carbon-12 atoms and carbon-14 atoms. The ratio of carbon-14 to carbon-12 is 1 : 1 × \(10^{12}\).
Carbon-14 has a half-life of 5700 years.
(i) When an organism dies no new carbon is absorbed. The amount of carbon-12 in the dead organism remains fixed.
Describe how the amount of carbon-14 in the dead organism decreases with time.
(ii) A sample of wood contains carbon-14 to carbon-12 atoms in the ratio 1 : 4 × \(10^{12}\).
Calculate how many years ago the tree died.
(c) Other radioactive isotopes have different half-lives.
Suggest a use of a radioactive isotope with a half-life of one hour.
Explain why a short half-life is suitable for this use.
Most-appropriate topic codes (Cambridge IGCSE Physics 0625):
• Topic 5.1.2 — The nucleus (Part (a))
• Topic 5.2.4 — Half-life (Part (b))
• Topic 5.2.5 — Safety precautions (Part (c))
▶️ Answer/Explanation
Correct Answer: (nucleus of carbon-14 contains) more neutrons OR (nucleus of) carbon-12 has fewer neutrons
Detailed solution: Both carbon-12 and carbon-14 have the same number of protons (6) because they are the same element. However, the nucleon number (mass number) is 14 for the isotope instead of 12, indicating it possesses two additional neutrons in its nucleus, which also makes it unstable (radioactive).
Correct Answer: Every 5700 years the (remaining) carbon-14 decreases by half OR amount of C-14 halved every half life
Detailed solution: Radioactive decay is exponential in nature. After death, the carbon-14 is no longer replenished and its nuclei decay randomly. The quantity halves after one half-life (5700 years), halves again after another 5700 years, and continues decreasing at a decreasing rate over time.
Correct Answer: 11,000 (years ago)
Detailed solution: The initial ratio is $1 : 1 \times 10^{12}$. The measured ratio is $1 : 4 \times 10^{12}$. Since carbon-12 is fixed, the carbon-14 amount is now one-quarter ($\frac{1}{4}$) of the original. This corresponds to two half-lives ($\frac{1}{2} \times \frac{1}{2} = \frac{1}{4}$). Therefore, $2 \times 5700 = 11,400$ years, rounded to 11,000 years.
Correct Answer: medical tracers OR medical imaging OR medical diagnosis
Detailed solution: A short half-life (e.g., one hour) is ideal for medical tracers because the radioactive material emits radiation long enough to be detected by scanners but decays quickly afterward. This minimizes the patient’s exposure time and reduces the overall radiation dose and potential harm to healthy body tissue.
Question 11
(a) (i) State the name of one planet that has an orbit further away from the Sun than Venus.
(a) (ii) State the name of one planet that has an orbit closer to the Sun than Venus.
(b) Venus has an average radius of orbit of \(1.1 \times 10^{11}\text{ m}\) and an orbital period of \(220\) Earth days.
Calculate the average orbital speed of Venus. Give your answer in \(\text{m/s}\).
(c) State the relationship between the orbital speeds of the planets and their distances from the Sun.
(d) Comets are balls of ice and dust. Some comets orbit the Sun.
State how the speed of a comet changes as it orbits the Sun.
Explain your answer using ideas about the conservation of energy.
You may include a labelled diagram in your answer.
Most-appropriate topic codes (Cambridge IGCSE Physics 0625):
• Topic 6.1.2 — The Solar System (Parts (a), (b), (c), (d))
▶️ Answer/Explanation
Correct Answer: Earth / Mars / Jupiter / Saturn / Uranus / Neptune
Detailed solution: The planets orbit the Sun at specific distances based on their order from the Sun, starting with Mercury and followed by Venus. Therefore, any planet listed after Venus in the sequence (Earth, Mars, Jupiter, Saturn, Uranus, or Neptune) has an orbit with a larger average radius, meaning it is further away from the Sun.
Correct Answer: Mercury
Detailed solution: In the standard order of the eight planets from the Sun, Mercury is the first and innermost planet. Its orbit lies completely inside the orbit of Venus, making it the only planet closer to the Sun than Venus.
Correct Answer: \(3.6 \times 10^{4}\text{ m/s}\)
Detailed solution: The orbital speed is calculated using the formula \(v = \frac{2\pi r}{T}\). First, convert the period \(T\) from Earth days to seconds: \(T = 220 \times 24 \times 60 \times 60 = 1.9 \times 10^{7}\text{ s}\). Substituting the values gives \(v = \frac{2 \pi \times (1.1 \times 10^{11})}{1.9 \times 10^{7}} \approx 3.64 \times 10^{4}\text{ m/s}\).
Correct Answer: The further away from the Sun, the slower the orbital speed.
Detailed solution: The gravitational field strength of the Sun decreases with distance. A planet further from the Sun experiences a weaker gravitational pull, which results in a lower required orbital speed to maintain a stable orbit, leading to longer orbital periods.
Correct Answer: The comet’s speed increases as it approaches the Sun and decreases as it moves away from the Sun.
Detailed solution: A comet follows a highly elliptical orbit. Due to the conservation of energy, its total energy remains constant. As it falls closer to the Sun, gravitational potential energy is transferred to kinetic energy, causing the comet to speed up. As it moves away, kinetic energy transfers back to gravitational potential energy, causing it to slow down.
