Question 1
(a) (i) State the difference between a scalar quantity and a vector quantity.
(ii) Define momentum.
(b) A test car crashes into a barrier to test the safety features. The test car has a total mass of 950 kg. It is moving with constant velocity from time t = 0 for 4.0 s. At t = 4.0 s, the car hits the barrier.
Fig. 1.1 shows the car as it hits the barrier.

(i) During the test crash, the resultant force acting on the car is 27 000 N. The car takes 1.5 s to come to rest. The deceleration is uniform.
Calculate the initial velocity of the car.
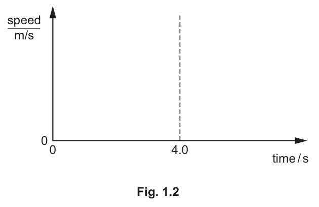
(ii) On Fig. 1.2, sketch a speed–time graph to show the motion of the car from time t = 0 until the car becomes stationary.

Most-appropriate topic codes (Cambridge IGCSE Physics 0625):
• Topic 1.1 — Physical quantities and measurement techniques (Part (a)(i))
• Topic 1.6 — Momentum (Part (a)(ii) and Part (b))
▶️ Answer/Explanation
Correct Answer: (scalar) does not have direction or vector has direction
Detailed solution: A scalar quantity is fully described by its magnitude (size) alone, such as mass or time. A vector quantity requires both a magnitude and a specific direction for its complete description, such as velocity or force.
Correct Answer: momentum = mass × velocity
Detailed solution: Momentum is a property of a moving object defined as the product of the object’s mass and its velocity. It is a vector quantity, having the same direction as the object’s velocity.
Correct Answer: 43 m/s
Detailed solution: The force equation relating to momentum change is $F = \frac{\Delta (mv)}{\Delta t}$ or impulse $F\Delta t = m\Delta v$. Given $F = 27000\text{ N}$, $\Delta t = 1.5\text{ s}$, $m = 950\text{ kg}$, and final velocity is $0$, the change in velocity is $\Delta v = \frac{F\Delta t}{m} = \frac{27000 \times 1.5}{950} \approx 42.6\text{ m/s}$, which rounds to $43\text{ m/s}$.
Correct Answer: straight horizontal line from y axis extending to t = 4.0 s; straight line from t = 4.0 s with negative gradient meeting the x axis (less than half-way between 4.0 and the end of the time axis)
Detailed solution: The graph should show constant speed from $t = 0$ to $t = 4.0\text{ s}$ as a horizontal line. At $t = 4.0\text{ s}$, the car begins uniform deceleration, represented by a straight line sloping downwards to meet the time axis at $t = 5.5\text{ s}$, the point where the car becomes stationary.
Question 2
(a) Describe an experiment to determine the spring constant of a spring.
State:
- the apparatus you need
- details of how to take measurements
- how to calculate the spring constant
You may use the space below to draw a labelled diagram as part of your answer.

Each spring is tested up to its limit of proportionality.
Define ‘limit of proportionality’.

Calculate the extension of each spring for this weight.
extension of spring Q = ………………………………………………………
extension of spring R = ………………………………………………………
State and explain which spring would be more suitable for the baby bouncer in Fig. 2.1.
Most-appropriate topic codes (Cambridge IGCSE Physics 0625):
• Topic 1.5.1 — Effects of forces (Part (a))
• Topic 1.5.1 — Effects of forces (Part (b))
▶️ Answer/Explanation
Correct Answer: hang mass/weight on the bottom of the spring; use a ruler/metre rule AND measure/calculate extension; use of $k = F/x$ to calculate the spring constant OR $k$ is the gradient of load-extension graph; any one of: repeat measurements using different masses/weights and plot a load against extension graph, measure final length and initial length of spring and subtract to obtain (magnitude of) extension/change in length, use a pointer on the bottom of spring to obtain more accurate measurements on ruler.
Detailed solution: Suspend the spring vertically with a mass hanger attached to its lower end. Measure the initial length of the spring without any load. Add known weights incrementally and measure the new length each time using a metre rule aligned with a pointer for precision. Calculate extension $x$ as the difference between stretched and unstretched length. Use the formula $k = F/x$ (force per unit extension) or determine $k$ from the reciprocal gradient of a force-extension graph plotted from the data.
Correct Answer: maximum load that can be applied when the extension is proportional to load OR the maximum force up to which the extension is proportional to the load.
Detailed solution: The limit of proportionality is the point on a load-extension graph beyond which Hooke’s law is no longer obeyed. Up to this limit, the extension of the spring is directly proportional to the applied force, and the graph forms a straight line through the origin.
Correct Answer: extension of spring Q = 15 cm or 0.15 m AND extension of spring R = 110 cm or 1.1 m.
Detailed solution: Using the spring constant formula $k = F/x$, the extension is $x = F/k$. For spring Q, $k_{\text{Q}} = 8.0\text{ N/cm}$, so $x_{\text{Q}} = 120\text{ N} \div 8.0\text{ N/cm} = 15\text{ cm}$. For spring R, $k_{\text{R}} = 1.1\text{ N/cm}$, so $x_{\text{R}} = 120\text{ N} \div 1.1\text{ N/cm} \approx 109.1\text{ cm}$, rounded to $110\text{ cm}$ as per the mark scheme.
Correct Answer: Q AND extension produced by Q is the right length to allow baby to just reach the floor with feet OR Q AND extension produced by R is too big (for gentle bounces in the space provided) OR R would make the baby collapse on floor (so unsafe) OR bouncer would have to be hung higher if R was used.
Detailed solution: Spring Q extends by $15\text{ cm}$, giving a total length of $25 + 15 = 40\text{ cm}$, which is a practical height for the baby to touch the ground safely. Spring R extends by $110\text{ cm}$, resulting in a total length of $135\text{ cm}$, which is excessive and would likely place the baby unsafely on the floor or require impractically high suspension.
Question 3
Fig. 3.1 shows a portable shower used on a campsite. The bag is filled with water. The water is heated using infrared radiation from the Sun.

(a) (i) Explain why the shower bag is painted black.
(a) (ii) Explain a disadvantage of radiation from the Sun being the only source to heat the water.
(b) Solar energy is a renewable energy resource.
State two other renewable energy resources.
(c) During the day, the Sun shines on the shower bag and some of the energy in the infrared radiation from the Sun transfers to the thermal energy stores of the water.
The water absorbs 60% of the energy incident on the bag. The temperature of the water rises from 10°C to 43°C.
The mass of the water in the bag is 40 kg. The specific heat capacity of water is 4200 J / (kg °C).
Calculate the energy incident on the shower bag during the day.
Show your working.
Most-appropriate topic codes (Cambridge IGCSE Physics 0625):
• Topic 2.3.3 — Radiation (Part (a))
• Topic 1.7.3 — Energy resources (Part (b))
• Topic 2.2.2 — Specific heat capacity (Part (c))
▶️ Answer/Explanation
Correct Answer: good/better absorber (of radiation) OR bad/poor/worse reflector (of radiation)
Detailed solution: The shower bag is painted black because black surfaces are excellent absorbers of infrared radiation. This maximizes the amount of thermal energy absorbed from the Sun, allowing the water inside to heat up more efficiently.
Correct Answer: doesn’t work at night/in cloud cover/when there is no sun OR (sun has) variable output
Detailed solution: A key disadvantage is the unreliability of solar radiation. Heating depends entirely on direct sunlight; therefore, the shower will not function effectively during nighttime, overcast weather conditions, or periods of heavy cloud cover.
Correct Answer: Any two from: hydroelectric, tidal, wave, wind, geothermal, biofuels
Detailed solution: Renewable energy resources are those that are naturally replenished on a human timescale. Examples other than solar energy include wind power (using turbines), hydroelectric power (from flowing water), geothermal energy (heat from the Earth), and tidal/wave power.
Correct Answer: 9.2 × 10⁶ J OR 9 200 000 J
Detailed solution: First, find the useful thermal energy absorbed by the water: $E_{useful} = mc\Delta\theta = 40 \times 4200 \times (43 – 10) = 5,544,000\text{ J}$. Since this is only 60% of the incident energy, the total incident energy is $E_{incident} = \frac{E_{useful}}{0.60} = \frac{5,544,000}{0.6} \approx 9,240,000\text{ J}$.
Question 4
(a) Fig. 4.1 shows a ray of light as it enters the side of a plastic block. The ray of light passes from air into the plastic.

Show your working.

(ii) State two uses for optical fibres.
Most-appropriate topic codes (Cambridge IGCSE Physics 0625):
• Topic 3.2.2 — Refraction of light (Part (a))
• Topic 3.2.2 — Refraction of light (Part (b))
▶️ Answer/Explanation
Correct Answer: speed decreases, wavelength decreases, frequency unchanged
Detailed solution: When light enters a denser medium like plastic from air, its speed decreases. Since the frequency of a wave is determined solely by its source and remains constant across boundaries, the decrease in speed ($v = f\lambda$) causes a proportional decrease in wavelength.
Correct Answer: $n = \frac{\sin 45^\circ}{\sin 30^\circ}$
Detailed solution: According to Snell’s law, the refractive index $n = \frac{\sin i}{\sin r}$. From the diagram, the angle of incidence $i$ in air is $45^\circ$ and the angle of refraction $r$ in plastic is $30^\circ$. Calculation yields $\frac{\sin 45^\circ}{\sin 30^\circ} = \frac{0.707}{0.5} = 1.414$, which rounds to $1.4$.
Correct Answer: $46^\circ$ (or $45.6^\circ$)
Detailed solution: The critical angle $c$ is defined by the relationship $\sin c = \frac{1}{n}$. Substituting the refractive index $n = 1.4$ found in part (ii), we get $\sin c = \frac{1}{1.4} = 0.714$. Taking the inverse sine, $c = \sin^{-1}(0.714) \approx 45.6^\circ$, which is given as $46^\circ$ to two significant figures.
Correct Answer: Ray P undergoes total internal reflection with $i = r$, reaching the end after 2 or 3 reflections.
Detailed solution: Inside the optical fibre, the angle of incidence at the boundary is greater than the critical angle. This causes the light ray to undergo total internal reflection repeatedly. The law of reflection dictates that the angle of incidence equals the angle of reflection at each bounce, guiding the ray along the core to the opposite end.
Correct Answer: Internet / broadband communication AND medical endoscopes.
Detailed solution: Optical fibres are widely used in telecommunications to transmit data as pulses of light over long distances with minimal loss (high-speed internet and cable TV). In medicine, they are essential components of endoscopes, allowing doctors to view internal passages of the body without invasive surgery.
Question 5
Fig. 5.1 shows a metal sphere S. The sphere has been charged with a negative charge.

On Fig. 5.1, draw four field lines to show the pattern of the field and indicate the direction of the field with arrows on the lines.
A small negatively charged particle is placed at position X.

Describe the motion of the small negatively charged particle due to the electric field around sphere S.

Suggest and explain one advantage to using charged paint from a spray gun to paint sphere S.
Most-appropriate topic codes (Cambridge IGCSE Physics 0625):
• Topic 4.2.1 — Electric charge (Part (a))
• Topic 4.2.1 — Electric charge (Part (b))
▶️ Answer/Explanation
Correct Answer: four evenly spaced radial lines touching S AND no lines inside S; at least one arrow pointing towards S and none incorrect
Detailed solution: An electric field pattern around a charged sphere consists of straight, radial lines originating from or converging on the center of the sphere. Since sphere S carries a negative charge, the electric field lines point radially inward toward its center. The lines must be spaced symmetrically and should not be drawn inside the conducting sphere itself.
Correct Answer: to the left OR away from the sphere / S
Detailed solution: The direction of an electric field is defined as the direction of force on a positive test charge. Since sphere S is negatively charged, the field points inward. A negatively charged particle experiences a force opposite to the field direction, meaning it is repelled away from sphere S. At position X, this results in a force directed to the left.
Correct Answer: accelerates (due to a resultant force); (moves) away from the (centre of the) sphere
Detailed solution: When the negatively charged particle is released from rest, the repulsive electrostatic force from the negatively charged sphere S acts as an unbalanced resultant force. According to Newton’s second law, this force causes the particle to accelerate. The direction of this acceleration is directly away from the center of sphere S.
Correct Answer: like charges repel
Detailed solution: As the paint particles exit the nozzle, they all acquire the same type of charge (positive). According to the fundamental law of electrostatics, like charges exert a repulsive force on each other. This mutual repulsion between the identically charged paint particles causes the spray to fan out or spread into a fine mist.
Correct Answer: advantage: more even coat or less chance of paint particles clumping together or less chance of creating thicker patches; explain: positive / paint particles are attracted (by the same amount) to all parts of the negative sphere so they spread out or paint creates a fine mist so spreads out (over the surface)
OR advantage: more durable or better adhesion or cheaper or high transfer efficiency or less paint wasted or fewer drips or less paint sag or less overspray on floor / walls; explain: the positive/paint is attracted to the negative sphere / charges and forms a strong(er) bond
OR advantage: quicker to paint; explain: all surface is painted at the same time without having to turn the sphere / go around the other side owtte
Detailed solution: Electrostatic spray painting offers several advantages over traditional methods. The charged paint droplets are electrostatically attracted to the oppositely charged object, which ensures that the paint wraps around the surface and adheres uniformly. This process minimizes wasted paint due to overspray and creates a more consistent finish with less manual effort required to access all sides of the object.
Question 6
(a) A car windscreen is covered in condensation (small droplets of water). Thermal energy is used to remove the droplets of water. The thermal energy is provided by three resistors on the windscreen.
Fig. 6.1 shows two possible circuits for the three resistors.
The three resistors are identical.

(i) Describe two advantages of using Circuit B.
(ii) Describe, in terms of the water particles, the process by which the water droplets are removed from the car windscreen using the heater.
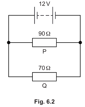
(b) Fig. 6.2 shows a circuit containing two resistors, P and Q. The circuit is powered by a 12 V battery.

(i) Calculate the current in resistor Q.
(ii) Calculate the energy transferred electrically when the current calculated in (b)(i) is present in resistor Q for 5 minutes.
(iii) Energy is transferred from the battery by the electrical current.
State the energy store in the battery.
(iv) Calculate the total resistance of the circuit.
Most-appropriate topic codes (Cambridge IGCSE Physics 0625):
• Topic 2.2.3 — Melting, boiling and evaporation (Part (a)(ii))
• Topic 4.3.2 — Series and parallel circuits (Part (a)(i) and Part (b))
▶️ Answer/Explanation
Correct Answer: any two from: if one resistor fails/breaks the others will still work; each resistor gets the full voltage/12 V or lower (total) resistance or higher current; higher power.
Detailed solution: Circuit B is a parallel arrangement. In a parallel circuit, each component is connected independently across the power supply, meaning the failure of one resistor does not interrupt the operation of the others. Additionally, each resistor receives the full source voltage, resulting in a lower overall circuit resistance and a higher total power output compared to a series circuit.
Correct Answer: any two from: evaporation/water evaporates; energy (from heater) transfers to particles OR particles gain energy (from the heater); more energetic particles escape (from water/droplet); particles leave from the surface (of the water/droplet).
Detailed solution: The heater provides thermal energy to the water droplets. This energy increases the kinetic energy of the water particles. When particles at the surface gain sufficient energy, they overcome the attractive forces holding them in the liquid and escape into the air as a gas, a process known as evaporation.
Correct Answer: 0.17 A
Detailed solution: Using Ohm’s law $I = \frac{V}{R}$, the current through resistor Q is calculated by dividing the voltage across it ($12\text{ V}$) by its resistance ($70\text{ }\Omega$). Therefore, $I = \frac{12\text{ V}}{70\text{ }\Omega} \approx 0.171\text{ A}$, which rounds to $0.17\text{ A}$.
Correct Answer: 610 J OR 620 J
Detailed solution: Electrical energy is given by $E = IVt$. First, convert time to seconds: $5\text{ min} = 300\text{ s}$. Using the current from (b)(i), $E = 0.17\text{ A} \times 12\text{ V} \times 300\text{ s} = 612\text{ J}$. Depending on the precision used, this is accepted as $610\text{ J}$ or $620\text{ J}$.
Correct Answer: chemical
Detailed solution: A battery is a device that converts stored chemical potential energy into electrical energy. Therefore, the energy store within the battery that is being transferred to the circuit is the chemical energy store.
Correct Answer: 39 Ω
Detailed solution: Resistors P ($90\text{ }\Omega$) and Q ($70\text{ }\Omega$) are connected in parallel. The total resistance $R_T$ is found using $\frac{1}{R_T} = \frac{1}{R_P} + \frac{1}{R_Q}$. $\frac{1}{R_T} = \frac{1}{90} + \frac{1}{70} = \frac{7+9}{630} = \frac{16}{630}$. Therefore, $R_T = \frac{630}{16} = 39.375\text{ }\Omega$, which rounds to $39\text{ }\Omega$.
Question 7
Fig. 7.1 shows a barrier at the entrance to a car park. The wooden barrier arm has a weight of 60 N which acts through the centre of gravity at the position shown on Fig. 7.1.

(a) Initially the wooden barrier arm is horizontal.
(i) Using Fig. 7.1, calculate the clockwise moment of the weight of the wooden arm about the pivot.
(ii) The wooden barrier arm is in equilibrium. The mass of the soft iron bar A is 23 kg.
Calculate the distance d between the pivot and the joint holding the soft iron bar A.
(b) Fig. 7.2 shows a coil attached to a power supply placed below the soft iron bar A.

(i) State and explain what happens to the wooden barrier arm when the switch in the coil circuit is closed.
(ii) The switch is opened. An operator decreases the potential difference across the coil and the switch is closed.
State and explain how the effect on the wooden barrier arm compares with the effect in (b)(i).
(iii) A student suggests that the soft iron bar A is replaced by a steel bar. Explain why a steel bar is less effective than a soft iron bar in the barrier.
Most-appropriate topic codes (Cambridge IGCSE Physics 0625):
• Topic $1.5.2$ — Turning effect of forces (Part $\mathrm{(a)}$)
• Topic $4.5.3$ — Magnetic effect of a current (Part $\mathrm{(b)}$)
▶️ Answer/Explanation
Correct Answer: 100 Nm
Detailed solution: Moment = force × perpendicular distance = 60 N × 1.67 m = 100.2 Nm ≈ 100 Nm.
Correct Answer: 0.44 m or 0.45 m
Detailed solution: For equilibrium: clockwise moment = anticlockwise moment. 100 Nm = (23 kg × 9.8 N/kg) × d → d = 100 / 225.4 = 0.444 m.
Correct Answer: The barrier arm rotates anticlockwise (moves upward).
Detailed solution: Closing the switch magnetises the coil, attracting bar A downwards and creating an anticlockwise moment.
Correct Answer: The barrier arm moves up more slowly.
Detailed solution: Lower p.d. reduces current, weakening the magnetic field and the attractive force, resulting in a smaller moment.
Correct Answer: Steel becomes permanently magnetised.
Detailed solution: Unlike soft iron, steel retains magnetism, so bar A would stay attracted to the core even when switched off, preventing the barrier from lowering.
Question 8
An isotope of boron is used in the treatment of cancer in the brain.
Boron sticks to cancer cells in the brain.
(a) The isotope of boron is bombarded with neutrons then undergoes fission to form lithium and alpha‑particles.
(i) Describe one difference between fission and fusion.
(ii) A nucleus of boron (B) contains 5 protons and 5 neutrons. Complete the nuclide equation for this fission reaction.
![]()
(b) The alpha‑particles destroy the cancer cells. Suggest and explain one reason why alpha particles are more suitable than gamma radiation for use in this treatment of brain cancer.
(c) Other cancers are treated with gamma radiation. Describe one safety precaution a nurse or radiologist takes during this treatment.
Most-appropriate topic codes (Cambridge IGCSE Physics 0625):
• Topic 5.2.3 — Radioactive decay (Part (a))
• Topic 5.2.2 — The three types of nuclear emission (Part (b))
• Topic 5.2.5 — Safety precautions (Part (c))
▶️ Answer/Explanation
Correct Answer: fission is splitting of nuclei OR fusion is the joining of nuclei
Detailed solution: Nuclear fission involves a heavy nucleus splitting into two or more lighter nuclei, whereas nuclear fusion involves two light nuclei combining to form a heavier nucleus.
Correct Answer: \(_{5}^{10}\textrm{B} + _{0}^{1}\textrm{n}\to _{3}^{7}\textrm{Li}+_{2}^{4}\textrm{α}\)
B: proton number 5 and nucleon number 10
Li: proton number 3 and nucleon number 7
α: proton number 2 and nucleon number 4
Detailed solution: In a nuclear equation, the total nucleon number and total proton number are conserved. The boron nucleus \(_{5}^{10}\textrm{B}\) absorbs a neutron \(_{0}^{1}\textrm{n}\), producing lithium \(_{3}^{7}\textrm{Li}\) and an alpha particle \(_{2}^{4}\textrm{α}\), balancing both mass and charge.
Correct Answer: alpha is less penetrating / has shorter range (than gamma)
alpha more easily absorbed / stopped by cancer / tumour cells or won’t travel beyond cancer cells or so won’t damage other / healthy cells
OR
alpha highly ionising (than gamma) will destroy / damage cancer cells more easily
Detailed solution: Alpha particles have high ionising power and a very short range, so they deposit all their energy within a small volume of tissue, effectively destroying targeted cancer cells while sparing surrounding healthy brain tissue.
Correct Answer: any one from:
• reduce exposure time
• increase distance between source and living tissue or stand in another room whilst radiation is emitted
• use shielding or wear a lead apron or stand behind a glass partition / lead barrier
Detailed solution: To minimise the harmful effects of gamma radiation, medical staff limit their exposure time, maximise their distance from the source, or use protective barriers like lead aprons or lead-lined walls.
Question 9
(a) Fig. 9.1 shows a diagram of a transverse wave.

From Fig. 9.1, identify all the lengths which represent one wavelength.
(b) Hydrogen in a very distant galaxy emits electromagnetic radiation which is observed on the Earth.
Scientists on the Earth measure the wavelength of the radiation from the very distant galaxy.
The wavelength is 918 nm.
On the Earth, hydrogen in the laboratory emits electromagnetic radiation of wavelength 656 nm.
Name the effect that the scientists observe and state what this shows about the very distant galaxy.
(c) Table 9.1 shows a wavelength of electromagnetic radiation from hydrogen observed in the laboratory and from three galaxies.
The galaxies are at different distances from the Earth.

Describe what Table 9.1 shows about the motions of the galaxies and state what this suggests is happening to the Universe.
Most-appropriate topic codes (Cambridge IGCSE Physics 0625):
• Topic 3.1 — General properties of waves (Part (a))
• Topic 6.2.3 — The Universe (Part (b) and (c))
▶️ Answer/Explanation
Correct Answer: Q and V
Detailed solution: One wavelength is the distance between two consecutive identical points on a wave, such as crest to crest or trough to trough. Length Q spans from one crest to the next adjacent crest, and length V spans from one trough to the next trough.
Correct Answer: Red shift; (galaxy) moving away/receding (from Earth/us).
Detailed solution: The observed wavelength (918 nm) is longer than the laboratory wavelength (656 nm), shifting toward the red end of the spectrum. This redshift indicates the galaxy is moving away from Earth as the Universe expands.
Correct Answer: Galaxies further away are receding with higher speed; Universe is expanding.
Detailed solution: Table 9.1 shows that galaxies at greater distances exhibit larger observed wavelengths (greater redshift), meaning they are moving away faster. This relationship supports the Big Bang theory and suggests the Universe is expanding uniformly.
Question 10
(a) Stars more massive than the Sun can eventually form black holes.
Describe how a black hole can be formed from a more massive star.
Most-appropriate topic codes (Cambridge IGCSE Physics 0625):
• Topic 6.2.2 — Stars (Part (a))
• Topic 6.2.3 — The Universe (Part (b))
▶️ Answer/Explanation
Correct Answer: any two from:
• (most of the) hydrogen has been converted to helium or hydrogen begins to run out
• (star expands and) forms a red supergiant
• (red supergiant) explodes as a supernova (forming a nebula)
• core (of red supergiant collapses and) forms black hole OR a black hole forms at the centre (of the supernova/nebula)
Detailed solution: A massive star eventually exhausts its core hydrogen fuel and expands into a red supergiant. When nuclear fusion can no longer support the star against gravity, the core collapses catastrophically and the outer layers are ejected in a supernova explosion, leaving behind a black hole.
Correct Answer: the distance travelled (in the vacuum of space) by light in one year
Detailed solution: A light-year is an astronomical unit of distance defined as how far a beam of light travels through the vacuum of space in one Julian year, which is approximately $9.5 \times 10^{15}\text{ m}$.
Correct Answer: $7.4 \times 10^{16}\text{ km}$
Detailed solution: Using $1\text{ light-year} = 9.5 \times 10^{12}\text{ km}$, multiply by $7800$: distance $= 7800 \times (9.5 \times 10^{12}) = 7.41 \times 10^{16}\text{ km}$, which rounds to $7.4 \times 10^{16}\text{ km}$.
