Question 1


Most-appropriate topic codes (Cambridge IGCSE Physics 0625):
• Topic $1.2$ — Motion (Parts $\mathrm{(a)(i)}$, $\mathrm{(a)(ii)}$, $\mathrm{(b)}$)
• Topic $1.7.1$ — Energy (Parts $\mathrm{(a)(iii)}$, $\mathrm{(a)(iv)}$, $\mathrm{(c)}$)
• Topic $1.3$ — Mass and weight (Part $\mathrm{(a)(iii)}$)
▶️ Answer/Explanation
Correct Answer: (i) Constant acceleration. (ii) $1.77\text{ m} \approx 1.8\text{ m}$.
Detailed solution: In Fig. 1.1, the speed-time graph is a straight line passing through the origin, which indicates the ball is moving with constant acceleration. To find the distance, calculate the area under the triangle: $\text{Area} = \frac{1}{2} \times \text{base} \times \text{height}$. Using the graph values at $t = 0.6\text{ s}$ and $v \approx 5.9\text{ m/s}$, the distance is $\frac{1}{2} \times 0.6 \times 5.9 = 1.77\text{ m}$, which rounds to $1.8\text{ m}$.
Correct Answer: (iii) $9.5\text{ J}$. (iv) $4.75\text{ J}$.
Detailed solution: Gravitational potential energy is calculated using $E_p = mgh$. With $m = 0.54\text{ kg}$, $g = 9.8\text{ m/s}^2$, and $h = 1.8\text{ m}$, $E_p = 0.54 \times 9.8 \times 1.8 = 9.5256\text{ J}$, approximately $9.5\text{ J}$. At the halfway point, half of the initial $E_p$ has been converted into kinetic energy ($E_k$) due to the conservation of energy in a vacuum. Thus, $E_k = \frac{1}{2} \times 9.5 = 4.75\text{ J}$.
Detailed solution: Initially, the ball accelerates because the downward force of weight is greater than the upward air resistance. As speed increases, the air resistance also increases, which reduces the resultant force and causes the acceleration to decrease. Eventually, the air resistance becomes equal to the weight, the resultant force becomes zero, and the ball falls at a constant terminal velocity.
Detailed solution: When the ball hits the ground at point B, some of its kinetic energy is transferred to the surroundings as thermal energy or sound, and some is used to deform the ball (elastic energy). Because energy is “lost” from the ball’s store during the impact, it has less kinetic energy to convert back into gravitational potential energy. Consequently, the ball cannot reach its original height, making height C lower than height A.
Question 2
Most-appropriate topic codes (Cambridge IGCSE Physics 0625):
• Topic $1.6$ — Momentum (Parts $\mathrm{(a)}$, $\mathrm{(b)}$)
▶️ Answer/Explanation
(a)
For the correct answer:
$3.5\text{ kg m/s}$
Momentum is defined as the product of mass and velocity, $p = mv$. The initial momentum is $0.14\text{ kg} \times 25\text{ m/s} = 3.5\text{ kg m/s}$, and the final momentum is $0\text{ kg m/s}$ since the ball comes to rest. The change in momentum, $\Delta p$, is the difference between final and initial values: $\Delta p = m(v – u)$. Substituting the values gives $0.14 \times (0 – 25) = -3.5\text{ kg m/s}$. The magnitude of the change is $3.5\text{ kg m/s}$.
(b)
For the correct answer:
$360\text{ N}$
Resultant force is defined as the rate of change of momentum, expressed by the equation $F = \frac{\Delta p}{\Delta t}$. First, convert the contact time from milliseconds to seconds: $\Delta t = 9.7\text{ ms} = 0.0097\text{ s}$. Using the momentum change from part (a), the force is calculated as $F = \frac{3.5}{0.0097} \approx 360\text{ N}$ (to two significant figures).
Question 3

Most-appropriate topic codes (Cambridge IGCSE Physics 0625):
• Topic $1.7.1$ — Energy (Part $\mathrm{(a)(i)}$)
• Topic $1.7.3$ — Energy resources (Parts $\mathrm{(a)(ii)}$, $\mathrm{(b)}$)
▶️ Answer/Explanation
(a)(i)
For the correct answer:
$1135\text{ MW}$ (which is $\approx 1100\text{ MW}$)
According to the principle of conservation of energy, the total power input must equal the sum of the useful power output and all wasted power. From Fig. 3.1, the total wasted power is $2200\text{ MW} + 40\text{ MW} + 25\text{ MW} = 2265\text{ MW}$. Subtracting this from the total input of $3400\text{ MW}$ gives $\text{useful output} = 3400 – 2265 = 1135\text{ MW}$, which rounds to approximately $1100\text{ MW}$.
(a)(ii)
For the correct answer:
$33\%$ (or $0.33$)
Efficiency is calculated using the formula $\text{Efficiency} = \frac{\text{useful power output}}{\text{total power input}} \times 100\%$. Using the values from the previous step, $\text{Efficiency} = \frac{1135}{3400} \times 100$. This results in $33.38\%$, which is typically recorded as $33\%$ or $0.33$ when rounded to two significant figures.
(b)
For the correct answer:
Water is heated by hot rocks underground to produce steam, which turns a turbine.
Geothermal energy involves pumping cold water down into the Earth’s crust where it comes into contact with hot rocks. The thermal energy from the rocks is transferred to the water, turning it into high-pressure steam. This steam is then piped back to the surface to drive a turbine connected to an electrical generator.
Question 4



Most-appropriate topic codes (Cambridge IGCSE Physics 0625):
• Topic $1.4$ — Density (Part $\mathrm{(a)(i)}$)
• Topic $1.8$ — Pressure (Part $\mathrm{(a)(ii)}$)
• Topic $2.2.1$ — Thermal expansion of solids, liquids and gases (Part $\mathrm{(b)}$)
• Topic $2.3 .1$ — Conduction (Part $\mathrm{(c)}$)
▶️ Answer/Explanation
(a)(i)
For the correct answer:
$930\text{ kg/m}^3$ (to 2 sig. figs) or $933\text{ kg/m}^3$
Density is defined as mass per unit volume. Using the formula $\rho = \frac{m}{V}$, we substitute the given mass $m = 2800\text{ kg}$ and volume $V = 3.0\text{ m}^3$. Calculating $2800 / 3.0$ gives $933.33…$, which is rounded to $930\text{ kg/m}^3$ to match the significant figures of the input data.
(a)(ii)
For the correct answer:
$1400\text{ N}$ (allow $1350\text{ N}$ to $1400\text{ N}$ depending on rounding)
First, calculate the liquid pressure at depth $h = 1.1\text{ m}$ using $p = \rho gh = 933 \times 9.8 \times 1.1 \approx 10000\text{ Pa}$. Next, determine the area of the block’s top surface: $A = 0.45\text{ m} \times 0.30\text{ m} = 0.135\text{ m}^2$. Finally, find the force using $F = p \times A$, which gives $10000 \times 0.135 \approx 1350\text{ N}$ to $1400\text{ N}$.
(b)
For the correct answer:
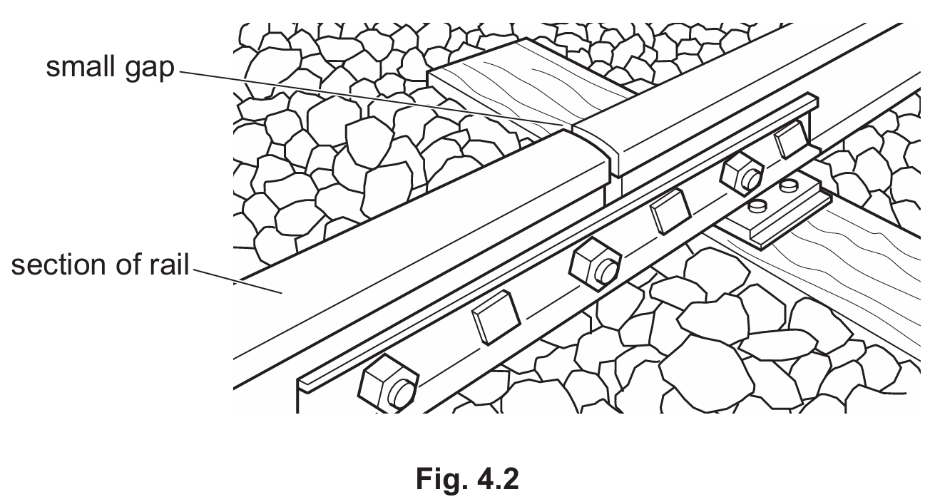
To allow for thermal expansion and prevent buckling.
When the temperature increases, the steel rails undergo thermal expansion. At a microscopic level, the particles gain kinetic energy and vibrate more vigorously, causing the average separation between particles to increase. The gaps provide space for this increase in length, preventing the tracks from bending or buckling under stress.
(c)
For the correct answer:
Plastic is a poor conductor (good insulator) of heat.
Plastic is a suitable material for the handle because it has a low thermal conductivity. This significantly reduces the rate at which thermal energy is transferred from the hot metal pan to the user’s hand. As a result, the handle remains at a safe temperature to touch even while the water inside the pan is boiling.
Question 5
(a) (i) Electromagnetic waves have many uses. On Fig. 5.1 draw one line from each use to the region of the electromagnetic (e-m) spectrum it uses.

(c) Fig. 5.2 shows a simplified diagram of seismic P-waves travelling through the Earth.
The paths of the waves are curved.
Seismic waves are produced by rock movements in earthquakes.

(i) State the type of wave that P-waves can be modelled as.
(ii) At point X, the P-wave travels from the solid mantle to the liquid core. There is a sudden change in direction of the path of the wave. Explain the change in direction of the P-wave at point X.
Most-appropriate topic codes (Cambridge IGCSE Physics 0625):
• Topic $3.3$ — Electromagnetic spectrum (Part $\mathrm{(a)}$)
• Topic $3.1$ — General properties of waves (Part $\mathrm{(b)}$)
• Topic $3.4$ — Sound / Seismic waves (Part $\mathrm{(c)}$)
• Topic $2.3 .3$ — Radiation and thermal energy transfer (Part $\mathrm{(d)}$)
▶️ Answer/Explanation
Correct Answer:
(i) 
(ii) Microwaves can transmit large amounts of data at high speeds.
Detailed solution: Ultraviolet light causes certain materials to fluoresce, making it ideal for security marking. Bluetooth technology utilizes short-wavelength radio waves. Infrared is used in optical fibres because glass is transparent to certain infrared wavelengths. High-energy gamma rays are used in medicine to detect and treat cancer. Microwaves are preferred for cell signals because they have higher frequencies than standard radio waves, allowing for a much higher rate of data transmission.
Correct Answer: Transverse: vibrations are at $90$° to propagation. Longitudinal: vibrations are parallel to propagation.
Detailed solution: In a transverse wave, the particles of the medium oscillate in a direction perpendicular to the direction in which the wave travels (e.g., light waves). In a longitudinal wave, the oscillations occur back and forth along the same line as the direction of energy transfer (e.g., sound waves). Consequently, transverse waves have peaks and troughs, while longitudinal waves consist of compressions and rarefactions.
Correct Answer: (i) Longitudinal. (ii) Refraction due to a change in wave speed.
Detailed solution: Primary (P) waves are pressure waves that move through the Earth’s interior by compressing and expanding the material, thus they are longitudinal. When these waves pass from the solid mantle into the liquid outer core at point X, their speed changes significantly because the density and state of the medium are different. This change in speed causes the wave to bend, a process known in physics as refraction.
Correct Answer: Increase in greenhouse gases (like $CO_2$) trapping re-emitted radiation.
Detailed solution: The temperature rise is primarily caused by an increased concentration of greenhouse gases, such as carbon dioxide ($CO_2$) and methane, in the atmosphere. These gases allow short-wavelength radiation from the Sun to pass through but absorb the long-wavelength infrared radiation re-emitted by the Earth’s surface. This process prevents heat from escaping into space, shifting the thermal balance so that energy absorbed is greater than energy leaving the atmosphere.
Question 6



Most-appropriate topic codes (Cambridge IGCSE Physics 0625):
• Topic 4.2.4 — Resistance (Part a(i))
• Topic 4.3.2 — Series and parallel circuits (Parts a(ii), b(i))
• Topic 4.3.1 — Circuit diagrams and circuit components (Part b(ii))
▶️ Answer/Explanation
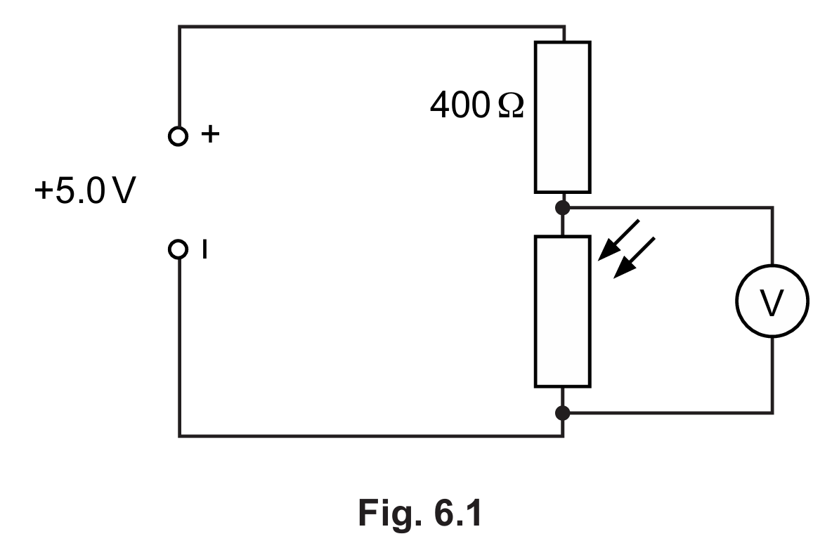
Part a(i)
For the correct answer:
0.008 A (or 8.0 mA)
In a series circuit, the supply voltage is shared. The p.d. across the 400 Ω resistor is V=5.0 V−1.8 V=3.2 V. Using Ohm’s Law, I= R V = 400 Ω 3.2 V =0.008 A. This current is the same throughout the series branch.
Part a(ii)
For the correct answer:
Statement: Increases; Explanation: The resistance of the LDR increases in the dark.
When the room becomes dark, the resistance of the LDR increases significantly. In a potential divider circuit, the component with the higher resistance takes a larger share of the total supply voltage. Consequently, the p.d. across the LDR (the voltmeter reading) increases relative to the fixed resistor.
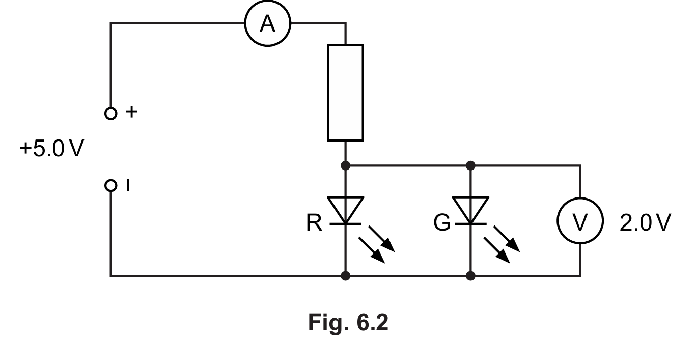
Part b(i)
For the correct answer:
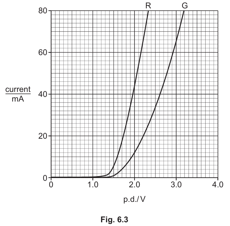
56 mA (or 0.056 A)
From the graph at 2.0 V, the current through the red LED (R) is 44 mA and through the green LED (G) is 12 mA. Since the LEDs are in parallel, the total current measured by the ammeter is the sum of the individual branch currents: I total =44 mA+12 mA=56 mA.
Part b(ii)
For the correct answer:
0 A
Diodes, including LEDs, only allow current to flow in one direction (forward bias). If the power supply connections are reversed, the LEDs become reverse-biased. In this state, they have extremely high resistance and do not conduct electricity, resulting in a current reading of zero on the ammeter.
Question 7



Each coil position may be used once, more than once or not at all.

Most-appropriate topic codes (Cambridge IGCSE Physics 0625):
• Topic $4.5.2$ — The a.c. generator (Parts $\mathrm{(a)(i)}$, $\mathrm{(a)(ii)}$, $\mathrm{(b)(i)}$, $\mathrm{(b)(ii)}$)
• Topic $4.5.1$ — Electromagnetic induction (Part $\mathrm{(a)(iii)}$)
▶️ Answer/Explanation
Correct Answer: To provide a continuous electrical connection between the rotating coil and the external circuit (lamp) without tangling the wires.
Detailed solution: Slip rings rotate with the coil while remaining in constant contact with the fixed carbon brushes. This setup allows the induced current to flow to the stationary external circuit. Crucially, it prevents the connecting wires from twisting and snapping as the coil turns, and ensures that each end of the coil is always connected to the same side of the external circuit, maintaining the alternating nature of the output.
Correct Answer: Rotation of the coil through a magnetic field induces a varying e.m.f. due to the changing magnetic flux linkage.
Detailed solution: As the coil rotates, its sides cut across the magnetic field lines between the $N$ and $S$ poles. This change in magnetic field through the coil induces an electromotive force ($e.m.f.$) according to Faraday’s Law. Because each side of the coil moves up and then down during every $180^{\circ}$ (half turn), the direction of the induced current reverses periodically, creating an alternating current ($a.c.$) in the complete circuit.
Correct Answer: Increase the speed of rotation and increase the strength of the magnetic field.
Detailed solution: To increase the maximum current, one must increase the magnitude of the induced $e.m.f.$. This can be achieved by increasing the rate at which magnetic field lines are cut (spinning the coil faster) or by using stronger magnets. Additionally, increasing the number of turns on the coil provides more conductors to cut the field, thereby increasing the total induced voltage and the resulting current.
Correct Answer: $2.5$ revolutions
Detailed solution: One complete revolution of the coil corresponds to one full cycle of the $a.c.$ wave on the graph (from zero, through a peak and trough, back to zero). From time $0$ to $B$ is $1$ revolution, and from $B$ to $C$ is another $1$ revolution. Point $E$ occurs after another half-cycle. Counting the waves: $1$ (at $B$) $+ 1$ (at $C$) $+ 0.5$ (at $E$) equals $2.5$ full revolutions.
Correct Answer:

Detailed solution: Induced $e.m.f.$ is maximum when the coil is horizontal because the sides are cutting the magnetic field lines at the fastest rate. Thus, $A$ and $C$ (peaks/troughs) match the horizontal coil diagrams. $e.m.f.$ is zero when the coil is vertical because the sides move parallel to the field lines and do not cut them. Therefore, $B$ and $D$ (zero points) match the vertical coil diagrams.
Question 8
(i) Observation: most of the particles pass straight through the foil.
(ii) Observation: a few particles bounce back or are deflected through large angles.

Most-appropriate topic codes (Cambridge IGCSE Physics 0625):
• Topic $5.1.1$ — The atom (Part $\mathrm{(a)}$)
• Topic $5.2.2$ — The three types of nuclear emission (Part $\mathrm{(b)}$)
• Topic $5.2.4$ — Half-life (Part $\mathrm{(c)}$)
▶️ Answer/Explanation
Part (a)
Correct Answer: (i) Most of the atom is empty space. (ii) The nucleus is positively charged / concentrated mass.
Detailed solution: (i) Since the majority of $\alpha$ particles pass through without any deflection, it implies they do not encounter any obstacles, concluding that the atom is mostly empty space. (ii) Large-angle deflections occur when the positive $\alpha$ particles come close to a concentrated positive center. This confirms the existence of a small, dense, positively charged nucleus containing most of the atom’s mass.
Part (b)
Correct Answer: (i) Path P. (ii) Direction: Upwards (from positive to negative).
Detailed solution: (i) Path P represents alpha particles because they are much more massive than beta particles (Path R), resulting in a smaller deflection for the same field strength. (ii) The electric field is directed from the positive plate to the negative plate. Alpha particles are positively charged and thus experience a force in the direction of the field, causing them to curve toward the negative (top) plate.
Part (c)
Correct Answer: $1.9 \times 10^{-2}\text{ g}$
Detailed solution: First, determine the number of half-lives: $n = \frac{480}{160} = 3$ half-lives. To find the initial mass $M_0$, we use the final mass $M_f \times 2^n$, where $2^3 = 8$. Calculating the initial mass: $M_0 = 2.4 \times 10^{-3}\text{ g} \times 8 = 19.2 \times 10^{-3}\text{ g}$. This is expressed in standard form as $1.92 \times 10^{-2}\text{ g}$, rounded to $1.9 \times 10^{-2}\text{ g}$ for two significant figures.
Question 9
(i) State when CMBR was produced.
(ii) State and explain how the wavelength of this radiation has changed since it was formed.

(ii) State how the average surface temperature of a planet changes as its distance from the Sun increases.
Most-appropriate topic codes (Cambridge IGCSE Physics 0625):
• Topic $6.2.3$ — The Universe (Parts $\mathrm{(a)(i)}$, $\mathrm{(a)(ii)}$)
• Topic $6.1.1$ — The Earth (Part $\mathrm{(b)(i)}$)
• Topic $6.1.2$ — The Solar System (Part $\mathrm{(b)(ii)}$)
▶️ Answer/Explanation
(a)(i)
For the correct answer:
Shortly after the Big Bang (or when the Universe was formed).
According to the Big Bang Theory, CMBR is the “afterglow” of the early, extremely hot Universe. It was produced approximately $380,000$ years after the Big Bang when the Universe cooled sufficiently for atoms to form, allowing photons to travel freely through space for the first time.
(a)(ii)
For the correct answer:
The wavelength has increased because the Universe has expanded.
As the Universe expands, the space through which the radiation travels also stretches. This process, known as cosmological redshift, increases the wavelength of the original high-energy radiation into the microwave region over billions of years.
(b)(i)
For the correct answer:
$1.2 \times 10^5\text{ km/h}$ (or $120,000\text{ km/h}$)
Using $v = \frac{2\pi r}{T}$, we first find $r = 108 \times 10^6\text{ km}$. The period $T$ in hours is $0.62 \times 365 \times 24 \approx 5431.2\text{ h}$. Substituting these into the formula: $v = \frac{2 \times \pi \times 108 \times 10^6}{5431.2} \approx 124,947\text{ km/h}$.
(b)(ii)
For the correct answer:
The average surface temperature decreases.
As the distance from the Sun increases, the intensity of solar radiation reaching the planet’s surface decreases. Based on Table 9.1, Venus (closest) is at $460^\circ\text{C}$ while Saturn (furthest in the table) is at $-140^\circ\text{C}$.
Question 10
Most-appropriate topic codes (Cambridge IGCSE Physics 0625):
• Topic $6.1.2$ — The Solar System (Parts $\mathrm{(a)}$, $\mathrm{(b)}$, $\mathrm{(c)}$)
▶️ Answer/Explanation
Correct Answer: An elongated elliptical shape with the Sun ($S$) at one focus.

Detailed solution: Comets possess highly eccentric (elongated) elliptical orbits. Unlike a circle, an ellipse has two focal points. To receive full marks, the diagram must show a clearly “oval” or “stretched” path rather than a circle, with the Sun positioned significantly off-center at one of the internal foci of the ellipse.
Correct Answer: Cross labeled $L$ placed at the point furthest from the Sun (aphelion).

Detailed solution: An object in an elliptical orbit moves at its minimum velocity when it is at its furthest distance from the central mass. On your sketch, the cross $L$ should be placed at the “far end” of the ellipse, diametrically opposite to the side where the Sun is located, representing the point of lowest kinetic energy.
Correct Answer: Exchange between $GPE$ and $KE$ while Total Energy remains constant.
Detailed solution: According to the conservation of energy, $Total\ Energy = GPE + KE$. As a comet approaches the Sun, its distance $r$ decreases, causing its Gravitational Potential Energy to decrease. To keep the total energy constant, this energy is transferred into Kinetic Energy ($E_{k} = \frac{1}{2}mv^{2}$), resulting in an increase in speed $v$. Conversely, as it moves away, $KE$ is converted back into $GPE$, and the comet slows down.
