Question
(a) Complete Table 1.1 by stating whether each of the quantities is a vector or a scalar.

(b) The variation with time t of the velocity v of an object is shown in Fig. 1.1.

(i) Determine the acceleration of the object from time t = 0 to time t = 4.0s.
acceleration = ………………………………………… ms−2 [2]
(ii) Determine the distance moved by the object from time t = 0 to time t = 4.0s.
distance = …………………………………………….. m [2]
(c) (i) Define force. [1]
(ii) The motion represented in Fig. 1.1 is caused by a resultant force F acting on the object.
On Fig. 1.2, sketch the variation of F with time t from t = 0 to t = 12.0s. Numerical values of F are not required.

[3]
[Total: 10]
Answer/Explanation
Ans
(a) acceleration: vector
work: scalar
power: scalar
Three correct scores 2 marks. Two correct scores 1 mark.
(b) (i) a = (v –u) / t or a = gradient or a =Δv / (Δ)t
e.g. a = (1.40 – 0.70) / 4.0
= 0.18 ms–2
(b) (ii) distance = 0.5× (0.70 + 1.40)× 4.0
or
(0.70× 4.0) + (0.5× 0.70× 4.0)
= 4.2 m
(c) (i) (force equal to) rate of change of momentum
(c) (ii) horizontal line starting from t = 0 and ending at t = 4.0 s at a positive value of F
horizontal line starting from t = 4.0 s and ending
at t = 8.0 s at F = 0
horizontal line starting from t = 8.0 s and ending at t = 12.0 s at a negative value of F and the magnitude of F is larger than
from t = 0 to 4.0 s
Question
(a) State what is meant by work done. [1]
(b) A beach ball is released from a balcony at the top of a tall building. The ball falls vertically
from rest and reaches a constant (terminal) velocity. The gravitational potential energy of the
ball decreases by 60J as it falls from the balcony to the ground. The ball hits the ground with
speed 16ms−1 and kinetic energy 23J.
(i) Show that the mass of the ball is 0.18kg. [2]
(ii) Calculate the height of the balcony above the ground.
height = …………………………………………….. m [2]
(iii) Determine the average resistive force acting on the ball as it falls from the balcony to the
ground.
average resistive force = …………………………………………….. N [2]
(c) State and explain the variation, if any, in the magnitude of the acceleration of the ball in
(b) during the time interval when the ball is moving downwards before it reaches constant
(terminal) velocity. [3]
[Total: 10]
Answer/Explanation
Ans
(a) force × displacement in the direction of the force
(b) (i) E = ½mv2
(m =) 23 × 2 / 162 = 0.18 (kg)
(b) (ii) (Δ)E = mg(Δ)h
60 = 0.18 × 9.81 × h
h = 34 m
(b )(iii) (work done =) 60 – 23
= 37 (J)
average resistive force = 37 / 34
= 1.1 N
(c) air resistance (acting on ball) increases
resultant force (on ball) decreases
or weight constant and air resistance increases
acceleration decreases
Question
A spring is extended by a force. The variation with extension x of the force F is shown in Fig. 3.1

(a) State the name of the law that relates the force and extension of the spring shown in Fig. 3.1. [1]
(b) Determine:
(i) the spring constant, in Nm−1, of the spring
spring constant = ……………………………………….. Nm−1 [2]
(ii) the strain energy (elastic potential energy) in the spring when the extension is 4.0cm.
strain energy = ……………………………………………… J [2]
(c) One end of the spring is attached to a fixed point. A cylinder that is submerged in a liquid is
now suspended from the other end of the spring, as shown in Fig. 3.2.

The cylinder has length 5.8cm, cross-sectional area 1.2 × 10−3m2 and weight 6.20N. The
cylinder is in equilibrium when the extension of the spring is 4.0cm.
(i) Show that the upthrust acting on the cylinder is 0.60N. [1]
(ii) Calculate the difference in pressure between the bottom face and the top face of the
cylinder.
difference in pressure = ……………………………………………. Pa [2]
(iii) Calculate the density of the liquid.
density = ………………………………………. kgm−3 [2]
(d) The liquid in (c) is replaced by another liquid of greater density.
State the effect, if any, of this change on:
(i) the upthrust acting on the cylinder [1]
(ii) the extension of the spring. [1]
[Total: 12]
Answer/Explanation
Ans
(a) Hooke’s (law)
(b) (i) k = F / x or k = gradient
e.g. k = 7.0 / 5.0 × 10–2
= 140 N m–1
(b) (ii) E = ½ F x or E = ½ k x2 or E = area under graph
= ½ × 5.6 × 4.0 × 10–2 or ½ × 140 × (4.0 × 10–2)2
= 0.11 J
(c) (i) (upthrust =) 6.20 – 5.60 = 0.60 (N)
(c) (ii)Δp =Δ F / A
= 0.60 / 1.2 × 10–3
= 500 Pa
(c) (iii) (Δ)p = ρg(Δ)h
ρ = 500 / (9.81 × 5.8 × 10–2)
= 880 kg m–3
(d) (i) (upthrust) increases
(d) (ii) (extension) decreases
Question
(a) State the principle of superposition. [2]
(b) A transmitter produces microwaves that travel in air towards a metal plate, as shown in
Fig. 4.1.

The microwaves have a wavelength of 0.040m. A stationary wave is formed between the
transmitter and the plate.
(i) Explain the function of the metal plate. [1]
(ii) Calculate the frequency, in GHz, of the microwaves.
frequency = …………………………………………. GHz [3]
(iii) A microwave receiver is initially placed at position X where it detects an intensity
minimum. The receiver is then slowly moved away from X directly towards the plate.
1. Determine the shortest distance from X of the receiver when it detects another
intensity minimum.
distance = ………………………………………………….. m
2. Determine the number of intensity maxima that are detected by the receiver as it
moves from X to a position that is 9.1cm away from X.
number = ………………………………………………………
[2]
[Total: 8]
Answer/Explanation
Ans
(a) (two or more) waves meet (at a point) B1
(resultant) displacement is the sum of the individual displacements
(b) (i) it is a (wave) reflector / it reflects (the wave)
(b) (ii) v = fλ or c = fλ
f = 3.0 × 108 / 0.040
= 7.5 × 109 (Hz)
= 7.5 × 109 / 109 (GHz)
= 7.5 GHz
(b) (iii) 1 distance = 0.020 m
2 number = 5
Question
A source of sound is attached to a rope and then swung at a constant speed in a horizontal circle,
as illustrated in Fig. 5.1.

The source moves with a speed of 12.0ms−1 and emits sound of frequency 951Hz. The speed of
the sound in the air is 330ms−1. An observer, standing a very long distance away from the source,
hears the sound.
(a) Calculate the minimum frequency, to three significant figures, of the sound heard by the
observer.
minimum frequency = ……………………………………………. Hz [2]
(b) The circular path of the source has a radius of 2.4m.
Determine the shortest time interval between the observer hearing sound of minimum
frequency and the observer hearing sound of maximum frequency.
time interval = ……………………………………………… s [2]
[Total: 4]
Answer/Explanation
Ans
(a) fo = fs v / (v + vs)
fo = 951 × 330 / (330 + 12)
= 918 Hz
(b) t = d / 12
= ( π × 2.4 ) / 12
= 0.63 s
Question
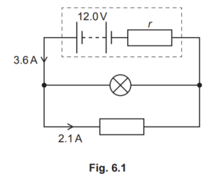
(a) State Kirchhoff’s first law. [1]
(b) A battery of electromotive force (e.m.f.) 12.0V and internal resistance r is connected to a
filament lamp and a resistor, as shown in Fig. 6.1.

The current in the battery is 3.6A and the current in the resistor is 2.1A. The I-V characteristic
for the lamp is shown in Fig. 6.2.

(i) Determine the resistance of the lamp in Fig. 6.1.
resistance = …………………………………………….. Ω [3]
(ii) Determine the internal resistance r of the battery.
r = …………………………………………….. Ω [2]
(iii) The initial energy stored in the battery is 470kJ. Assume that the e.m.f. and the current
in the battery do not change with time.
Calculate the time taken for the energy stored in the battery to become 240kJ.
time = ……………………………………………… s [2]
(iv) The filament wire of the lamp is connected in series with the adjacent copper connecting
wire of the circuit, as illustrated in Fig. 6.3.

Some data for the filament wire and the adjacent copper connecting wire are given in
Table 6.1.

ratio = ………………………………………………… [2]
[Total: 10]
Answer/Explanation
Ans
(a) sum of current(s) into junction = sum of current(s) out of junction
or
(algebraic) sum of current(s) at a junction is zero
(b) (i) I = 3.6 – 2.1
= 1.5
V = 4.4 C1
R = 4.4 / 1.5
= 2.9 Ω
(b) (ii) 12.0 = 4.4 + 3.6r or 12.0 = 3.6 (1.2 + r )
r = 2.1 Ω
(b) (iii) t = (470 × 103 – 240 × 103 ) / (12 × 3.6)
= 5300 s
(b)(iv) I = Anvq
ratio = (360 A / A) × (2.5 n / n) or 360 × 2.5
= 900
Question
(a) The results of the α-particle scattering experiment provide evidence for the structure of the
atom.
Result 1: The vast majority of the α-particles pass straight through the metal foil or are
deviated by small angles.
Result 2: A very small minority of α-particles is scattered through angles greater than 90°.
State what may be inferred (deduced) from:
(i) result 1 [1]
(ii) result 2. [2]
(b) A radioactive decay sequence contains four nuclei, P, Q, R and S, as shown.

Nucleus S is an isotope of nucleus P.
(i) Determine the proton number and the nucleon number of nucleus S.
proton number = ………………………………………………………
nucleon number = ……………………………………………………… [2]
(ii) The quark composition of a nucleon in Q changes as Q decays to form R.
Describe this change to the quark composition of the nucleon. [1]
[Total: 6]
Answer/Explanation
Ans
(a) (i) most of the atom is empty space
or
the nucleus (volume) is very small compared to the atom
(a) (ii) the nucleus is charged
the mass is concentrated in nucleus / small region / small volume / small core
or
the majority of the mass is in nucleus / small region / small volume / small core
(b) (i) proton number = 84
nucleon number = 214
(b) (ii) up down down changes to up up down / udd → uud
or
down changes to up / d → u
