Question
(a) Define gravitational potential at a point. [2]
(b) Artemis is a spherical planet that may be assumed to be isolated in space. The variation with distance \(x\) from the centre of Artemis of the gravitational potential \(\phi\) is shown in Fig. 1.1.

(i) The radius of Artemis is \(4800 \mathrm{~km}\).
Determine the value of \(\phi\) on the surface of Artemis.
\(φ\) = ……………………………………….. \(Jkg^{–1}\) [1]
(ii) Show that the mass of Artemis is \(2.55 \times 10^{24} \mathrm{~kg}\). [1]
(iii) Calculate the gravitational field strength \(g\) on the surface of Artemis.
g = ………………………………………. \(Nkg^{–1}\) [2]
(iv) A satellite is in an orbit at a fixed position above a point on the surface of Artemis. The satellite is located above the equator of Artemis at a height above the surface where the gravitational potential is \(-0.65 \times 10^7 \mathrm{~J} \mathrm{~kg}^{-1}\). Calculate the period, in hours, of rotation of Artemis.
period = ……………………………………….. hours [4]
(c) State one similarity and one difference between gravitational potential due to a point mass and electric potential due to a point charge.
similarity…………………………………………………………..
difference……………………………………………………………[2][Total: 12]
▶️Answer/Explanation
Ans:
(a) work done per unit mass B1
work (done on mass) moving mass from infinity (to the point)
(b)(i) \(-3.55 \times 10^7 \mathrm{~J} \mathrm{~kg}^{-1}\)
(b)(ii) \(\begin{aligned} \phi & =-\frac{G M}{r} \\ M & =-\frac{-3.55 \times 10^7 \times 4800000}{6.67 \times 10^{-11}} \\ & =2.55 \times 10^{24} \mathrm{~kg}\end{aligned}\)
(b)(iii) \(g=\frac{G M}{r^2} \quad\) or \(g=-\frac{\phi}{r}\)
\(\begin{aligned} & =\frac{6.67 \times 10^{-11} \times 2.55 \times 10^{24}}{4800000^2} \text { or }=\frac{3.55 \times 10^7}{4800000} \\ & =7.4 \mathrm{~N} \mathrm{~kg}^{-1}\end{aligned}\)
(b)(iv) \(r\) in range \(2.60 \times 10^7\) to \(2.65 \times 10^7 \mathrm{~m}\)
\(\frac{m v^2}{r}=\frac{G M m}{r^2}\) and \(v=\frac{2 \pi r}{T}\) or \(m r \omega^2=\frac{G M m}{r^2}\) and \(\omega=\frac{2 \pi}{T}\)
\(T^2=\frac{4 \pi^2 r^3}{G M}=\frac{4 \pi^2 \times\left(2.65 \times 10^7\right)^3}{6.67 \times 10^{-11} \times 2.55 \times 10^{24}}=4.20 \times 10^9\)
T = 64 800s
= 18 hours
1(c) similarity – any one point from
• inversely proportional to distance (from point)
• points of equal potential lie on concentric spheres
• zero at infinite distance
difference – any one point from
• gravitational potential is (always) negative
• electric potential can be positive or negative
Question
(a) State what is meant by an ideal gas.[2]
(b) A fixed amount of helium gas is sealed in a container. The helium gas has a pressure of \(1.10 \times 10^5 \mathrm{~Pa}\), and a volume of \(540 \mathrm{~cm}^3\) at a temperature of \(27^{\circ} \mathrm{C}\).
The volume of the container is rapidly decreased to \(30.0 \mathrm{~cm}^3\). The pressure of the helium gas increases to \(6.70 \times 10^6 \mathrm{~Pa}\) and its temperature increases to \(742^{\circ} \mathrm{C}\), as illustrated in Fig. 2.1.

No thermal energy enters or leaves the helium gas during this process.
(i) Show that the helium gas behaves as an ideal gas.[2]
(ii) The first law of thermodynamics may be expressed as
$
\Delta U=q+W .
$
Use the first law of thermodynamics to explain why the temperature of the helium gas increases.[2]
(iii) The average translational kinetic energy \(E_{\mathrm{K}}\) of a molecule of an ideal gas is given by
$
E_{\mathrm{K}}=\frac{3}{2} k T
$
where \(k\) is the Boltzmann constant and \(T\) is the thermodynamic temperature.Calculate the change in the total kinetic energy of the molecules of the helium gas.
change in kinetic energy \(=\)
(c) The mass of nitrogen gas in another container is \(24.0 \mathrm{~g}\) at a temperature of \(27^{\circ} \mathrm{C}\). The gas is cooled to its boiling point of \(-196^{\circ} \mathrm{C}\). Assume all the gas condenses to a liquid.
For this change the specific heat capacity of nitrogen gas is \(1.04 \mathrm{~kJ} \mathrm{~kg}^{-1} \mathrm{~K}^{-1}\).
The specific latent heat of vaporisation of nitrogen is \(199 \mathrm{~kJ} \mathrm{~kg}^{-1}\).
Determine the thermal energy, in \(\mathrm{kJ}\), removed from the nitrogen gas.
▶️Answer/Explanation
Ans:
(a) gas for which \(p V \propto T\)
where T is thermodynamic temperature A1
(b)(i) evidence of two temperature conversions between \({ }^{\circ} \mathrm{C}\) and \(\mathrm{K}\)
two calculations shown, one for each state e.g.
\(\frac{1.10 \times 10^5 \times 540 \times 10^{-6}}{(273+27)}=0.198\) and \(\frac{6.70 \times 10^6 \times 30 \times 10^{-6}}{(273+742)}=0.198\)
(b)(ii) work is done on the gas
internal energy increases (so temperature increases)
(b)(iii) \(\begin{aligned} & p V=N k T \text { e.g. } \\ & \begin{aligned} N & =\frac{1.10 \times 10^5 \times 540 \times 10^{-6}}{1.38 \times 10^{-23} \times 300} \\ & =1.435 \times 10^{22}\end{aligned} \\ & \Delta E_k=(3 / 2) k \Delta T N\end{aligned}\)
\(=(3 / 2) \times 1.38 \times 10^{23} \times(742-27) \times \frac{1.10 \times 10^5 \times 540 \times 10^{-6}}{1.38 \times 10^{-23} \times 300}\)
= 212 J
(c) \(E=m c \Delta \theta\) and \(E=m L\)
\(\Delta \theta=(27+196)\) or 223
\(\begin{aligned} E & =0.0240 \times 1.04 \times(27+196)+0.0240 \times 199 \\ & =10.3 \mathrm{~kJ}\end{aligned}\)
Question
An object is suspended from a vertical spring as shown in Fig. 3.1.

The object is displaced vertically and then released so that it oscillates, undergoing simple harmonic motion.
Fig. 3.2 shows the variation with displacement \(x\) of the energy \(E\) of the oscillations.
The kinetic energy, the potential energy and the total energy of the oscillations are each represented by one of the lines \(P, Q\) and \(R\).
(a) State the energy that is represented by each of the lines P, Q and R.
P ……………………………………………………………………………………………………………………………..
Q ……………………………………………………………………………………………………………………………..
R …………………………………………………………………………………………………………………………….. [2]
(b) The object has a mass of \(130 \mathrm{~g}\). Determine the period of the oscillations.
(b) The object has a mass of 130g.
Determine the period of the oscillations.
period = ……………………………………………… s [4]
(c) (i) State the cause of damping.
………………………………………………………………………………………………………………………….
……………………………………………………………………………………………………………………. [1]
(ii) A light card is attached to the object. The object is displaced with the same initial amplitude and then released. During each complete oscillation the total energy of the system decreases by 8.0% of the total energy at the start of that oscillation.
Determine the decrease in total energy, in mJ, of the system by the end of the first 6 complete oscillations.
energy lost = …………………………………………… mJ [2]
(iii) State, with a reason, the type of damping that the card introduces into the system.[1] [Total: 10]
▶️Answer/Explanation
Ans:
P: total energy
Q: potential energy
R: kinetic energy
(b) \(E=1 / 2 m \omega^2 x_0^2\) or \(E=1 / 2 m v_0^2\) and \(v_0=\omega x_0\)
\(\begin{aligned} & 6.4 \times 10^{-3}=1 / 2 \times 0.130 \times \omega^2 \times 0.015^2 \\ & \left(\omega^2=438\right) \\ & (\omega=20.9)\end{aligned}\)
\(T=2 \pi / \omega\)
\(\begin{aligned} & =2 \pi / 20.9 \\ & =0.30 \mathrm{~s}\end{aligned}\)
(c)(i) resistive forces
(c)(ii) \(0.92^6\)
\(\begin{aligned} \text { decrease in energy } & =6.4-\left(6.4 \times 0.92^6\right) \\ & =2.5 \mathrm{~mJ}\end{aligned}\)
(c)(iii) light damping because the amplitude of oscillations gradually reduces
or
light damping because the system still oscillates
Question
(a) State Coulomb’s law……………………………………………………………………………………………………………………………. [2]
(b) A charged sphere X is supported on an insulating stand. A second charged sphere Y iss uspended by an insulating thread so that sphere Y is in equilibrium at the position shown in Fig. 4.1.

The charge on sphere X is +96nC and the charge on sphere Y is +64nC. Assume that the spheres behave as point charges.
The length of the thread is 1.2m and the centres of sphere X and sphere Y are separated horizontally by a distance of 0.080m.
(i) On Fig. 4.2, draw and label all the forces acting on sphere Y
(ii) Determine the mass of sphere Y. [1]
mass = ……………………………………………. kg [4]
(iii) Calculate the total electric potential energy stored between X and Y.
energy = ……………………………………………… J [1]
(c) An electron enters the region between two parallel plates P and Q, that are separated by a distance of 18mm, as shown in Fig. 4.3.

The space between the plates is a vacuum.
The potential difference between the plates is \(250 \mathrm{~V}\). The electric field may be assumed to be uniform in the region between the plates and zero outside this region.
(i) State the direction of the electric force on the electron when between the plates. [1]
(ii) Determine the magnitude of the force acting on the electron due to the electric field.
force = …………………………………………….. N [2]
(iii) Explain why the electron does not follow a circular path. [1] [Total: 12]
▶️Answer/Explanation
Ans:
(a) (electric) force is (directly) proportional to product of charges force (between point charges) is inversely proportional to the square of their separation B1
(b)(i) arrows showing tension upwards in direction of string, electric force horizontally to the right and weight verticallydownwards and all three labelled
(b)(ii) \(\begin{aligned} F_E & =\frac{96 \times 10^{-9} \times 64 \times 10^{-9}}{4 \times \pi \times 8.85 \times 10^{-12} \times 0.080^2} \\ ( & \left.=8.63 \times 10^{-3} \mathrm{~N}\right)\end{aligned}\)
\(\begin{aligned} \text { either angle to vertical } & =\sin ^{-1} 0.080 / 1.2 \\ & \left(=3.82^{\circ}\right)\end{aligned}\)
\(\begin{aligned} \text { weight } & =F_E / \tan 3.82=8.63 \times 10^{-3} / \tan 3.82 \\ ( & =0.129 \mathrm{~N})\end{aligned}\)
\(\begin{aligned} \text { mass } & =0.129 / 9.81 \\ & =0.013 \mathrm{~kg}\end{aligned}\)
or \(T \sin \theta=m g\) and \(T \cos \theta=F_{\mathrm{E}}\) or \(\tan \theta=m g / F_{\mathrm{E}}\)
(b)(iii)\(\begin{aligned} & E_p=\frac{Q_1 Q_2}{4 \pi \varepsilon_o r}=\frac{96 \times 10^{-9} \times 64 \times 10^{-9}}{4 \times \pi \times 8.85 \times 10^{-12} \times 0.080} \\ & =6.9 \times 10^{-4} \mathrm{~J}\end{aligned}\)
\(=6.9 \times 10^{-4} \mathrm{~J}\)
(c)(i) towards the top of the page / towards plate P
(c)(ii) F = QE and E = V / d
\(\begin{aligned} F & =1.6 \times 10^{-19} \times 250 / 0.018 \\ & =2.2 \times 10^{-15} \mathrm{~N}\end{aligned}\)
(c)(iii) either the force is not (always) perpendicular to the velocity
or the force is always in the same direction
Question
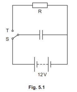
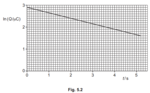
A capacitor, a battery of electromotive force (e.m.f.) 12V, a resistor R and a two-way switch are connected in the circuit shown in Fig. 5.1.

The switch is initially in position S. When the capacitor is fully charged, the switch is moved to position T so that the capacitor discharges. At time \(t\) after the switch is moved the charge on the capacitor is \(Q\).
The variation with \(t\) of \(\ln (Q / \mu C)\) is shown in Fig. 5.2.

(a) Show that the capacitance of the capacitor is 1.5μF. [3]
(b) Determine the resistance of R.
resistance = …………………………………………….. Ω [3]
(c) Calculate the energy stored in the capacitor at time t = 0.
energy = ……………………………………………… J [2]
(d) A second identical resistor is now connected in parallel with R.
The switch is initially in position S. When the capacitor is fully charged, the switch is moved to position \(T\) so that the capacitor discharges. At time \(t\) after the switch is moved the charge on the capacitor is \(Q\).
On Fig. 5.2, sketch a line to show the variation of \(\ln (Q / \mu C)\) with \(t\) between time \(t=0\) and time \(t=5.0 \mathrm{~s}\). [2] [Total: 10]
▶️Answer/Explanation
Ans:
(a) from graph \(\ln Q=2.9\)
$
\text { (so } Q=18.2 \mu \mathrm{C} \text { ) }
$
C = Q / V C1
\(=18.2 / 12=1.5 \mu \mathrm{F}\)
(b) gradient = –0.25
gradient = –1 / RC
\(\begin{aligned} R & =1 /\left(0.25 \times 1.5 \times 10^{-6}\right) \\ & =2.7 \times 10^6 \Omega\end{aligned}\)
or \(\frac{Q}{Q_0}=e^{-t / C R}\) or \(\ln Q-\ln Q_0=\frac{-t}{C R}\)
e.g. \(\frac{4.95}{18.2}=e^{-5.2 /\left(1.5 \times 10^{-6} R\right)}\) or \(1.6-2.9=5.2 /\left(1.5 \times 10^{-6} R\right)\)
\(R=2.7 \times 10^6 \Omega\)
(c) \(W=1 / 2 Q V\)
\(\begin{aligned} & =1 / 2 \times 18.2 \times 10^{-6} \times 12 \\ & =1.1 \times 10^{-4} \mathrm{~J}\end{aligned}\)
or \(W=1 / 2 \mathrm{CV}^2\)
\(\begin{aligned} & =1 / 2 \times 1.5 \times 10^{-6} \times 12^2 \\ & =1.1 \times 10^{-} 4 \mathrm{~J}\end{aligned}\)
or \(W=1 / 2 Q^2 / C\)
\(\begin{aligned} & =1 / 2 \times\left(18.2 \times 10^{-6}\right)^2 / 1.5 \times 10^{-6} \\ & =1.1 \times 10^{-} 4 \mathrm{~J}\end{aligned}\)
(d) straight line with different negative gradient starting from (0, 2.9) M1
straight line between t = 0 and at least t = 5.0s with twice the gradient of the original line
Question
(a) A Hall probe is placed in a magnetic field. The Hall voltage is zero. The Hall probe is rotated to a new position in the magnetic field. The Hall voltage is now maximum.
Explain these observations.[2]
(b) The formula for calculating the Hall voltage \(V_H\) as measured by a Hall probe is
$
V_{\mathrm{H}}=\frac{B I}{n t q}
$
Table 6.1 shows the value of \(n\) for two materials.

(i) State the meaning of n…………………………………………………………………………………………………………………….. [1]
(ii) Explain why a Hall probe is made from silicon rather than copper…………………………………………………………………………………………………………………….. [1]
(c) A Hall probe gives a maximum reading of \(24 \mathrm{mV}\) when placed in a uniform magnetic field of flux density \(32 \mathrm{mT}\).
The same Hall probe is then placed in a magnetic field of fixed direction and varying flux density. The Hall probe is in a fixed position so that the angle between the Hall probe and the magnetic field is the same as when the Hall voltage was \(24 \mathrm{mV}\).
The variation of the reading \(V_{\mathrm{H}}\) on the Hall probe with time \(t\) from time \(t=0\) to time \(t=8.6 \mathrm{~s}\) is shown in Fig. 6.1.

A coil with 780 turns and a diameter of 3.6cm is placed in this varying magnetic field. The plane of the coil is perpendicular to the field lines.
Calculate the magnitude of the maximum electromotive force (e.m.f.) induced in the coil in the time between t = 0 and t = 8.6s.
e.m.f. = ……………………………………………… V [4] [Total: 8]
▶️Answer/Explanation
Ans:
(a) it is zero when (plane of) probe is parallel to the (magnetic) field (lines) it is maximum when (plane of) probe is perpendicular to (magnetic) field (lines) B1
(b)(i) number density of charge carriers
(b)(ii) smaller value of \(n\) so greater Hall voltage / \(V_H\)
(c) (36 mV corresponds to) 48 mT
use of 1.4 s or (8.6 – 7.2) s
\(E=\Delta B A N / \Delta t\)
\(\begin{aligned} & =\frac{48 \times 10^{-3} \times 0.018^2 \times \pi \times 780}{1.4} \\ & =0.027 \mathrm{~V}\end{aligned}\)
Question
(a) A beam of white light passes through a cloud of cool gas. The spectrum of the transmitted light is viewed and contains a number of dark lines.
Explain why these dark lines occur……………………………………………………………………………………………………………………………. [4]
(b) Some energy levels for the electron in an isolated hydrogen atom are illustrated in Fig. 7.1.

Table 7.1 shows the wavelengths of photons that are emitted in the transitions to n = 2 from the other energy levels shown in Fig. 7.1.

The energy associated with the energy level n = 2 is – 3.40eV.
Calculate the energy, in J, of energy level n = 3. energy = ……………………………………………… J [3] [Total: 7]
▶️Answer/Explanation
Ans:
photon absorbed (by electron) and electron excited
photon energy equal to difference in (energy of two) energy levels
photon energy relates to a single wavelength / single frequency
electron de-excites and emits photon in any direction
\(\frac{h c}{\lambda}=\Delta E\)
uses 658nm
\(\begin{aligned} & \frac{6.63 \times 10^{-34} \times 3.00 \times 10^8}{658 \times 10^{-9}}=-E_1-\left(-3.40 \times 1.60 \times 10^{-19}\right) \\ & E_1=-2.42 \times 10^{-19} \mathrm{~J}\end{aligned}\)
Question
Plutonium-238 \(\left({ }_{94}^{238} \mathrm{Pu}\right)\) is unstable and undergoes alpha decay.
(a) Complete the equation to show the decay of plutonium-238. [2]
(b) The power source in a space probe contains \(0.874 \mathrm{~kg}\) of plutonium-238. Each nucleus of plutonium-238 that decays emits \(5.59 \mathrm{MeV}\) of energy. The half-life of plutonium-238 is 87.7 years.
(i) Calculate the initial number \(N_0\) of nuclei of plutonium-238 in the power source.
$
N_{\mathrm{o}}=
$
(ii) Determine the initial activity of the source. Give a unit with your answer.
(ii) Determine the initial activity of the source. Give a unit with your answer.
activity = ……………………………. unit ……………… [2]
(iii) Use your answer in (b)(ii) to determine the initial power output from the source due to the decay of plutonium-238.
power output = …………………………………………….. W [2]
(iv) The space probe will continue to function until the power output from the plutonium in the source decreases to \(65.3 \%\) of its initial value.
Calculate the time, in years, for which the space probe will function.
$\text { time }=$years [2]
(c) An alternative power source uses energy generated from the radioactive decay of polonium-210. This isotope has a half-life of 0.378 years. The mass of the isotope needed for the same initial power output as in (b) is \(3.37 \mathrm{~g}\).
Suggest one advantage and one disadvantage of using polonium-210 as the source of energy.
advantage……………………………………………………..
disadvantage…………………………………………………..[2][Total: 11]
▶️Answer/Explanation
Ans:
(a) 234, 92 for the uranium nucleus
4, 2 for the alpha particle
(b)(i) \(\begin{aligned} N_0 & =0.874 /\left(238 \times 1.66 \times 10^{-27}\right) \\ & =2.21 \times 10^{24}\end{aligned}\)
(b)(ii) \(A=\lambda N\)
\(\begin{aligned} & =\frac{\ln 2}{87.7 \times 365 \times 24 \times 3600} \times 2.21 \times 10^{24} \\ & =5.54 \times 10^{14} \mathrm{~Bq}\end{aligned}\)
(b)(iii) power \(=5.54 \times 10^{14} \times 5.59 \times 10^6 \times 1.60 \times 10^{-19}\)
= 496 W
(b)(iv) \(65.3=100 e^{-\frac{\ln 2}{87.7} t}\)
t = 53.9 years
(c) advantage: less mass so less energy needed to launch probe B1
disadvantage: half-life shorter so will not provide power for as long
Question
Ultrasound is used to produce diagnostic information about internal body structures.
(a) Explain how ultrasound waves are detected. [3]
(b) An alternating voltage \(V\) varies with time \(t\) according to
$
V=V_0 \sin \omega t
$
The voltage is applied to an ultrasound probe.
The root-mean-square (r.m.s.) voltage is \(66 \mathrm{~V}\). The frequency of the ultrasound generated by the probe is \(4.3 \mathrm{MHz}\).
Determine the values of
(i) \(V_0\)
$
V_0=
$
(ii) \(\omega\).
$ \omega= $ $ \mathrm{rad} \mathrm{s}^{-1} \text { [1] } $
(c) Table 9.1 contains information about air and soft tissue.

(i) Determine the unit for the specific acoustic impedance values shown in Table 9.1. [1]
(ii) Calculate the density of soft tissue.
density = ………………………………………. \(kgm^{–3}\) [1]
(iii) Use data from Table 9.1 to explain why ultrasound cannot be used to produce an image inside an air-filled cavity such as the lungs.
……………………………………………………………………………………………………………………. [2][Total: 9]
▶️Answer/Explanation
Ans:
(a) piezo-electric crystal
(ultrasound) wave causes shape change / vibrations (of crystal)
shape change / vibrations causes e.m.f. (which is detected)
(b)(i) 93V
(b)(ii) \(2.7 \times 10^7 \mathrm{rads}^{-1}\)
(c)(i) \(\mathrm{kg} \mathrm{m}^{-2} \mathrm{~s}^{-1}\)
(c)(ii) \(\begin{aligned} \rho & =Z / c=1.7 \times 10^6 / 1600 \\ & =1100 \mathrm{~kg} \mathrm{~m}^{-3}\end{aligned}\)
(c)(iii) intensity reflection coefficient \(\approx 1\) or \(Z_1\) and \(Z_2\) are very different
almost no / no ultrasound transmitted (into air filled cavity)
Question
(a) A student observes different stars from the Earth.Give two reasons why some stars appear brighter than others.
1 ………………………………………………………………………………………………………………………………
2 ………………………………………………………………………………………………………………………………[2]
(b) State what is meant by a standard candle……………………………………………………………………………………………………………………………. [1]
(c) A spectral line from a star within a galaxy is observed to have a wavelength of 660.9nm. The same spectral line measured in the laboratory is observed to have a wavelength of 656.3nm.
(i) Show that the speed of the star relative to the Earth is \(2.1 \times 10^6 \mathrm{~m} \mathrm{~s}^{-1}\). [1]
(ii) Calculate the distance to the star.
The Hubble constant is \(2.3 \times 10^{-18} \mathrm{~s}^{-1}\).
distance \(=\) \(\mathrm{m}[2]\)
(iii) State and explain what can be concluded about the Universe based on this change in observed wavelength.
▶️Answer/Explanation
Ans:
(a) brighter star could be closer (to Earth)
brighter star could have a greater luminosity (in the visible wavelengths)
(b) object with known luminosity
(c)(i) \(\frac{660.9-656.3}{656.3} \approx \frac{v}{3.0 \times 10^8}\) leading to \(2.1 \times 10^6 \mathrm{~m} \mathrm{~s}^{-1}\)
(c)(ii) \(v=H_0 d\)
(c)(iii) wavelength has increased / light is redshifted B1
star within galaxy is moving away / receding (from Earth) B1
Universe is expanding
