Questions 1
Topic – 1.2
(a) Table 1.1 lists some SI quantities. Complete the table by indicating with a tick (✓) which rows are SI base quantities

(b) Use the definition of power to determine its SI base units.
(c) A light meter is used to measure the intensity of light in a classroom. Daylight is incident normally on the sensor of the meter. The sensor has an area of 2.2\(cm^2\). The reading on the meter is 950\(Wm^{–2}\). Calculate the power of the daylight incident on the sensor.
▶️Answer/Explanation
Ans
(a) current and mass only ticked
(b) (power =) work (done) / time
units of power = \(J s^{–1}\)
= \(kg m^2 s^{–2}/ s\)
= \(kg m^2 s^{–3}\)
(c) power = intensity × area
= \(950 × 2.2 × 10^{–4}\)
= 0.21 W
Questions 2
Topic – 2.1
(a) Define acceleration.
(b) An Olympic diver stands on a platform above a pool of water, as shown in Fig. 2.1.

When the diver is on the platform his centre of gravity is a vertical height of 9.0m above the surface of the water. The diver jumps from the platform with a velocity of \(5.9ms^{–1}\) at an angle of 60° to the horizontal. Air resistance is negligible. When the diver hits the surface of the water, his centre of gravity is a vertical height of 1.2m above the surface of the water. Calculate the speed of the diver at the instant he hits the surface of the water.
(c) The diver in (b) enters the water and decelerates.
(i) Describe and explain the variation of the viscous drag force acting on the diver in the water as he moves downwards.
(ii) The diver has a volume of \(7.5 × 10^{–2}m^3\) . The density of the water is \(1.0 × 10^3 kgm^{–3}\) . Show that the upthrust acting on the diver when he is entirely underwater is 740N.
(iii) At a particular instant when the diver is entirely underwater his horizontal velocity is zero. The viscous drag force acting on him at this instant is 950N vertically upwards. The diver has mass 78kg. Determine the magnitude and direction of the acceleration of the diver.
▶️Answer/Explanation
Ans
(a) rate of change of velocity
(b) \(½ m( \Delta)v^2\)= mg(\( \Delta\) )h
\(v^2\) = 5.92 + 2 × 9.81 × 7.8
\(v^2\) = 188
v = \(14 m s^{–1}\)
or by resolving components
Vertically:
\(v^2 = u^2 + 2as\)
\(v^2\) = (5.9sin60)2 +2 × –9.81 × (1.2–9.0)
\(v_v\) = 13.4
horizontally:
\(v_h\) = 5.9cos60
\(v_h\) = 2.95
resultant velocity = √(13.42 + 2.952)
= \(14 m s^{–1}\)
(c)(i) (As the diver moves down their) speed decreases
(So) viscous force / drag (force) decreases
(ii) \((F =) \rho gV\)
= 1000 × 9.81 × 7.5 × \(10^{–2}\) = 740 (N)
(iii) resultant force = 740 + 950 – (78 × 9.81)
= 925
acceleration = F / m
= 925 / 78
= \(12 m s^{–2}\)
(vertically) upwards
Questions 3
Topic – 6.2
A thin metal wire X, of diameter \(1.2 × 10^{–3}\)m, is used to suspend a model planet, as shown in Fig. 3.1.

The variation with strain of the stress for wire X is shown in Fig. 3.2.

(a) The strain in X is \(5.4 × 10^{–3}\).
(i) Use Fig. 3.2 to calculate the force exerted on the wire by the model planet.
(ii) The elastic potential energy of X is 0.31J. Calculate the original length of the wire before the model planet was attached.
(b) Wire X is replaced by a new wire, Y, with the same original length and diameter but double the Young modulus of X. Wire Y also obeys Hooke’s law. On Fig. 3.2, draw a line representing the variation with strain of the stress for Y.
▶️Answer/Explanation
Ans
(a)(i) \(\sigma = 0.72 × 10^9\)
force = \(\sigma ×A\)
= \(0.72 × 10^9 ×\pi × (1.2 × 10^{–3}/ 2)^2\)
= 810 N
or
Young modulus = gradient of graph
e.g. = \(0.80 × 10^9/ 6.0 × 10^{–3}\)
= \(1.33 × 10^{11}\)
force= Young modulus × strain ×A
= \(1.33 × 10^{11} × 5.4 ×10^{–3} ×\pi × (1.2 × 10^{–3}/ 2)^2\)
= 810 N
(ii) \(E_{(P)} = ½ Fx\)
or \(E_{(P)} = ½ kx^2\) and F = kx
x = \(2E_P\) /F
x = 2 × 0.31 / 810
x = \(7.7 × 10^{–4}\)
L =\( x / \epsilon \)
L = \(7.7 × 10{–4}/ 5.4 × 10^{–3}\)
L = 0.14 m
or
\(E_{(P)}\) = ½ Fx+
or \(E_{(P)} = ½ kx^2\) and k = EA/L
x = \(2E_P / EA \epsilon \)
x = \(2 × 0.31 / (1.33 × 10^{11}× \pi × (1.2 × 10^{–3}/ 2)^2 × 5.4 × 10^{–3}\))
x = \(7.6 × 10^{–4}\)
L =\( x / \epsilon \)
L = \(7.6 × 10^{–4}/ 5.4 × 10^{–3}\)
L = 0.14 m
(b) A straight line, passing through the origin with a larger gradient than wire X.
Gradient of the line is twice the gradient of wire X.
Questions 4
Topic – 3.3
A nucleus P undergoes α-decay to form nucleus Q.
(a) Complete the equation for this decay.
![]()
(b) (i) State the principle of conservation of momentum.
(ii) Before the decay, nucleus P has a speed of \(3.2 × 10^5ms^{–1}\). After the decay, nucleus Q is stationary. Calculate the speed of the alpha particle after the decay.
▶️Answer/Explanation
Ans
(a)\(_{2}^{4}\rm{\alpha}\)
\(_{82}^{211}\textrm{Q}\)
(b)(i) sum / total momentum (of a system of bodies) is constant
or
sum / total momentum before = sum / total momentum after for an isolated system / no (resultant) external force
(ii) pα = pP – pQ
4(u)v = \(215(u) \times 3.2 \times 10^5(– 0)\)
v = \(215(u) \times 3.2 \times 10^5/ 4(u)\)
v = \(1.7 \times 10^7 m s^{–1}\)
Questions 5
Topic – 7.4
(a) By reference to the direction of propagation of energy, state what is meant by a transverse wave.
(b) A space telescope is designed to detect electromagnetic radiation with wavelengths in the range 12μm to 28μm. State the region of the electromagnetic spectrum for this radiation.
(c) A detector on another space telescope detects an electromagnetic wave. The signal from the detector is transmitted to Earth and displayed on an oscilloscope as shown in Fig. 5.1. The frequency of the signal displayed on the oscilloscope is equal to the frequency of the detected electromagnetic wave.

The time-base setting on the oscilloscope is \(5.0 × 10^{–15} scm^{–1}\). Calculate the wavelength of the detected electromagnetic wave.
▶️Answer/Explanation
Ans
(a) vibrations / oscillations (of the particles / wave) are perpendicular to the direction (of the propagation of energy)
(b) infrared
(c) T =\( 6 \times 5.0 \times 10^{–15}\)
T = \(3.0 \times 10^{–14}\)
\(\lambda\) = c T or \(\lambda \)= c / f and f = 1 / T
\(\lambda \)= \(3.0 \times 10^8 \times 3.0 \times 10^{-14} or \times = 3.0 \times 10^8 / 3.33 \times 10^{13}\)
= \(9.0 \times 10^{–6}\) m
Questions 6
Topic – 8.3
(a) Coherent visible light of a single frequency is incident normally on a double slit. This produces a pattern of bright and dark interference fringes on a screen, as illustrated in Fig. 6.1.

There are seven bright fringes.
(i) Explain how the pattern of bright and dark interference fringes is formed.
(ii) The distance between the centres of bright fringe X and bright fringe Y in the pattern is 10.2mm. The slit spacing is 1.2mm. The distance from the slits to the screen is 3.1m. Calculate the wavelength of the light incident on the slits.
(iii) The light is replaced by different visible light with a shorter wavelength. State how the new fringe separation will compare to the original fringe separation.
(b) A stationary wave is formed on a stretched string AB, as shown in Fig. 6.2.

P, Q and R are points on the string.
(i) On Fig. 6. 2, draw a cross (×) to show the position of a node.
(ii) State the phase difference between P and Q.
phase difference = …………………………………………….
(iii) State the phase difference between P and R.
phase difference = ………………………………………………
▶️Answer/Explanation
Ans
(a)(i) Any three from:
• Light diffracts at the (two) slits.
• Light (from each slit) meets / superposes (at the screen).
• When the phase difference is 0 (degrees) a bright fringe / (intensity) maximum is formed.
• When the phase difference is 180 (degrees) a dark fringe / (intensity) minimum is formed.
(ii) \( \lambda = ax / D\)
\( \lambda = 1.2 \times 10^{–3} \times (10.2 \times 10^{–3}/ 6) / 3.1 \)
\( \lambda = 6.6 \times 10^{–7} m\)
(iii) (new fringe separation will be) smaller
(b)(i) A cross at the intersection of the string and the mean position line.
(ii) 0
(iii) 180˚
Questions 7
Topic – 18.5
(a) Define electric potential difference.
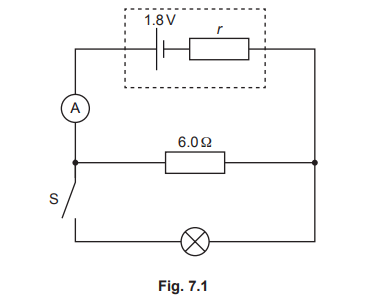
(b) A cell of electromotive force (e.m.f.) 1.8V and internal resistance r is connected in parallel with a resistor of resistance 6.0Ω and a filament lamp, as shown in Fig. 7.1.

The switch S is open. The ammeter reading is 0.25A. Determine the internal resistance r of the cell.
(c) At time \(t_1\) switch S in Fig. 7.1 is closed. Fig. 7.2 shows the variation with time t of the ammeter reading I. 
(i) State whether the e.m.f. of the cell after \(t_1\) is greater than, less than or the same as it wasbefore \(t_1\).
(ii) By considering the effect of the lamp on the total resistance of the circuit, explain the variation of the ammeter reading shown in Fig. 7.2.
▶️Answer/Explanation
Ans
(a) energy (transferred) per (unit) charge
(b) V = \(0.25 \times 6\)
=1.5
Ir = E – IR
Ir = 1.8 – 1.5
= 0.3
r = 0.3 / 0.25
= 1.2 Ω
or
(Total) R = 1.8 / 0.25
= 7.2
E / I = (R + r)
1.8/0.25 = 6 + r
r = 7.2 – 6
= 1.2 Ω
(c)(i) The same
(ii) Any 3 from:
• before \(t_1\) / when current constant, the (total) resistance is constant
• at \(t_1\) / when current increases, the (total) resistance decreases (due to decrease of external resistance)
• (after \(t_1\)) temperature (of lamp) increases
(so the resistance of the lamp increases)
• (after \(t_1\)) resistance of lamp increases (so total resistance increases so the current in the ammeter decreases)
Questions 8
Topic – 11.1
(a) State the name of the class (group) of fundamental particles that contains a neutrino.
(b) A hadron P has a charge of +1e, where e is the elementary charge. The hadron P is composed of a down antiquark and only one other quark.
(i) Identify a possible flavour for this other quark.
(ii) State what type of hadron is P.
(c) Nucleus Q undergoes radioactive decay to form nucleus R, emitting an antineutrino and another particle X, as shown in the decay equation.
![]()
(i) State what particle is represented by X.
(ii) Compare the nucleon numbers of Q and R.
(iii) Compare the charges of Q and R.
▶️Answer/Explanation
Ans
(a) lepton(s)
(b)(i) up or top or charm
(ii) meson(s)
(c)(i) \(\beta ^–\) (particle) or electron
(ii) equal
(iii) (the charge of) R is greater (than Q)
