Questions 1
Topic – 6.1 Stress and strain
Which term represents a physical quantity?
A metre
B percentage uncertainty
C quark flavour
D spring constant
▶️Answer/Explanation
Ans D
Questions 2
Topic – 1.2 SI units
Which two units are identical when expressed in terms of SI base units?
A \(J C^{–1}\) and \(kgm^2A^{–1} s^{–2}\)
B J s and \(kg m^2 s^{–1}\)
C N m and \(kgm^3 s^{–2}\)
D Ns and \(kgm s^{–3}\)
▶️Answer/Explanation
Ans B
Questions 3
Topic – 2.1 Equations of motion
A value for the acceleration of free fall on Earth is given as \((10 \pm 2) m s^{–2}\). Which statement is correct?
A The value is accurate but not precise.
B The value is both precise and accurate.
C The value is neither precise nor accurate.
D The value is precise but not accurate.
▶️Answer/Explanation
Ans A
Questions 4
Topic – 4 Forces, density and pressure
Two cables are attached to a bracket and exert forces as shown.

What are the magnitudes of the horizontal and vertical components of the resultant of the two forces? 
▶️Answer/Explanation
Ans C
Questions 5
Topic – 2.1 Equations of motion
The curved line PQR is the velocity–time graph for a car starting from rest.

What is the average acceleration of the car over the first 5 s?
A the area below the curve PQ
B the area of the triangle PQS
C the gradient of the straight line PQ
D the gradient of the tangent at Q
▶️Answer/Explanation
Ans C
Questions 6
Topic – 2.1 Equations of motion
A ball is thrown horizontally with a speed of \(10.0 m s^{–1}\) above horizontal ground. The ball hits the ground after a time of 3.0 s. Air resistance is negligible. What is the speed of the ball just before it hits the ground?
A 10 \(m s^{–1}\)
B 29 \(m s^{–1}\)
C 31 \(m s^{–1}\)
D 39 \(m s^{–1}\)
▶️Answer/Explanation
Ans C
Questions 7
Topic – 3.1 Momentum and Newton’s laws of motion
An object is moving along the ground in a straight line at a constant speed. Which statement about the resultant force acting on the object is correct?
A The resultant force acting on the object is equal to its weight.
B The resultant force acting on the object is equal to the product of its mass and its velocity.
C The resultant force acting on the object is equal to the resistive force.
D The resultant force acting on the object is equal to zero.
▶️Answer/Explanation
Ans D
Questions 8
Topic – 4.3 Density and pressure
Water flows out of a pipe and hits a wall. 
When the jet of water hits the wall, it has horizontal velocity v and cross-sectional area A. The density of the water is \(\rho\). The water does not rebound from the wall. What is the force exerted on the wall by the water?
A\(\frac{\rho v}{A}\)
B\(\frac{\rho v^2}{A}\)
C\({\rho Av}\)
D\({\rho Av^2}\)
▶️Answer/Explanation
Ans D
Questions 9
Topic – 4.1 Turning effects of forces
A projectile is launched at an angle above horizontal ground and travels through the air.

The projectile reaches its maximum height at position X. Assume that no upthrust acts on the projectile. Which diagram shows the directions of the force or forces acting on the projectile at position X? 
▶️Answer/Explanation
Ans B
Questions 10
Topic – 3.3 Linear momentum and its conservation
What is a statement of the principle of conservation of momentum?
A A force is equal to the rate of change of momentum of the object upon which it acts.
B In a perfectly elastic collision, the relative momentum of the objects before impact is equal to their relative momentum after impact.
C The momentum of an object is the product of the mass of the object and its velocity.
D The total momentum of a system of interacting objects remains constant, providing no resultant external force acts on the system.
▶️Answer/Explanation
Ans D
Questions 11
Topic – 4.1 Turning effects of forces
A horizontal wooden plank is pivoted at one end, as shown.

The plank has a mass of 100 kg and a length of 10 m. The centre of gravity of the plank is a distance of 4 m from the pivot. What is the moment of the weight of the plank about the pivot?
A \(4 \times 10^2N m\)
B \(5 \times 10^2N m\)
C \(4 \times 10^3N m\)
D \(5 \times 10^3N m\)
▶️Answer/Explanation
Ans C
Questions 12
Topic – 4.2 Equilibrium of forces
When must an object be in equilibrium?
A when no resultant force acts on the object
B when no resultant force and no resultant torque act on the object
C when no resultant torque acts on the object
D when the upward force on the object is equal and opposite to its weight
▶️Answer/Explanation
Ans B
Questions 13
Topic – 4.2 Equilibrium of forces
A uniform diving board is held by two fixed rods at points P and Q. A person stands at end R of the diving board, as shown.

The forces exerted by the rods on the board are vertical. The board remains in equilibrium as the person slowly moves towards point Q from end R. Which row describes the changes to the magnitudes of the forces exerted by the rods on the board? 
▶️Answer/Explanation
Ans A
Questions 14
Topic – 4.3 Density and pressure
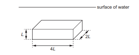
A solid block has sides of length L, 2L and 4L. The block is submerged in water of uniform density so that the faces with the largest area are horizontal, as shown.

The upthrust acting on the block is U. The block is now rotated to a new position so that the faces with the smallest area are horizontal. The block remains fully submerged in the water. What is the upthrust acting on the block in its new position?
A\(\frac{U}{4}\)
B U
C 2U
D 4U
▶️Answer/Explanation
Ans B
Questions 15
Topic – 4.3 Density and pressure
In a large container in an oil refinery, three oils of different densities are mixed. No chemical activity occurs. The mixture consists of:
1200 kg of oil of density 1100 \(kgm^{–3}\)
1500 kg of oil of density 860 \(kgm^{–3}\)
4000 kg of oil of density 910 \(kgm^{–3}\)
What is the density of the mixture?
A 927 \(kgm^{–3}\)
B 933 \(kgm^{–3}\)
C 957 \(kgm^{–3}\)
D 1045 \(kgm^{–3}\)
▶️Answer/Explanation
Ans A
Questions 16
Topic – 13.4 Gravitational potential
A box slides down a rough ramp. The change in the gravitational potential energy of the box is 16 J as it moves between positions X and Y. The box has 24 J of kinetic energy at X and 35 J of kinetic energy at Y.

How much work is done against the frictional force?
A 5 J
B 19 J
C 27 J
D 43 J
▶️Answer/Explanation
Ans A
Questions 17
Topic – 5.1 Energy conservation
The total energy supplied to an electric motor is E. Energy Q is wasted and the remaining energy does useful work. What is the efficiency of the motor?
A \(\frac{Q}{E}\)
B \((\frac{Q}{E})-1\)
C \(1-(\frac{Q}{E})\)
D \(\frac{1-Q}{E}\)
▶️Answer/Explanation
Ans C
Questions 18
Topic – 5.2 Gravitational potential energy and kinetic energy
Objects with different masses are placed on the horizontal surface of a table. The objects are then raised to different heights above the table. The gain in gravitational potential energy of each object is the same. Which graph best shows the variation of the height h of the objects above the table with their mass m?

▶️Answer/Explanation
Ans A
Questions 19
Topic – 6.1 Stress and strain
Two wires, P and Q, are made from the same metal and hang vertically from a steel girder. Wire Q has half the length and twice the diameter of wire P. Identical masses are attached to the bottom of each wire. Both wires obey Hooke’s law as they are stretched by the weight of the masses. What is the ratio \(\frac{extension of wire P}{extension of wire Q}\) ?
A\(\frac{8}{1}\)
B\(\frac{4}{1}\)
C\(\frac{1}{1}\)
D\(\frac{2}{1}\)
▶️Answer/Explanation
Ans A
Questions 20
Topic – 6.2 Elastic and plastic behaviour
Which statement about elastic and plastic deformation must be correct?
A Elastic deformation and plastic deformation are proportional to the applied force.
B Elastic deformation and plastic deformation cause no change in volume.
C Elastic deformation causes heating of the material but plastic deformation does not.
D Elastic deformation is reversible but plastic deformation is not.
▶️Answer/Explanation
Ans D
Questions 21
Topic – 7.1 Progressive waves
The graph shows the variation with time of the displacement of a particle as a progressive wave passes.

What are the frequency and the amplitude of the wave? 
▶️Answer/Explanation
Ans A
Questions 22
Topic – 7.1 Progressive waves
The graph shows the variation of the displacement of an air particle with time as a sound wave passes through air.

The intensity of the sound is halved while the frequency remains constant. The four graphs below are drawn to the same scale as the graph above. Which graph shows the displacement of the air particle?

▶️Answer/Explanation
Ans D
Questions 23
Topic – 7.2 Transverse and longitudinal waves
Which statement is correct?
A Gases cannot transmit longitudinal waves.
B Longitudinal sound waves cannot form stationary waves.
C Solids can transmit both transverse and longitudinal waves.
D Transverse waves cannot pass through a vacuum.
▶️Answer/Explanation
Ans C
Questions 24
Topic – 7.3 Doppler effect for sound waves
A car is travelling at a constant velocity directly towards a man standing in the middle of the road. The driver sounds the car’s horn as a warning. The horn emits a sound wave of constant frequency. The frequency of the sound heard by the man is different from the frequency of the sound emitted by the horn. Which statement is correct?
A The frequency of the sound emitted by the horn is greater than the frequency of the sound heard by the man.
B The frequency of the sound heard by the man depends on the distance between the car and the man.
C The sound waves continually accelerate as they move from the horn to the man.
D The wavelength of the sound heard by the man is less than the wavelength of the sound emitted by the horn.
▶️Answer/Explanation
Ans D
Questions 25
Topic -7.4 Electromagnetic spectrum
Which statement about electromagnetic waves is correct?
A A wave of wavelength \(5.0 \times 10^{–6}\) m is invisible to the human eye.
B They can all travel at different speeds in free space.
C They cannot be polarised.
D They consist of vibrating atoms.
▶️Answer/Explanation
Ans A
Questions 26
Topic – 8.1 Stationary waves
A stationary wave is set up on a string that is stretched between two fixed points that are 48 cm apart. At one instant, the appearance of the string is as shown.

What is the wavelength of the stationary wave?
A 16 cm
B 32 cm
C 48 cm
D 72 cm
▶️Answer/Explanation
Ans B
Questions 27
Topic -24.1 Production and use of ultrasound
A pipe, closed at one end, has a loudspeaker at the open end. For some frequencies of sound from the loudspeaker, a stationary sound wave is formed in the air within the pipe with an antinode at the open end of the pipe.

The length of the pipe is 0.85 m. The speed of sound in air is \(340 ms^{–1}\). Which frequency of sound from the loudspeaker would not produce a stationary wave?
A 100 Hz
B 200 Hz
C 300 Hz
D 500 Hz
▶️Answer/Explanation
Ans B
Questions 28
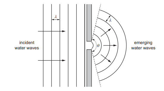
Topic -7.1 Progressive waves
Water waves of wavelength \(\lambda\) are incident normally on an obstacle with a narrow gap. The width of the gap is equal to \(\lambda\). The waves from the gap emerge over an angle \(\Theta\), as shown.
The gap is slowly widened. Which changes, if any, occur to \(\Theta\) and to the wavelength of the emerging waves? 
▶️Answer/Explanation
Ans A
Questions 29
Topic -8.3 Interference
Light of a single frequency passes through two narrow slits and produces an interference pattern on a screen some distance away. The interference fringes are very close together. Which change would increase the distance between the fringes?
A Increase the brightness of the light source.
B Increase the distance between the slits and the screen.
C Increase the distance between the two slits.
D Increase the frequency of the light used.
▶️Answer/Explanation
Ans B
Questions 30
Topic -8.4 The diffraction grating
Light of wavelength \(5.4 \times 10^{–7} m\) is incident normally on a diffraction grating. The separation between adjacent lines in the grating is \(2.0 \times 10^{–6} m\). The light that emerges from the grating falls on a semicircular screen, as shown in the view from above.

The grating is at the centre of the semicircle, and the lines of the grating are vertical. How many bright dots are formed on the screen?
A 3
B 4
C 6
D 7
▶️Answer/Explanation
Ans D
Questions 31
Topic -2.1 Equations of motion
A straight copper wire of diameter \(0.42 \times 10^{–3} m\) has a number density of free electrons of \(8.5 \times 10^{28} m^{–3}\). In a given time interval, a charge of 0.15 C moves through the wire. What is the average displacement of the free electrons along the wire in this time interval?
A \(3.3 \times 10^{–8} m\)
B \(2.0 \times 10^{–5} m\)
C \(8.0 \times 10^{–5} m\)
D \(2.5 \times 10^{–4} m\)
▶️Answer/Explanation
Ans C
Questions 32
Topic -9.2 Potential difference and power
What is the definition of the potential difference (p.d.) across a component?
A the electrical power supplied to the component
B the energy transferred to the component per unit charge
C the product of the current in the component and its resistance
D the voltage across the component
▶️Answer/Explanation
Ans B
Questions 33
Topic -10.1 Practical circuits
The graph shows the I–V characteristic for a semiconductor diode.

Which statement can be deduced from the graph?
A Above a certain positive potential difference the diode obeys Ohm’s law.
B Current is directly proportional to potential difference when the current in the diode is in one direction.
C The diode has zero resistance when the current in the diode is in one direction.
D The resistance of the diode depends upon the potential difference across it.
▶️Answer/Explanation
Ans D
Questions 34
Topic -3 Resistance and resistivity
A wire has a resistance of \(30\Omega \). A second wire is made from the same material, has the same mass and is three times as long as the first wire. What is the resistance of the second wire?
A 10\(\Omega \)
B 30\(\Omega \)
C 90\(\Omega \)
D 270\(\Omega \)
▶️Answer/Explanation
Ans D
Questions 35
Topic -10.1 Practical circuits
A cell has internal resistance r and electromotive force (e.m.f.) E. The cell is connected in series with an ammeter and a variable resistor of resistance R.

When R is \(10\Omega \) the ammeter reads 0.3A. When R is \(5\Omega \) the ammeter reads 0.4A. What is the value of E?
A 0.5V
B 2V
C 3V
D 6V
▶️Answer/Explanation
Ans D
Questions 36
Topic -10.1 Practical circuits
The sum of the currents entering a junction in an electrical circuit is always equal to the sum of the currents leaving the junction. Why is this?
A It is a consequence of the conservation of charge.
B It is a consequence of the conservation of electromotive force.
C It is a consequence of the conservation of energy.
D It is a consequence of the conservation of potential difference.
▶️Answer/Explanation
Ans A
Questions 37
Topic -9.2 Potential difference and power
In the circuits shown, the temperature remains constant. In which circuit does the potential difference (p.d.) V increase with increasing light intensity?

▶️Answer/Explanation
Ans D
Questions 38
Topic -11.1 Atoms, nuclei and radiation
Carbon-14 decays into nitrogen-14 by emitting a \(\beta^–\) particle. Which statement explains why the \(\beta^–\) particles are emitted with a range of different kinetic energies?
A The carbon-14 nuclei have slightly different masses.
B The emitted \(\beta^–\) particles have a range of different masses.
C The energy released in the decay process is different for each carbon-14 nucleus that decays.
D The energy released in the decay process is shared between the nitrogen-14 nucleus, a \(\beta^–\)particle and an antineutrino.
▶️Answer/Explanation
Ans D
Questions 39
Topic -11.1 Atoms, nuclei and radiation
A nucleus of a radioactive element emits an \(\alpha\)-particle, then a \(\beta^–\) particle and then another \(\beta^–\)particle. Which statement describes the final element that is produced?
A It is a different element of higher proton number than the original element.
B It is a different element of lower nucleon number than the original element.
C It is an isotope of the original element.
D It is the same element as the original element but with a different proton number.
▶️Answer/Explanation
Ans C
Questions 40
Topic -11.1 Atoms, nuclei and radiation
How many hadrons, baryons and mesons are there in a nucleus of \(_{4}^{9}Be\)?

▶️Answer/Explanation
Ans C
