Questions 1
Topic -5.2 Gravitational potential energy and kinetic energy
(a) (i) Define gravitational potential at a point.
(ii) Starting from the equation for the gravitational potential due to a point mass, show that the gravitational potential energy EP of a point mass m at a distance r from another point mass M is given by
\(E_P=-\frac{GMm}{r}\)
where G is the gravitational constant.
(b) Fig. 1.1 shows the path of a comet of mass \(2.20 × 10^{14} kg\) as it passes around a star of mass \(1.99 × 10^{30} kg\).

At point X, the comet is \(8.44 × 10^{11}m\) from the centre of the star and is moving at a speed of \(34.1kms^{–1}\).
At point Y, the comet passes its point of closest approach to the star. At this point, the comet is a distance of \(6.38 × 10^{10}m\) from the centre of the star.
Both the comet and the star can be considered as point masses at their centres.
(i) Calculate the magnitude of the change in the gravitational potential energy \(ΔE_P\) of the comet as it moves from position X to position Y.
(ii) State, with a reason, whether the change in gravitational potential energy in (b)(i) is an increase or a decrease.
(iii) Use your answer in (b)(i) to determine the speed, in \(kms^{–1}\), of the comet at point Y.
(c) A second comet passes point X with the same speed as the comet in (b) and travelling in the same direction. This comet is gradually losing mass. The mass of this comet when it passes point X is the same as the mass of the comet in (b). Suggest, with a reason, how the path of the second comet compares with the path shown in Fig. 1.1.
▶️Answer/Explanation
Ans
(a)(i) work (done) per unit mass
work (done on mass) in moving mass from infinity (to the point)
(ii) \(E_P\) =ϕm
\(E_P\) = (– GM / r) × m = – GMm / r
or
ϕ = – GM / r and \(E_P\) = ϕm = – GMm / r
(b)(i) \(ΔE_P = 6.67 \times 10^{–11} \times 1.99\times 10^{30} \times 2.20 \times 10^{14}\times [1 / (6.38\times 10^{10}) – 1 / (8.44 \times 10^{11})]\)
= \(4.23 \times 10^{23} J\)
(ii) (gravitational) force is attractive so decrease
or
(gravitational) force does work so decrease
(iii) \(Δ E_P = ½ m(v_2^2–v_1^2)\)
\(4.23 \times 10^{23} = ½\times 2.20 \times 10^{14}\times (v^2 – 34 100^2)\)
\(v (= 70800 s^{–1}) = 70.8 kms^{–1}\)
(c) both PE and KE equations include m, so path is unchanged
Questions 2
Topic -18.3 Electric force between point charges
(a) State Coulomb’s law.
(b) Positronium is a system in which an electron and a positron orbit, with the same period, around their common centre of mass, as shown in Fig. 2.1.

The radius r of the orbit of both particles is \(1.59 × 10^{–10}m\).
(i) Explain how the electric force between the electron and the positron causes the path of the moving particles to be circular.
(ii) Show that the magnitude of the electric force between the electron and the positron is \(2.28 × 10^{–9}N\).
(iii) Use the information in (b)(ii) to determine the period of the circular orbit of the two particles.
(c) Positronium is highly unstable, and after a very short period of time it becomes gamma radiation.
(i) Describe how gamma radiation is formed from the two particles in positronium.
(ii) State one medical application of the process described in (c)(i).
▶️Answer/Explanation
Ans
(a) (electric) force is (directly) proportional to product of charges
force (between point charges) is inversely proportional to the square of their separation
(b)(i) (electric) force is perpendicular to velocity (of particles)
force (perpendicular to velocity) causes centripetal acceleration
or
force does not change the speed of the particles
or
force has constant magnitude
(ii) \(F = e^2 / 4 \pi \varepsilon_0x^2\)
= \((1.60 \times 10–19)2 / [4\pi \times 8.85 \times 10^{–12} \times (2 \times 1.59 \times 10^{–10})^2]\)
= \(2.28 \times 10^{–9} N\)
(iii) \(F = mr\omega ^2\) and ω = 2π / T
or
F = mv² / r and v = 2πr / T
F = 4π²mr / T²
\(T = √ [4π^2 × 9.11 ×10^{–31}× 1.59× 10^{–10} / (2.28× 10^{–9})]\)
= \(1.58\times 10^{–15}s\)
(c)(i) electron and positron interact
positron is anti-particle of electron
(pair) annihilation occurs
Any two points, 1 mark each
mass of the electron and positron converted into photon energy
(ii) PET scanning
Questions 3
Topic -14.3 Specific heat capacity and specific latent heat
(a) Define specific latent heat of vaporisation.
(b) The specific latent heat of vaporisation of water at atmospheric pressure of \(1.0 × 10^5 Pa\) is \(2.3 × 10^6 Jkg^{–1}\). A mass of 0.37kg of liquid water at 100°C is provided with the thermal energy needed to vaporise all of the water at atmospheric pressure.
(i) Calculate the thermal energy q supplied to the water.
(ii) The mass of 1.0mol of water is 18g. Assume that water vapour can be considered to behave as an ideal gas. Show that the volume of water vapour produced is \(0.64m^3\).
(iii) Assume that the initial volume of the liquid water is negligible compared with the volume of water vapour produced. Determine the magnitude of the work done by the water in expanding against the atmosphere when it vaporises.
(iv) Use your answers in (b)(i) and (b)(iii) to determine the increase in internal energy of the water when it vaporises at 100°C. Explain your reasoning.
(c) Use the first law of thermodynamics to suggest, with a reason, how the specific latent heat of vaporisation of water at a pressure greater than atmospheric pressure compares with its
value at atmospheric pressure.
▶️Answer/Explanation
Ans
(a) (thermal) energy per unit mass
energy to change state between liquid and gas at constant temperature
(b)(i) q = mL = 0.37 × 2.3 ×\( 10^6\)
= \(8.5 × 10^5 J\)
(ii) pV = nRT and T = 373 K
n = 370 / 18
V = [(370 / 18)× 8.31× 373] / (1.0× \(10^5\)) = \(0.64m^3\)
(iii)w =pΔV
= \(1.0× 10^5 × 0.64\)
= \(6.4× 10^4 J\)
(iv) (water does work against atmosphere so) work done on water is negative
increase in internal energy = \((8.5 – 0.64)× 10^5 = 7.9× 10^5 J\)
(c) valid reasoning of how work done by water is affected
correct use of first law to draw conclusion about effect on specific latent heat that is consistent with work done
Questions 4
Topic -17.3 Damped and forced oscillations, resonance
(a) State what is meant by resonance.
(b) Fig. 4.1 shows a heavy pendulum and a light pendulum, both suspended from the same piece of string. This string is secured at each end to fixed points.

Both pendulums have the same natural frequency. The heavy pendulum is set oscillating perpendicular to the plane of the diagram. As it oscillates, it causes the light pendulum to oscillate. Fig. 4.2 shows the variation with time t of the displacements of the two pendulums for three oscillations.

The variation with t of the displacement x of the light pendulum is given by
\(x = 0.25sin5.0 \pi t\)
where x is in centimetres and t is in seconds.
(i) Calculate the period T of the oscillations.
(ii) On Fig. 4.2, label both of the axes with the correct scales. Use the space below for any additional working that you need.
(iii) Determine the magnitude of the phase difference φ between the oscillations of the light and heavy pendulums. Give a unit with your answer.
▶️Answer/Explanation
Ans
(a) oscillations (of object) at maximum amplitude
when driving frequency equals natural frequency (of object)
(b)(i)T = 2π / ω
= 2π / 5.0π
= 0.40s
(ii) displacement scale labelled –1.0, –0.5, (0), 0.5, 1.0 on the 2 cm tick marks
t scale labelled 0.2, 0.4, 0.6, 0.8, 1.0, 1.2 on the 2 cm tick marks
(iii) ϕ = 2πΔt / T
= 2π × 0.10 / 0.40 or 2π × 0.30 / 0.40
= 1.6 rad or 4.7 rad
Questions 5
Topic -19.1 Capacitors and capacitance
(a) Define the capacitance of a parallel plate capacitor.
(b) Two capacitors, of capacitances \(C_1\) and \(C_2\), are connected in parallel to a power supply of electromotive force (e.m.f.) E, as shown in Fig. 5.1.

Show that the combined capacitance \(C_T\) of the two capacitors is given by
\(C_T = C_1 + C_2\).
Explain your reasoning. You may draw on Fig. 5.1 if you wish.
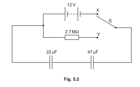
(c) Two capacitors of capacitances 22μF and 47μF, and a resistor of resistance 2.7MΩ, are connected into the circuit of Fig. 5.2.

The battery has an e.m.f. of 12V.
(i) Show that the combined capacitance of the two capacitors is 15μF.
(ii) The two-way switch S is initially at position X, so that the capacitors are fully charged. Use the information in (c)(i) to calculate the total energy stored in the two capacitors.
(iii) The two-way switch is now moved to position Y. Determine the time taken for the potential difference (p.d.) across the 22μF capacitor to become 6.0V.
▶️Answer/Explanation
Ans
(a) charge / potential (difference)
charge is charge on one plate, and potential is p.d. across the plates
(b) p.d. across both capacitors = E
\(Q_T =Q_1 + Q_2\)
\(C_TE =C_1E +C_2E\) hence
\(C_T =C_1 +C_2\)
(c)(i) \([(1 / 22) + (1 / 47)]^{–1}\) = 15μF
(ii) \(energy = ½CV^2\)
= \(½\times 15\times 10^{–6}\times 12^2\)
= \(1.1\times 10^{–3} J\)

Questions 6
Topic -20.1 Concept of a magnetic field
(a) State the two conditions that must be satisfied for a copper wire, placed in a magnetic field, to experience a magnetic force.
(b) A long air-cored solenoid is connected to a power supply, so that the solenoid creates a magnetic field. Fig. 6.1 shows a cross-section through the middle of the solenoid.

The direction of the magnetic field at point W is indicated by the arrow. Three other points are labelled X, Y and Z.
(i) On Fig. 6.1, draw arrows to indicate the direction of the magnetic field at each of the points X, Y and Z.
(ii) Compare the magnitude of the flux density of the magnetic field:
● at X and at W
● at Y and at Z.
(c) Two long parallel current-carrying wires are placed near to each other in a vacuum. Explain why these wires exert a magnetic force on each other. You may draw a labelled diagram if you wish.
▶️Answer/Explanation
Ans
(a) there must be a current (in the wire)
(wire) must be at a non-zero angle to the magnetic field
(b)(i) arrow from X pointing horizontally to the left
arrow from Y pointing diagonally upwards and to the left at about 45°
arrow from Z pointing horizontally to the right
(ii) (flux densities at W and X are approximately) equal
(flux density at) Y greater than (flux density at) Z
(c) current in wire creates magnetic field around wire
(each) wire sits in the magnetic field created by the other
(for each wire,) current / wire is perpendicular to magnetic field (due to other wire), (so) experiences a (magnetic) force
Questions 7
Topic -10.1 Practical circuits
(a) State Faraday’s law of electromagnetic induction.
(b) Two coils are wound on an iron bar, as shown in Fig. 7.1.

Coil 1 is connected to a potential difference (p.d.) \(V_1\) that gives rise to a magnetic field in the iron bar. Fig. 7.2 shows the variation with time t of the magnetic flux density B in the iron bar. 
A voltmeter measures the electromotive force (e.m.f.) \(V_2\) that is induced across coil 2
On Fig. 7.3, sketch the variation with t of \(V_2\) between t = 0 and t = 0.40s.

(c) Coil 2 in (b) is now replaced with a copper ring that rests loosely on top of coil 1. The supply to coil 1 is replaced with a cell and a switch that is initially open, as shown in Fig. 7.4. 
(i) The switch is now closed. As it is closed, the copper ring is observed to jump upwards. Explain why this happens.
(ii) Suggest, with a reason, what would be the effect of repeating the procedure in (c)(i) with the terminals of the cell reversed.
▶️Answer/Explanation
Ans
(a) induced e.m.f. is (directly) proportional to rate
of change of (magnetic) flux (linkage)
(b)\(V_2\) stepped, all at non-zero values, between t = 0 and t = 0.40 s
\(V_2\) shown with same non-zero magnitude up to t = 0.15 s and after t = 0.25 s but with a different magnitude between these times
\(V_2\) shown with a magnitude between t = 0.15 s and t = 0.25 s that is three times the magnitude before t = 0.15 s and after t = 0.25 s
\(V_2\) shown with same sign up to t = 0.15 s and after t = 0.25 s, and opposite sign in between
(c)(i) changing current in coil causes changing (magnetic) field
or
changing (magnetic) flux causes induced e.m.f. in ring
induced e.m.f. in ring causes current in ring
(magnetic) field due to (induced) current in ring interacts with (coil’s) field to cause upwards force (on ring)
or
(induced) current in ring perpendicular to (coil’s magnetic) field causes upwards force (on ring)
(ii) both magnetic fields reverse direction so ring still jumps up
or
current (in ring) and (coil’s) field both reverse so ring still jumps up
Questions 8
Topic -22.3 Wave-particle duality
(a) State one piece of experimental evidence for:
(i) the particulate nature of electromagnetic radiation
(ii) the wave nature of matter.
(b) (i) Calculate the de Broglie wavelength λ of an alpha-particle moving at a speed of \(6.2 × 10^7ms^{–1}\).
(ii) The speed v of the alpha-particle in (b)(i) is gradually reduced to zero. On Fig. 8.1, sketch the variation with v of λ.

(c) Suggest an explanation for why people are not observed to diffract when they walk through a doorway.
▶️Answer/Explanation
Ans
(a)(i) photoelectric effect
(ii) electron diffraction
(b)(i) λ =h / p
p = \(4 \times 1.66\times 10^{–27} \times 6.2\times 10^7\)
( = \(4.1 \times 10^{–19} N s\))
\(\lambda = 6.63 \times 10^{–34} / 4.1\ times 10^{–19}\)
= \(1.6 \times 10^{–15} m\)
(ii) line with negative gradient throughout
curve asymptotic to both axes with non-zero λ at
v = \(6.2 \times 10^7 ms^{–1}\)
(c) (de Broglie) wavelength negligible compared with width of doorway
Questions 9
Topic -25.3 Hubble’s law and the Big Bang theory
(a) (i) State Hubble’s law.
(ii) Explain how cosmologists use observations of emission spectra from stars in distant galaxies to determine that the Universe is expanding.
(b) Explain how Hubble’s law and the idea of the expanding Universe lead to the Big Bang theory of the origin of the Universe.
▶️Answer/Explanation
Ans
(a)(i) speed is (directly) proportional to distance
where speed is speed of recession of galaxy (from observer) and distance is distance of galaxy away from observer
(ii) wavelengths (of spectral lines) are greater (than their known values)
redshift shows stars (in distant galaxies) moving away from Earth
(b) (all) parts of Universe moving away from each other
more distant objects are moving away faster
matter must have been close together / very dense in the past
Questions 10
Topic -23.2 Radioactive decay
a) State what is meant by radioactive decay.
(b) A radioactive sample consists of an isotope X of half-life T that decays to form a stable product. Only X and the stable product are present in the sample. At time t = 0, the sample has an activity of \(A_0\) and contains \(N_0\) nuclei of X.
(i) On Fig. 10.1, sketch the variation with t of the number N of nuclei of X present in the sample. Your line should extend from time t = 0 to time t = 3T.

(ii) On Fig. 10.2, sketch the variation with N of the activity A of the sample for values of N between N = 0 and N = \(N_0\).

(c) State the name of the quantity represented by the gradient of your line in:
(i) Fig. 10.1
(ii) Fig. 10.2.
(d) For the sample in (b), calculate the fraction \(\frac{N}{N_0}\) at time t = 1.70T
▶️Answer/Explanation
Ans
a) spontaneous emission of (ionising) radiation
emission from unstable nucleus
(b)(i) curve with decreasing negative gradient passing through \((0, N_0)\)
curve passing through ( T, 0.5 \(N_0\))
curve passing through (2 T, 0.25 \(N_0\)) and (3 T, 0.125 \(N_0\))
(ii) line through origin with positive gradient
straight line passing through ( \(N_0\), \(A_0\))
(c)(i) activity
(ii) decay constant
(d) N = \(N_0\) exp (– ln 2 × 1.70 T / T)
N / \(N_0\) = 0.31
