Questions 1
Topic – 2.1
The drag force \(F_D\) acting on a sphere falling through a liquid is given by
\(F_D=6 \pi ηrv\)
where r is the radius of the sphere,
v is the speed of the sphere in the liquid and
η is a property of the liquid called the viscosity.
(a) Show that the SI base units of viscosity are \(kgm^{–1} s^{–1}\).
(b) The sphere has a radius of 3.0cm and is falling vertically downwards at a terminal velocity of \(2.0ms^{–1}\) through the liquid. The drag force acting on the sphere is 0.096N. Calculate the viscosity of the liquid.
(c) The sphere is shown in Fig. 1.1.

On Fig. 1.1, draw and label arrows to represent the directions of the three forces acting on the sphere as it falls at terminal velocity through the liquid.
(d) (i) The density of the liquid is \(920kgm^{–3}\). Show that the upthrust acting on the sphere is 1.0N.
(ii) Calculate the mass of the sphere.
▶️Answer/Explanation
Ans
(a) units of F: kg m s–2
units of r: m and units of v: \(m s^{–1}\)
units of η: \(kg m s^{–2} /(m \times m s^{–1}) = kg m^{–1} s^{–1}\)
(b) viscosity = \(0.096 / (6 \times \pi \times 0.03 \times 2.0)\)
=\( 0.085 kg m^{–1} s^{–1}\)
(c) one arrow vertically downwards labelled weight / W
arrow(s) vertically upwards labelled U / upthrust and drag / \(F_D\) / viscous force
(d)(i) V = \((4 / 3) \pi r^3\)
upthrust = \((4 / 3) \times \pi \times 0.03^3 \times 920 \times 9.81\) = 1.0 N
(ii) weight = 1.0 + 0.096 (= 1.096 N)
m = 1.096 / 9.81
= 0.11 kg
Questions 2
Topic – 2.1
(a) Define displacement from a point.
(b) An object is projected horizontally at a speed of \(6.0ms^{–1}\) from a slope, as shown in Fig. 2.1.

The slope is at an angle θ to the horizontal. Air resistance is negligible. The object lands on the slope a time of 0.71s later and stops without rolling or bouncing.
(i) Determine the horizontal distance travelled by the object.
(ii) Determine the vertical distance travelled by the object.
(iii) Use your answers in (b)(i) and (b)(ii) to calculate θ.
(iv) Determine the magnitude of the displacement of the object from its original position.
(v) By considering energy, calculate the speed of the object just before it lands.
▶️Answer/Explanation
Ans
(a) distance (from the point) in a straight line in a given direction
(b)(i) distance = \(speed\times time = 6.0\times 0.71\)
= 4.3 m
(ii) \(s= ut + ½ at^2\)
= \(½\times 9.81\times 0.71^2\)
= 2.5 m
(iii) \(tan \Theta \)= 2.5 / 4.3
or
hypotenuse = \(√(4.3^2 + 2.5^2)\) ( = 4.97 m) \(cos \Theta\) = 4.3 / 4.97 or \(sin \Theta \) = 2.5 / 4.97
\( \Theta \)= 30°
(iv) displacement = \(√(4.3^2 + 2.5^2)\)
= 4.9 m or 5.0 m
or
displacement = 2.5 / sin 30°
or
displacement = 4.3 / cos 30°
= 5.0 m
(v) \(KE = ½mv^2\) or GPE = mgh
initial KE + loss in GPE = final KE
\((½ \times m \times 6.0^2) + (m \times 9.81 \times 2.5) = (½ \times m \times v^2)\)
v = \(9.2 m s^{–1}\)
Questions 3
Topic – 6.1
(a) State Hooke’s law.
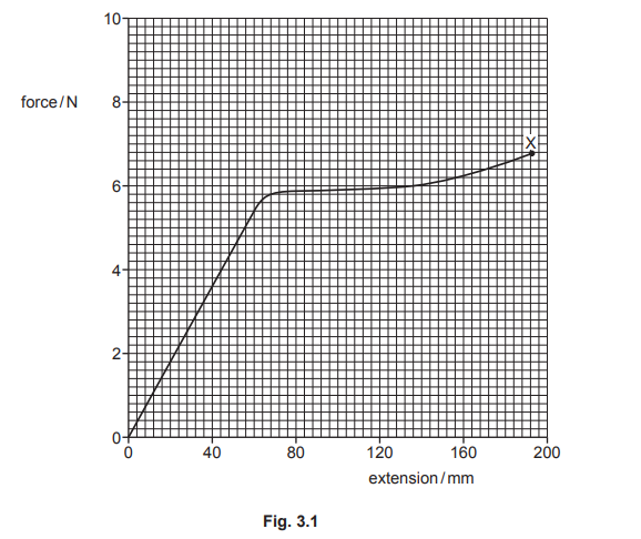
(b) The variation of the applied force with the extension for a sample of a material is shown in Fig. 3.1

The sample behaves elastically up to an extension of 80mm and breaks at point X.
(i) On the line in Fig. 3.1, draw a cross (×) to show the limit of proportionality. Label this cross with the letter P. [1]
(ii) On the line in Fig. 3.1, draw a cross (×) to show the elastic limit. Label this cross with the letter E.
(c) The sample in (b) has a cross-sectional area of \(0.40mm^2\) and an initial length of 3.2m. For deformations within the limit of proportionality of the sample, determine:
(i) the spring constant of the sample
(ii) the Young modulus of the material from which the sample is made.
(d) Determine an estimate of the work done on the sample as it is extended from zero extension to its breaking point. Explain your reasoning.
(e) A second sample of the same material has a larger cross-sectional area than the original sample but the same initial length. The two samples are each deformed with the limit of proportionality. State and explain qualitatively how the spring constant of the second sample compares with that of the original sample.
▶️Answer/Explanation
Ans
(a) extension is proportional to (applied) force
(b)(i) P at (60, 5.4)
(ii) E at (80, 5.9)
(c)(i) k = F / x or k = gradient of (straight line section of) graph
e.g. gradient = 5.4 / 0.060
k = \(90 N m^{–1}\)
(ii) Young modulus or \(E=\sigma /\xi \) or FL / Ax or kL / A
E = \((5.4 \times 3.2) / (4.0 \times 10^{−7} \times 0.06) or 90 \times 3.2 / (4.0 \times 10^{−7})\)
E = \(7.2 \times 10^8\) Pa
(d) work done = area under graph
= \((1.0\pm 0.2) \)J
(e) the extension will be smaller (for the same force on the thicker sample)
or
a greater force is required (to extend the thicker sample by the same amount)
or
spring constant is proportional to area
the spring constant (of the second sample) will be greater
Questions 4
Topic – 7.1
A progressive transverse wave travelling from left to right is shown at an instant in time in Fig. 4.1.

R and T are points on the wave.
(a) State the phase difference between the points R and T.
(b) On Fig. 4.1, draw an arrow at point T to show the direction of movement of point T at the instant shown.
(c) The horizontal distance between R and T is 0.62cm, as shown in Fig. 4.2. 
The speed of the wave is \(0.27ms^{–1}\). Calculate the frequency of the wave.
(d) The wave is a water wave produced by a dipper \(S_1\) attached to a vibrator in a ripple tank. An identical dipper \(S_2\) is attached to the same vibrator. The two dippers produce an interference pattern on the water in the tank, as shown in Fig. 4.3. 
The wave crests from each source are represented by solid lines on Fig. 4.3 and the wave troughs are represented by dashed lines. At point P in Fig. 4.3, the wave from \(S_1\) has the same amplitude A as the wave from \(S_2\). Describe and explain the amplitude of the resultant wave at point P.
▶️Answer/Explanation
Ans
(a) 270°
(b) arrow pointing vertically downwards at T
(c) v = \(f \lambda \)
or
v =\(\lambda \)/ T and f = 1 / T
wavelength = \(0.62 \times 10^{–2} \times (4 / 3) ( = 0.83 \times 10^{–2} m)\)
f = \(0.27 / (0.83 \times 10^{–2})\)
= 33 Hz
(d) resultant displacement is the sum of the displacements of the waves (from \(S_1\) and \(S_2\))
or
waves (from \(S_1\) and \(S_2\)) superpose (at P)
Any one point from:
(at P) the waves (from the two sources) (always) destructively interfere
(at P) the waves have a path difference that is (always) an odd number of half-wavelengths / their path difference is one and a half wavelengths
(at P) the waves have a phase difference that is (always) 180° / they are in antiphase / crest of one wave meets trough of other wave
amplitude (of the resultant wave) is zero (at all times)
Questions 5
Topic – 10.2
(a) (i) State Kirchhoff’s second law.
(ii) State the conservation law that gives rise to Kirchhoff’s second law.
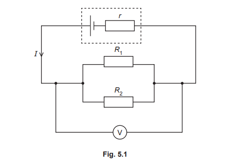
(b) A circuit contains a cell of internal resistance r and two resistors of resistances \(R_1\) and \(R_2\), as shown in Fig. 5.1.

The potential difference (p.d.) across the two resistors is V. The current in the cell is I.
(i) Use Kirchhoff’s laws to show that the total resistance RT of the external circuit is given by
\(\frac{1}{R_T}=\frac{1}{R_1}+\frac{1}{R_2}\)
(ii) The electromotive force (e.m.f.) of the cell is 1.50V. When the values of R1 and R2 are 10Ω and 15Ω respectively, the p.d. measured by the voltmeter is 1.38V. Calculate the internal resistance r of the cell.
(c) A third resistor is added in parallel with \(R_1\) and \(R_2\) in the circuit in Fig. 5.1. State and explain the effect, if any, of this change on:
(i) the current in the cell
(ii) the p.d. measured by the voltmeter.
▶️Answer/Explanation
Ans
(a)(i) sum of electromotive force(s) = sum of potential difference(s) around a (closed) loop
or
the (algebraic) sum of the p.d.(s) and e.m.f.(s) is zero around a (closed) loop
(ii) (law of conservation of) energy
(b)(i) (by Kirchhoff’s first law) \(I = I_1 + I_2\)
V / RT =\( V / R_1 + V / R_2\) therefore \(1 / R_T = 1 / R_1 + 1 / R_2\)
(ii) resistance of parallel combination =\( (15 \times 10)\) / (15 + 10) \((= 6.0 \Omega )\)
r = (E – V) / I
I = 1.38 / 6.0 = 0.23 A r = (1.50 – 1.38) / 0.23
= \(0.52 \Omega \)
or (by potential divider principle) \(r / R_T\) = Ir / V
r / 6.0 = 0.12 / 1.38
r = \(0.52 \Omega \)
or (by potential divider equation) \(V = E \times R_T / (R_T + r)\)
1.38 = \(1.5 \times 6.0\) / (6.0 + r)
r = \(0.52 \Omega \)
(c)(i) as the (total) resistance has decreased (and e.m.f. is unchanged)
current will (in the cell) increase
(ii) (as greater current means a) bigger drop in p.d. across the internal resistance
p.d. (on voltmeter) will decrease
Questions 6
Topic – 11.1
Nuclei of an isotope of samarium (Sm) each contain 62 protons and 85 neutrons.
(a) State the nuclide notation in the form \(_{Z}^{A}\textrm{X}\) for this isotope of samarium.
(b) This isotope of samarium is radioactive and decays by emitting particles. Gamma-radiation is not emitted. The energy spectrum of the emitted particles is shown in Fig. 6.1.

(i) Explain how Fig. 6.1 shows that this isotope of samarium emits α-particles and does not emit β-particles.
(ii) This isotope of samarium decays to an isotope of neodymium (Nd). Give the radioactive decay equation for this decay. Include the nucleon and proton numbers of all the particles involved.
(c) A baryon is composed of three quarks which all have different flavours. The baryon has a charge of 0. Two of the quarks in the baryon are an up quark and a bottom quark.
(i) Determine, in terms of the elementary charge e, the charge on the third quark in the baryon.
(ii) State a possible flavour for the third quark in the baryon.
▶️Answer/Explanation
Ans
(a) \(_{82}^{147}\textrm{Sm}\)
(b)(i) the (kinetic) energy of the particles is discrete / has only one value (so must be alpha)
and beta particles have a (continuous) range of (kinetic) energies (so can’t be beta)
(ii) \(_{82}^{147}\textrm{Sm}\to _{60}^{143}\textrm{Nd}+_{2}^{4}\rm{\alpha }\)
values for Sm and Nd correct with no other extra particles on either side of the equation
\(_{2}^{4}\rm{\alpha }\) correct
(c)(i) up quark charge is +(2 / 3) (e) or bottom quark charge is–(1 / 3) (e)
0 = +(2 / 3) (e) – (1 / 3) (e) +q
(so) charge (on third quark must be) –(1 / 3) (e)
(ii) down or strange
