Question
(a) With reference to velocity and acceleration, describe uniform circular motion. [2]
(b) Two cars are moving around a horizontal circular track. One car follows path X and the other follows path Y, as shown in Fig. 1.1.

The radius of path X is 318m. Path Y is parallel to, and 27m outside, path X. Both cars have mass 790kg. The maximum lateral (sideways) friction force F that the cars can experience without sliding is the same for both cars.
(i) The maximum speed at which the car on path X can move around the track without sliding is 94ms–1.
Calculate F
(ii) Both cars move around the track. Each car has the maximum speed at which it can move without sliding.
Complete Table 1.1, by placing one tick in each row, to indicate how the quantities indicated for the car on path Y compare with the car on path X

Answer/Explanation
Ans
(a) constant speed or constant magnitude of velocity
acceleration (always) perpendicular to velocity
(b) (i) \(F = mv^2 / r\)
or
v = rω and F = mrω2
F = 790 × 942 / 318
= 22000 N
(b) (ii) centripetal acceleration: same
maximum speed: greater
time taken for one lap of the track: greater
Question
(a) Define gravitational potential. [2]
(b) The Earth E and the Moon M can both be considered as isolated point masses at their centres. The mass of the Earth is 5.98 × 1024 kg and the mass of the Moon is 7.35 × 1022 kg. The Earth and the Moon are separated by a distance of 3.84 × 108m, as shown in Fig. 2.1.

P is a point, on the line joining the centres of E and M, where the resultant gravitational field strength is zero. Point P is at a distance x from the centre of the Earth.
(i) Explain how it is possible for the gravitational field strength to be zero despite the presence of two large masses nearby. [2]
(ii) Show that x is approximately 3.5 × 108m. [2]
(iii) Calculate the gravitational potential φ at point P.
φ = ……………………………………….. J kg–1 [3]
[Total: 9]
Answer/Explanation
Ans
(a) work done per unit mass
(work done in) moving mass from infinity
(b) (i) (gravitational) fields from the Earth and Moon are in opposite directions
(resultant is zero where gravitational) fields are equal (in magnitude)
(b) (ii) \(g\infty M/r^{2}\)
5.98 × 1024 / x2 = 7.35 × 1022 / (3.84 × 108 – x)2
leading to x = 3.5 × 108 (m)
(b) (iii) φ (Earth) = (–)6.67 × 10–11 × (5.98 × 1024 / 3.5 × 108)
and
φ (Moon) = (–)6.67 × 10–11 × (7.35 × 1022 / 0.38 × 108)
φ = (–)6.67 × 10–11 × [(5.98 × 1024 / 3.5 × 108) + (7.35 × 1022 / 0.38 × 108)]
= – 1.3 × 106 J kg–1
Question
(a) Define specific heat capacity. [2]
(b) A sealed container of fixed volume V contains N molecules, each of mass m, of an ideal gas at pressure p.
(i) State an expression, in terms of V, N, p and the Boltzmann constant k, for the thermodynamic temperature T of the gas. [1]
(ii) Show that the mean translational kinetic energy EK of a molecule of the gas is given by
\(E_{k}=\frac{3}{2}kT\) [2]
(iii) Explain why the internal energy of the gas is equal to the total kinetic energy of the molecules. [2]
(c) The gas in (b) is supplied with thermal energy Q.
(i) Explain, with reference to the first law of thermodynamics, why the increase in internal energy of the gas is Q. [2]
(ii) Use the expression in (b)(ii) and the information in (c)(i) to show that the specific heat capacity c of the gas is given by
\(c=\frac{3k}{2m}\) [2]
(d) The container in (b) is now replaced with one that does not have a fixed volume. Instead, the gas is able to expand, so that the pressure of the gas remains constant as thermal energy is supplied. Suggest, with a reason, how the specific heat capacity of the gas would now compare with the value in (c)(ii). [2 [Total: 13]
Answer/Explanation
Ans
(a) (thermal) energy per unit mass (to cause temperature change)
(thermal) energy per unit change in temperature B1
(b) (i) (T =) pV / Nk
(b) (ii) (pV =) NkT = ⅓Nm < c2>
or
pV = NkT and pV = ⅓Nm < c2>
leading to ½ m <c2> = (3/2)kT and ½ m <c2> = EK
(b) (iii) internal energy = Σ EK (of molecules) + Σ EP (of molecules)
or
no forces between molecules
potential energy of molecules is zero
(c) (i) increase in internal energy = Q + work done
constant volume so no work done
(c) (ii) c = Q / Nm ΔT
= [N × (3/2)kΔT] / (NmΔT) = 3k /2m
(d) (as it expands) gas does work (against the atmosphere/external pressure) B1
for same temperature rise) more (thermal) energy needed, so larger specific heat capacity
Question
A trolley on a track is attached by springs to fixed blocks X and Y, as shown in Fig. 4.1. The track contains many small holes through which air is blown vertically upwards. This results in the trolley resting on a cushion of air rather than being in direct contact with the track.

The trolley is pulled to one side of its equilibrium position and then released so that it oscillates initially with simple harmonic motion. After a short time, the air blower is switched off. The variation with time t of the distance L of the trolley from block X is shown in Fig. 4.2.

(a) Use Fig. 4.2 to determine:
(i) the initial amplitude of the oscillations
amplitude = …………………………………………… cm [1]
(ii) the angular frequency ω of the oscillations
ω = ………………………………………. rads–1 [2]
(iii) the maximum speed v0, in cms–1, of the oscillating trolley.
v0 = ………………………………………. cms–1 [2]
(b) Apart from the quantities in (a), describe what may be deduced from Fig. 4.2 about the motion of the trolley between time t = 0 and time t = 24s. No calculations are required. [3]
(c) On Fig. 4.3, sketch the variation with L of the velocity v of the trolley for its first complete
oscillation.
Answer/Explanation
Ans
(a )(i) 5.0 cm
(a) (ii)ω = 2π / T
or
ω = 2πf and f = 1 / T
ω = 2π / 4.0
= 1.6 rad s–1
(a) (iii) v0 = ωx0
= 1.57 × 5.0
= 7.9 cm s–1
(b) • initial pull was to the right
• distance from X to trolley (at equilibrium) is 20 cm
• period is 4.0 s
• initial motion undamped
• motion becomes damped at/from 12 s
• damping is light
• maximum speed at 1s, 3s, etc. / stationary at 2s, 4s, etc.
Any three points, 1 mark each
(c) sketch: closed loop encircling (20, 0) B1
minimum L shown as 15 cm and maximum L shown as 25 cm
minimum v shown as –7.9 cm s–1 and maximum v shown as +7.9 cms–1
Question
An analogue signal is to be transmitted to a receiver. Before transmission, the signal passes through an analogue-to-digital converter (ADC). After transmission it passes through a digital-to-analogue converter (DAC) before finally reaching the receiver, as shown in Fig. 5.1.

(a) State two advantages of converting the signal into digital form for transmission.
1.
2. [2]
(b) The variation with time of the potential difference (p.d.) of the input signal is shown in Fig. 5.2.

The ADC has a sampling frequency of 250Hz and uses 4-bit sampling, with the least significant bit corresponding to 1mV. The signal is first sampled at time 0, when the sampled
bits are 0001.
(i) State the sampled bits at time 4ms and time 8ms.
4ms: ……………………………………… 8ms: ……………………………………… [1]
(ii) Part of the signal received by the receiver, after the sampled signal has passed through the DAC, is shown in Fig. 5.3.

On Fig. 5.3, complete the line to show the received signal for time 0 to time 12ms. [2]
(c) The ADC in (b) is replaced with one that has a sampling frequency of 500Hz and uses 3-bit sampling, with the least significant bit corresponding to 2mV. On Fig. 5.4, sketch the signal that is now received, after passing through the DAC, from time 0 to time 12ms.

[3]
[Total: 8]
Answer/Explanation
Ans
(a) • noise can be removed/signal can be regenerated
• extra bits can be added for error-checking
• signal can be encrypted (for increased security)
• data compression/multiplexing is possible
(b) (i) 4ms: 0101 and 8ms: 0100
(b) (ii) sketch: horizontal line continues to 8ms, then new horizontal line from 8ms to 12ms
level of line after 8ms is 4 mV
(c) sketch: series of steps of width 2ms
step heights at 0, 2, 4, 6, 4, 6 mV
Question
(a) A capacitor consists of two parallel metal plates, separated by air, at a variable distance x apart, as shown in Fig. 6.1. The capacitance C is inversely proportional to x.

The capacitor is charged by a supply so that there is a potential difference (p.d.) V between the plates. State expressions, in terms of C and V, for the charge Q on one of the plates and for the
energy E stored in the capacitor.
Q = ……………………………………… E = ……………………………………… [1]
(b) The charged capacitor in (a) is now disconnected from the supply. The plates of the capacitor are initially separated by distance L. They are then moved closer together by a distance D, as
shown in Fig. 6.2.

State expressions, in terms of C, V, L and D, for:
(i) the new capacitance CN
CN = ………………………………………………… [1]
(ii) the new charge QN on one of the plates
QN = ………………………………………………… [1]
(iii) the new p.d. VN between the plates.
VN = ………………………………………………… [1]
(c) Explain whether reducing the separation of the plates in (b) results in an increase or decrease in the energy stored in the capacitor. [1] [Total: 5]
Answer/Explanation
Ans
(a) Q = CV and E = ½CV2
(b) (i) CN = CL / (L – D)
(b) (ii) (charge is unchanged by moving the plates so) QN = CV
(b) (iii) VN = QN / CN
= (CV) / [CL / (L – D)]
=V(L – D) / L
(c) oppositely charged plates attract, so energy stored decreases
Question
(a) State two properties of an ideal operational amplifier (op-amp).
1.
2. [2]
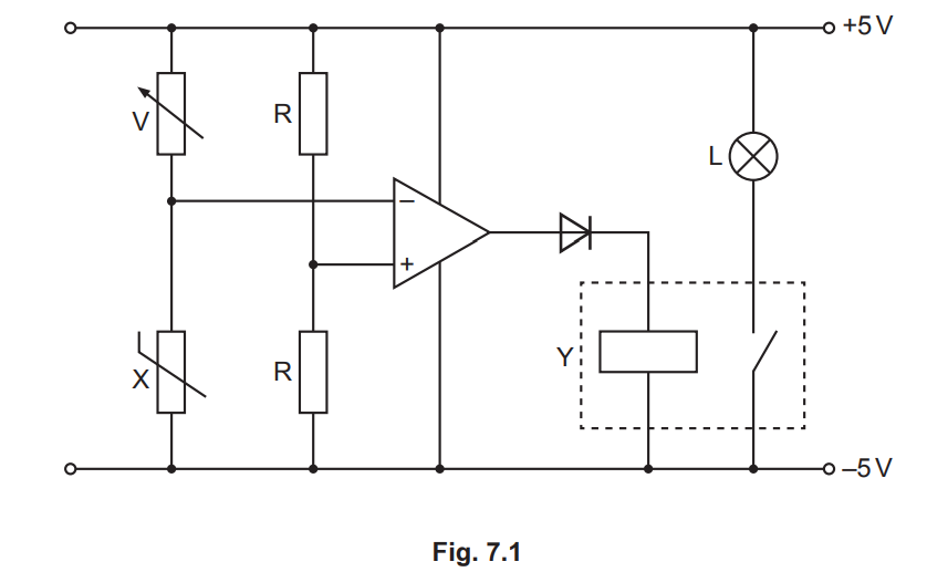
(b) Fig. 7.1 shows a circuit that includes an ideal op-amp and two identical resistors R.

State the names of components X and Y.
X: …………………………………….. Y: …………………………………….. [1]
(c) (i) Explain why the op-amp in Fig. 7.1 has only two possible output states. [2]
(ii) State the name of the type of op-amp circuit in which the op-amp behaves as in (c)(i). [1]
(iii) Describe the environmental condition under which the lamp L in Fig. 7.1 will light. [2]
(iv) Suggest the purpose of the variable resistor V in the circuit. [1]
[Total: 9]
Answer/Explanation
Ans
(a) • infinite (open-loop) gain
• infinite slew rate
• infinite input impedance
• zero output impedance
• infinite bandwidth
Any two points, 1 mark each
(b) X: thermistor and Y: relay
(c) (i) (any) difference in voltage at the inputs causes output to saturate (because gain is very large)
saturates positively if V+ > V– and saturates negatively if V+ < V–
(c) (ii) comparator
(c )(iii) temperature
above a particular value
(c) (iv) to adjust the temperature (at which the lamp illuminates/extinguishes)
Question
(a) Define the tesla. [2]
(b) A stiff metal wire is used to form a rectangular frame measuring \(8.0cm × 6.0cm\). The frame is open at the top, and is suspended from a sensitive newton meter, as shown in Fig. 8.1.

The open ends of the frame are connected to a power supply so that there is a current of 5.0A in the frame in the direction indicated in Fig. 8.1. The frame is slowly lowered into a uniform magnetic field of flux density B so that all of side PQ is in the field. The magnetic field lines are horizontal and at an angle of 50° to PQ, as shown in Fig. 8.2.

When side PQ of the frame first enters the magnetic field, the reading on the newton meter changes by 1.0mN.
(i) Determine the magnetic flux density B, in mT.
B = …………………………………………… mT [2]
(ii) State, with a reason, whether the change in the reading on the newton meter is an increase or a decrease. [1]
(iii) The frame is lowered further so that the vertical sides start to enter the magnetic field.
Suggest what effect this will have on the frame. [1]
[Total: 6]
Answer/Explanation
Ans
(a) newton per ampere per metre
where current/wire is perpendicular to magnetic field
(b) (i) F = BILsin θ
B = 1.0 / (5.0 × 0.060 × sin 50°)
= 4.4 mT
(b) (ii) (from Fleming’s left-hand rule) force on wire is upwards, so reading decreases
(b) (iii) frame will rotate (so that PQ becomes perpendicular to the field)
Question
(a) State, by reference to the power dissipated in a resistor, what is meant by the root-mean-square (r.m.s.) value of an alternating voltage. [2]
(b) A coil is rotating freely, on frictionless bearings, at constant speed in a uniform magnetic field. This rotation causes an induced alternating electromotive force (e.m.f.) across the open terminals of the coil. The induced e.m.f. has r.m.s. value 12V and frequency 50Hz. The speed of rotation of the coil is now doubled.
(i) State and explain, with reference to the principles of electromagnetic induction, the effect of the increased speed of rotation on the r.m.s. value of the induced e.m.f. [2]
(ii) On Fig. 9.1, sketch the variation with time t of the induced e.m.f. E across the terminals of the coil at the increased speed of rotation. Your line should extend from time t = 0 to time t = 20ms. Assume that E = 0 when t = 0.

(c) State and explain the effect on the motion of the coil in (b) of connecting a load resistor across its terminals. [2]
[Total: 9]
Answer/Explanation
Ans
(a) constant voltage
that produces/dissipates same power as (the mean power of) the alternating voltage
(b) (i) (maximum) rate of cutting of (magnetic) flux doubles
(peak and hence) r.m.s. induced e.m.f. doubles
(b) (ii) sketch: (sinusoidal) wave of period 10 ms
peak E shown as ± 34V
(1 mark out of 2 awarded if peak E shown as ± 17 V or ± 24V)
(c) current in the coil results in forces that oppose its rotation
or
current in the resistor dissipates the energy of rotation
coil stops rotating
Question
(a) State an experimental phenomenon that provides evidence for:
(i) the particulate nature of electromagnetic radiation
……………………………………………………………………………………………………………………. [1]
(ii) the wave nature of matter.
……………………………………………………………………………………………………………………. [1]
(b) A particle of matter moves with momentum p.
(i) State the equation that gives the effective wavelength λ of the particle. State the name of any other symbols used. [2]
(ii) State the name given to the wavelength of the moving particle.
……………………………………………………………………………………………………………………. [1]
(c) Electrons are accelerated from rest through a potential difference (p.d.) of 4.8kV.
(i) Show that the final speed of the electrons is 4.1 × 107ms–1. [2]
(ii) Calculate the effective wavelength of a beam of electrons moving at the speed in (c)(i).
wavelength = …………………………………………….. m [2] [Total: 9]
Answer/Explanation
Ans
(a) (i) photoelectric effect
(a) (ii) electron diffraction
(b) (i) λ = h / p
h is the Planck constant
(b) (ii) de Broglie (wavelength)
(c )(i) ½mv2 = eV
½ × 9.11 × 10–31 × v2 = 1.60 × 10–19 × 4800 so v = 4.1 × 107 m s–1
(c) (ii) λ = h / mv = 6.63 × 10–34 / (9.11 × 10–31 × 4.1 × 107)
= 1.8 × 10–11 m
Question
(a) State, for an X-ray image, what is meant by:
(i) sharpness [1]
(ii) contrast. [1]
(b) A parallel X-ray beam passes through a thickness of 2.3cm of soft body tissue. The intensity of the emerging beam is 12% of the intensity of the incident beam.
Calculate the linear attenuation (absorption) coefficient μ of the soft body tissue. Give a unit with your answer.
μ = …………………………………… unit ………………… [3]
(c) In medical diagnosis, X-rays may be used to produce a single X-ray image or may be used in computed tomography (CT scanning). Suggest an advantage and a disadvantage of CT scanning compared with single X-ray
imaging for diagnosis.
advantage:
disadvantage: [2]
[Total: 7]
Answer/Explanation
Ans
(a) (i) ease with which edges can be distinguished
(a) (ii) difference in degrees of blackening B1
(b) I = I0 exp (–μx) C1
0.12 = exp (–μ × 2.3)
ln 0.12 = –2.3 × μ
μ = 0.92 cm–1
(c) advantage: produces 3-dimensional image
disadvantage: (much) greater exposure to radiation
Question
(a) Define radioactive decay constant. [2]
(b) A sample of radioactive iodine-131
of mass 5.87 × 10–10 kg has an activity of 2.92 × 109Bq.
Determine the decay constant of iodine-131.
decay constant = …………………………………………… s–1 [3]
(c) Suggest two reasons why a detector placed near to the sample in (b) would record a count rate much less than 2.92 × 109 counts per second.
1.
2.
[2]
[Total: 7]
Answer/Explanation
Ans
(a) probability of decay (of a nucleus)
per unit time
(b) A = λN
N = mass / (nucleon number × u)
2.92 × 109 = ( λ × 5.87 × 10–10) / (131 × 1.66 × 10–27)
λ = 1.08 × 10–6 s–1
(c) • sample emits radiation in all directions
• some radiation is absorbed by air/detector window
• self-absorption within the source
• dead time/inefficiency of detector
Any two points, 1 mark each
