iGCSE Physics (0625) 4.3.2 Series and parallel circuits Paper 4 -Exam Style Questions- New Syllabus
Question


Most-appropriate topic codes (Cambridge IGCSE Physics 0625):
• Topic $4.2.4$ — Resistance (Part $\mathrm{(a)}$)
• Topic $4.2.5$ — Electrical energy and electrical power (Parts $\mathrm{(b)(i)}$, $\mathrm{(b)(ii)}$)
• Topic $4.3 .2$ — Series and parallel circuits (Part $\mathrm{(b)(iii)}$)
▶️ Answer/Explanation
Correct Answer: (i) Diode.
(ii) [Circuit symbol of a diode: a triangle pointing to a vertical line].
![]()
Detailed solution: The component is a diode because the graph shows that current only flows when the voltage is applied in one specific direction (forward bias). In the opposite direction (reverse bias), the current remains at zero, indicating an extremely high resistance. This non-linear, one-way conduction characteristic is the defining property of a semiconductor diode. The symbol consists of an arrow indicating the allowed direction of conventional current flow.
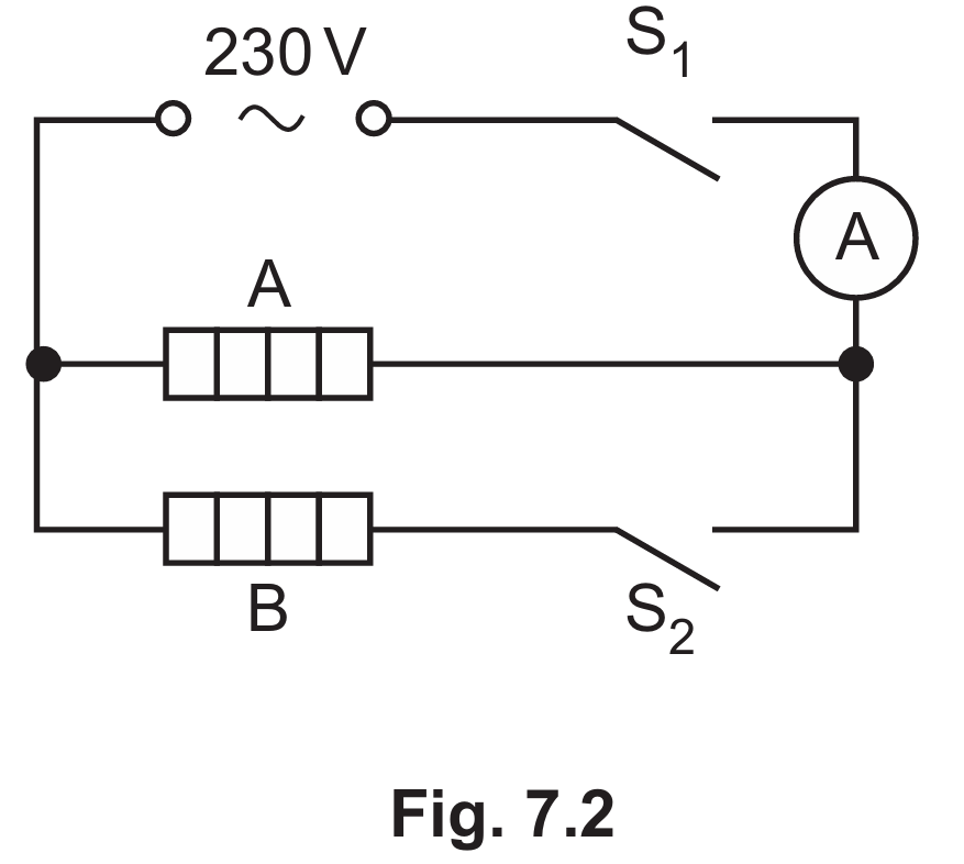
Correct Answer: $59\text{ }\Omega$
Detailed solution: When $S_1$ is closed and $S_2$ is open, only heater A is in the completed circuit. Using Ohm’s Law, $R = \frac{V}{I}$, where $V = 230\text{ V}$ and $I = 3.9\text{ A}$. Substituting these values gives $R = \frac{230}{3.9} = 58.97\text{ }\Omega$. Rounding to two significant figures, as provided in the marking scheme, we get a resistance of $59\text{ }\Omega$.
Correct Answer: $2.7 \times 10^5\text{ J}$ (or $270,000\text{ J}$)
Detailed solution: Energy transferred is calculated using the formula $E = IVt$. First, convert the time from minutes to seconds: $t = 5.0 \times 60 = 300\text{ s}$. Using the mains voltage $V = 230\text{ V}$ and current $I = 3.9\text{ A}$, the calculation becomes $E = 3.9 \times 230 \times 300$. This results in $269,100\text{ J}$, which is expressed as $2.7 \times 10^5\text{ J}$ when rounded to appropriate significant figures.
Correct Answer: $7.8\text{ A}$
Detailed solution: Heaters A and B are identical and connected in parallel, meaning they both experience the same potential difference of $230\text{ V}$. Since the heaters are identical, heater B will also draw a current of $3.9\text{ A}$ when its switch $S_2$ is closed. According to Kirchhoff’s Current Law ($I_{total} = I_1 + I_2$), the total current measured by the ammeter is the sum of the currents in each branch: $3.9\text{ A} + 3.9\text{ A} = 7.8\text{ A}$.
