iGCSE Physics (0625) 4.5.3 Magnetic effect of a current -Exam Style Questions Paper 2 - New Syllabus
Question





▶️ Answer/Explanation
Detailed solution:
The strength of a magnetic field is indicated by the density or spacing of the magnetic field lines. Inside the solenoid at position $Y$, the field lines are straight, parallel, and very close together, representing a strong and uniform magnetic field. As we move to positions $X$ and $Z$ at the ends of the solenoid, the field lines begin to diverge and spread out into the surrounding space. This increased spacing indicates that the magnetic field strength decreases significantly outside the coils compared to the center. Graph $C$ correctly illustrates this by showing a high, flat peak at $Y$ and lower values at $X$ and $Z$.
Question

▶️ Answer/Explanation
Detailed solution:
A simple alternating current (a.c.) generator works on the principle of electromagnetic induction.
As the coil rotates within the magnetic field, the magnetic flux linkage changes, inducing an electromotive force ($e.m.f.$).
To maintain an alternating output in the external circuit, the ends of the coil must stay connected to the same side of the circuit throughout the rotation.
This is achieved using slip rings, which allow the induced current to reverse direction every half-turn ($180^{\circ}$).
In contrast, a commutator is used in d.c. motors or generators to reverse connections and provide unidirectional current.
Therefore, slip rings must be connected at points $G$ and $H$ to provide an a.c. output.
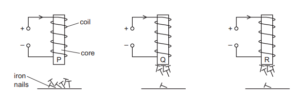
Question
▶️ Answer/Explanation
Detailed solution:
An a.c. generator converts mechanical energy into electrical energy using electromagnetic induction.
It requires a coil of wire (Option A) rotating between magnetic poles (Option C) to induce an e.m.f.
To maintain an alternating current output, it uses slip rings (Option D) to connect the rotating coil to the external circuit.
A split-ring commutator (Option B) is specifically used in d.c. motors to reverse current direction or in d.c. generators to rectify the output.
Therefore, the split-ring commutator is the component not found in an a.c. generator setup.
