PHYSICS PAPER WITH SOLUTION SECTION-A
Question 31
An electron is projected with uniform velocity along the axis inside a current carrying long solenoid. Then:
(1) The electron will be accelerated along the axis.
(2) The electron will continue to move with uniform velocity along the axis of the solenoid.
(3) The electron path will be circular about the axis.
(4) The electron will experience a force at 45° to the axis and execute a helical path.
(1) The electron will be accelerated along the axis.
(2) The electron will continue to move with uniform velocity along the axis of the solenoid.
(3) The electron path will be circular about the axis.
(4) The electron will experience a force at 45° to the axis and execute a helical path.
▶️ Answer/Explanation
Ans.
(2)
Sol.
Since \( \vec{v} \parallel \vec{B} \), the force on the electron due to the magnetic field is zero. So, the electron will move along the axis with uniform velocity.Question 32
The electric field in an electromagnetic wave is given by
\(\vec{E} = \hat{i} 40 \cos \omega \left( t – \frac{z}{c} \right) \) NC\(^{-1}\).
The magnetic field induction of this wave is (in SI unit):
(1) \( \vec{B} = \hat{i} \frac{40}{c} \cos \omega \left( t – \frac{z}{c} \right) \)
(2) \( \vec{B} = \hat{j} 40 \cos \omega \left( t – \frac{z}{c} \right) \)
(3) \( \vec{B} = \hat{k} \frac{40}{c} \cos \omega \left( t – \frac{z}{c} \right) \)
(4) \( \vec{B} = \hat{j} \frac{40}{c} \cos \omega \left( t – \frac{z}{c} \right) \)
\(\vec{E} = \hat{i} 40 \cos \omega \left( t – \frac{z}{c} \right) \) NC\(^{-1}\).
The magnetic field induction of this wave is (in SI unit):
(1) \( \vec{B} = \hat{i} \frac{40}{c} \cos \omega \left( t – \frac{z}{c} \right) \)
(2) \( \vec{B} = \hat{j} 40 \cos \omega \left( t – \frac{z}{c} \right) \)
(3) \( \vec{B} = \hat{k} \frac{40}{c} \cos \omega \left( t – \frac{z}{c} \right) \)
(4) \( \vec{B} = \hat{j} \frac{40}{c} \cos \omega \left( t – \frac{z}{c} \right) \)
▶️ Answer/Explanation
Ans.
(4)
Sol.
\[ \vec{E} = \hat{i} 40 \cos \omega \left( t – \frac{z}{c} \right) \] \(\vec{E}\) is along \(+x\), \(v\) is along \(+z\), so \(\vec{B}\) is along \(+y\): \[ B = \frac{E}{c} = \frac{40}{c} \cos \omega \left( t – \frac{z}{c} \right) \hat{j} \]Question 33
Which of the following nuclear fragments corresponding to nuclear fission between neutron (\( {}^{1}_{0}n \)) and uranium isotope (\( {}^{235}_{92} \)U) is correct?
(1) \( {}^{144}_{56} \)Ba + \( {}^{89}_{36} \)Kr + 4\( {}^{1}_{0}n \)
(2) \( {}^{140}_{56} \)Xe + \( {}^{94}_{38} \)Sr + 3\( {}^{1}_{0}n \)
(3) \( {}^{153}_{51} \)Sb + \( {}^{99}_{41} \)Nb + 3\( {}^{1}_{0}n \)
(4) \( {}^{144}_{56} \)Ba + \( {}^{89}_{36} \)Kr + 3\( {}^{1}_{0}n \)
(1) \( {}^{144}_{56} \)Ba + \( {}^{89}_{36} \)Kr + 4\( {}^{1}_{0}n \)
(2) \( {}^{140}_{56} \)Xe + \( {}^{94}_{38} \)Sr + 3\( {}^{1}_{0}n \)
(3) \( {}^{153}_{51} \)Sb + \( {}^{99}_{41} \)Nb + 3\( {}^{1}_{0}n \)
(4) \( {}^{144}_{56} \)Ba + \( {}^{89}_{36} \)Kr + 3\( {}^{1}_{0}n \)
▶️ Answer/Explanation
Ans.
(4)
Sol.
Balancing mass and atomic numbers: \[ {}^{235}_{92}U + {}^{1}_{0}n \rightarrow {}^{144}_{56}Ba + {}^{89}_{36}Kr + 3{}^{1}_{0}n \] Option (4) is correct.Question 34
In an experiment to measure focal length (f) of convex lens, the least counts for position of object (u) and for image (v) are \(\Delta u\) and \(\Delta v\) respectively.
The error in focal length is:
(1) \(\frac{\Delta u}{u} + \frac{\Delta v}{v}\)
(2) \(f^2\left[\frac{\Delta u}{u^2} + \frac{\Delta v}{v^2}\right]\)
(3) \(2f\left[\frac{\Delta u}{u} + \frac{\Delta v}{v}\right]\)
(4) \(f\left[\frac{\Delta u}{u} + \frac{\Delta v}{v}\right]\)
The error in focal length is:
(1) \(\frac{\Delta u}{u} + \frac{\Delta v}{v}\)
(2) \(f^2\left[\frac{\Delta u}{u^2} + \frac{\Delta v}{v^2}\right]\)
(3) \(2f\left[\frac{\Delta u}{u} + \frac{\Delta v}{v}\right]\)
(4) \(f\left[\frac{\Delta u}{u} + \frac{\Delta v}{v}\right]\)
▶️ Answer/Explanation
Ans.
(2)
Sol.
Start from the lens formula: \( f^{-1} = v^{-1} – u^{-1} \) Differentiate: \[ -f^{-2} df = -v^{-2} dv – u^{-2} du\\ \frac{df}{f^2} = \frac{dv}{v^2} + \frac{du}{u^2}\\ df = f^2 \left[ \frac{dv}{v^2} + \frac{du}{u^2} \right] \]
Question 35
Given below are two statements:Statement I: When speed of liquid is zero everywhere, pressure difference at any two points depends on \( P_1 – P_2 = \rho g (h_2 – h_1) \).
Statement II: In the venturi tube shown, \( 2gh = v_1^2 – v_2^2 \).
Choose the most appropriate answer:
(1) Both are correct.
(2) I incorrect, II correct.
(3) Both incorrect.
(4) I correct, II incorrect.
▶️ Answer/Explanation

Ans.
(4)
Sol.
Using Bernoulli’s equation:
If \( v_1 = v_2 = 0 \) (fluid at rest), then \( P_1 – P_2 = \rho g(h_2-h_1) \) (I is correct).
For statement II, Bernoulli gives \( \rho g h = \frac{1}{2}\rho (v_2^2 – v_1^2) \), or \( 2gh = v_2^2 – v_1^2 \) (not \( v_1^2 – v_2^2 \)), so II is incorrect.
Hence, option (4) is correct.
Question 36
The resistances of the platinum wire of a platinum resistance thermometer at the ice and steam points are 8 Ω and 10 Ω respectively. After inserting in a hot bath of 400°C, the resistance is:
(1) 2 Ω (2) 16 Ω (3) 8 Ω (4) 10 Ω
(1) 2 Ω (2) 16 Ω (3) 8 Ω (4) 10 Ω
▶️ Answer/Explanation
Ans.
(2)
Sol.
Let \( R_0 = 8 \), \( R_{100} = 10 \). Linear relation: \( R_{100} = R_0 (1 + \alpha \cdot 100) \Rightarrow 10 = 8(1 + 100\alpha) \Rightarrow 1 + 100\alpha = 1.25 \implies \alpha = 0.0025 \)
At \( 400^\circ \)C: \( R_{400} = 8 (1 + 400\alpha) = 8(1 + 1) = 16 \Omega \).
Hence option (2).
Question 37
A metal wire of length \(L\) and mass \(M\) forms a semicircular arc. A particle of mass \(m\) is at the center. The gravitational force by the wire on the particle is:
(1) \( \frac{GMm\pi}{2L^2} \)
(2) 0
(3) \( \frac{GmM\pi^2}{L^2} \)
(4) \( \frac{2GMm\pi}{L^2} \)
(1) \( \frac{GMm\pi}{2L^2} \)
(2) 0
(3) \( \frac{GmM\pi^2}{L^2} \)
(4) \( \frac{2GMm\pi}{L^2} \)
▶️ Answer/Explanation

Ans.
(4)
Sol.
For a wire forming a semicircle of radius \(R = \frac{L}{\pi}\), the net gravitational force at the center is: \[ F = \frac{2GMm\pi}{L^2} \] as shown in the image above.
Question 38
On the Celsius scale the temperature of a body increases by \(40^\circ\)C. The increase in temperature on the Fahrenheit scale is:
(1) \(70^\circ\)F
(2) \(68^\circ\)F
(3) \(72^\circ\)F
(4) \(75^\circ\)F
(1) \(70^\circ\)F
(2) \(68^\circ\)F
(3) \(72^\circ\)F
(4) \(75^\circ\)F
▶️ Answer/Explanation
Ans.
(3)
Sol.
Each \(1^\circ\)C change = \(1.8^\circ\)F change.So, \(40 \times 1.8 = 72^\circ\)F.
Hence option (3).
Question 39
Effective power of a combination of 5 identical convex lenses, kept in contact along the principal axis is 25 D. What is the focal length of each lens?
(1) 20 cm
(2) 50 cm
(3) 500 cm
(4) 25 cm
(1) 20 cm
(2) 50 cm
(3) 500 cm
(4) 25 cm
▶️ Answer/Explanation
Ans.
(1)
Sol.
\(P_{eq} = \sum P_i\), so \(5P = 25~D \implies P = 5~D\).\[ P = \frac{1}{f(\text{in meters})} \implies f = \frac{1}{5}\text{m} = 20\text{ cm}. \]
Question 40
Which figure shows the correct variation of applied potential difference (V) with photoelectric current (I) at two different intensities of light \((I_1 < I_2)\) of same wavelength?


▶️ Answer/Explanation
Ans.
(3)
Sol.
Given lights are of same wavelength, so stopping potential is the same.Since \( I_2 > I_1 \), the saturation current for \( I_2 \) is higher than that for \( I_1 \).
Hence, the correct graph is option (3).
Question 41
A wooden block, initially at rest on the ground, is pushed by a force which increases linearly with time t. Which of the following curve best describes acceleration of the block with time: (1) (constant)
(2) (linearly increasing from zero)
(3) (angled, starts nonzero at t=0)
(4) (parabolic)
▶️ Answer/Explanation
Ans.
(2)
Sol.
The force \(F = kt\) (increases linearly), so \( a = \frac{F}{m} = \frac{kt}{m} \). Thus, acceleration increases linearly with time, i.e., a straight line through the origin. Option (2) is correct.Question 42
If a rubber ball falls from a height \(h\) and rebounds up to height \(h/2\), the percentage loss of total energy of the initial system as well as velocity of the ball just before striking the ground, respectively, are:
(1) 50%, \( \sqrt{\frac{gh}{2}} \)
(2) 50%, \( \sqrt{gh} \)
(3) 40%, \( \sqrt{2gh} \)
(4) 50%, \( \sqrt{2gh} \)
(1) 50%, \( \sqrt{\frac{gh}{2}} \)
(2) 50%, \( \sqrt{gh} \)
(3) 40%, \( \sqrt{2gh} \)
(4) 50%, \( \sqrt{2gh} \)
▶️ Answer/Explanation
Ans.
(4)
Sol.
Velocity before impact: \( v = \sqrt{2gh} \). Initial energy \( = mgh \), rebound energy \( = mg\frac{h}{2} \). So loss is \( (mgh – mg\frac{h}{2})/mgh = 50\% \).
Hence, option (4).
Question 43
The equation of a stationary wave is:
\( y = 2a \sin\left( \frac{2\pi n t}{\lambda} \right) \cos\left( \frac{2\pi x}{\lambda} \right) \)
Which of the following is NOT correct?
(1) The dimensions of nt is [L]
(2) The dimensions of n is [LT\(^{-1}\)]
(3) The dimensions of n/\(\lambda\) is [T]
(4) The dimensions of x is [L]
\( y = 2a \sin\left( \frac{2\pi n t}{\lambda} \right) \cos\left( \frac{2\pi x}{\lambda} \right) \)
Which of the following is NOT correct?
(1) The dimensions of nt is [L]
(2) The dimensions of n is [LT\(^{-1}\)]
(3) The dimensions of n/\(\lambda\) is [T]
(4) The dimensions of x is [L]
▶️ Answer/Explanation
Ans.
(3)
Sol.
Comparing with standard equation \( y = 2a \sin(\omega t) \cos(kx) \), \( \omega = \frac{2\pi n}{\lambda} \Rightarrow [n/\lambda] = [T^{-1}] \).
Hence, option (3) is NOT correct.
Question 44
A body travels 102.5 m in the \(n^\text{th}\) second and 115.0 m in the \((n+2)^\text{th}\) second. The acceleration is:
(1) 9 m/s\(^2\)
(2) 6.25 m/s\(^2\)
(3) 12.5 m/s\(^2\)
(4) 5 m/s\(^2\)
(1) 9 m/s\(^2\)
(2) 6.25 m/s\(^2\)
(3) 12.5 m/s\(^2\)
(4) 5 m/s\(^2\)
▶️ Answer/Explanation
Ans.
(2)
Sol.
Using formula for distance in the \(n^\text{th}\) second: \( s_n = u + \frac{a}{2}(2n – 1) \).Similarly, \( s_{n+2} = u + \frac{a}{2}(2n + 3) \).
Subtract to get \( 12.5 = 2a \implies a = 6.25\,\mathrm{m/s^2} \).
Question 45
To measure internal resistance of a battery with a potentiometer: For \(R=10\,\Omega\), balance is at \(\ell = 500\,\mathrm{cm}\); for \(R = 1\,\Omega\), at \(\ell = 400\,\mathrm{cm}\). The internal resistance is approximately:
(1) 0.2 \(\Omega\)
(2) 0.4 \(\Omega\)
(3) 0.1 \(\Omega\)
(4) 0.3 \(\Omega\)
(1) 0.2 \(\Omega\)
(2) 0.4 \(\Omega\)
(3) 0.1 \(\Omega\)
(4) 0.3 \(\Omega\)
▶️ Answer/Explanation
Ans.
(4)
Sol.
Using relation: \(\frac{\ell_1}{\ell_2} = \frac{R_1 + r}{R_2 + r}\) \(\frac{500}{400} = \frac{10 + r}{1 + r}\)
Solve to get \(r \approx 0.3~\Omega\). Hence option (4).
Question 46
An infinitely long positively charged straight thread (linear charge density \(\lambda\) Cm\(^{-1}\)). An electron revolves along a circular path (axis along the length of the wire). Which graph correctly represents kinetic energy of electron as a function of the radius of circular path? (1) Exponentially increasing
(2) Constant
(3) Decreasing
(4) Linear increasing
▶️ Answer/Explanation

Ans.
(2)
Sol.
Electric field at distance \(r\) due to infinite wire: \(E = \frac{2k\lambda}{r}\).Electron in uniform circular motion, centripetal force equals electric force, so \(K.E.\) remains independent of \(r\).
Correct graph: (2) a horizontal straight line.
Question 47
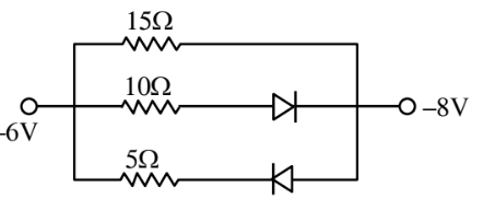
The value of net resistance of the network as shown in the given figure is:(1) \( \frac{5}{2} \) Ω (2) \( \frac{15}{4} \) Ω (3) 6 Ω (4) \( \frac{30}{11} \) Ω
▶️ Answer/Explanation

Ans.
(3)
Sol.
Diode 2 is in reverse bias, so that branch is open (no current). Diode 1 is forward-biased, so it acts as a wire. The equivalent circuit is two resistors (15 Ω, 10 Ω) in parallel. Net resistance: \( R_{eq} = \frac{15 \times 10}{15 + 10} = 6\,\Omega \).
Question 48
P-T diagram of an ideal gas having three different densities \( \rho_1, \rho_2, \rho_3 \) (cases shown in figure). Which of the following is correct?(1) \( \rho_2 < \rho_3 \) (2) \( \rho_1 > \rho_2 \) (3) \( \rho_1 < \rho_2 \) (4) \( \rho_1 = \rho_2 = \rho_3 \)
▶️ Answer/Explanation

Ans.
(2)
Sol.
For ideal gas: \( P = \frac{\rho R T}{M} \). At the same T, higher slope means higher pressure, so higher density: \( \rho_1 > \rho_2 > \rho_3 \). So, correct answer is (2).Question 49
The co-ordinates of a particle moving in x-y plane are given by:
\( x = 2 + 4t,\, y = 3t + 8t^2 \)
The motion of the particle is:
(1) non-uniformly accelerated.
(2) uniformly accelerated, straight line.
(3) uniform motion, straight line.
(4) uniformly accelerated, parabolic path.
\( x = 2 + 4t,\, y = 3t + 8t^2 \)
The motion of the particle is:
(1) non-uniformly accelerated.
(2) uniformly accelerated, straight line.
(3) uniform motion, straight line.
(4) uniformly accelerated, parabolic path.
▶️ Answer/Explanation
Ans.
(4)
Sol.
\( x = 2 + 4t \Rightarrow v_x = 4, a_x = 0 \)\( y = 3t + 8t^2 \Rightarrow v_y = 3 + 16t, a_y = 16 \)
The path is \( y = 3 \left( \frac{x-2}{4} \right) + 8 \left( \frac{x-2}{4} \right)^2 \), a quadratic (parabola).
So: uniformly accelerated, parabolic path (4).
Question 50
In an AC circuit, instantaneous current is zero when the voltage is maximum. In this case, the source may be connected to:
A. pure inductor B. pure capacitor C. pure resistor D. combination of inductor and capacitor
Choose the correct answer:
(1) A, B, C only (2) B, C, D only (3) A, B only (4) A, B, D only
A. pure inductor B. pure capacitor C. pure resistor D. combination of inductor and capacitor
Choose the correct answer:
(1) A, B, C only (2) B, C, D only (3) A, B only (4) A, B, D only
▶️ Answer/Explanation
Ans.
(4)
Sol.
When voltage and current are 90° out of phase (\( \frac{\pi}{2} \)), this happens for pure inductors, pure capacitors, and their combinations. Not for resistors (where they are in phase). So: (4).SECTION-B
Question 51
An infinite plane sheet of charge (surface charge density \(+\sigma_s\) C/m²) on x-y plane. Another infinitely long line charge (\(+\lambda_e\) C/m) is placed parallel to the y-axis at \(z=4\,\mathrm{m}\). If \( |\sigma_s| = 2|\lambda_e| \), then at (0,0,2), the ratio of electric field magnitudes due to sheet to line charge is \(\pi \sqrt{n}:1\). The value of \(n\) is _______.
▶️ Answer/Explanation

Ans.
(16)
Sol.
At (0,0,2), \( E_\text{sheet} = \frac{\sigma}{2\epsilon_0} \), \( E_\text{line} = \frac{\lambda}{2\pi \epsilon_0 r} \) (here, \( r = 2 \)).Taking \( |\sigma| = 2|\lambda| \), the ratio works out to \( \pi \sqrt{16} : 1 = 4\pi : 1 \), so \(n = 16\).
Question 52
A hydrogen atom changes its state from n = 3 to n = 2. Due to recoil, the percentage change in the wavelength of emitted light is approximately \(1 \times 10^{-n}\). The value of n is ______.
[Given: Rhc = 13.6 eV, hc = 1242 eV nm, h = \(6.6 \times 10^{-34}\) J s, mass of hydrogen atom \(= 1.6 \times 10^{-27}\) kg]
[Given: Rhc = 13.6 eV, hc = 1242 eV nm, h = \(6.6 \times 10^{-34}\) J s, mass of hydrogen atom \(= 1.6 \times 10^{-27}\) kg]
▶️ Answer/Explanation
Ans.
(7)
Sol.
\(\Delta E = 13.6 \left( \frac{1}{2^2} – \frac{1}{3^2} \right) = 1.9\,\mathrm{eV}\). Using energy and momentum conservation, percentage change is roughly \(10^{-7}\), so n = 7.
Question 53
The magnetic field existing in a region is given by \( \vec{B} = 0.2(1 + 2x) \hat{k} \) T. A square loop of edge 50 cm carrying 0.5 A current is placed in the x-y plane with its edges parallel to axes as shown. The magnitude of the net magnetic force experienced by the loop is ________ mN.▶️ Answer/Explanation
Ans.
(50)
Sol.
Force on x-parallel segments cancels; only y-parallel contributes, so\( F_\text{net} = 0.5 \times 0.5 \times 0.2 = 0.05\,\mathrm{N} \)
\( 0.05\,\mathrm{N} = 50\,\mathrm{mN} \)
Question 54
An alternating current at any instant is given by \(i = \left[6 + \sqrt{56} \sin \left(100\pi t + \frac{\pi}{3}\right)\right]~A\). The rms value of the current is __________ A.
▶️ Answer/Explanation
Ans.
(8)
Sol.
\( I_\text{rms} = \sqrt{ \langle i^2 \rangle } = \sqrt{6^2 + \frac{(\sqrt{56})^2}{2}} = \sqrt{36 + 28} = \sqrt{64} = 8~A \)Question 55
Twelve wires each having resistance 2 Ω are joined to form a cube. A battery of 6 V emf is joined across point a and c. The voltage difference between e and f is ____ V.▶️ Answer/Explanation

Ans.
(1)
Sol.
Using cube symmetry, \( R_{eq} = \frac{3}{2}~\Omega \), total current is 4 A, current through \( ef \) is 1 A, so \( V = 1\,\Omega \) across ef.Question 56
A soap bubble is blown to a diameter of 7 cm. 36960 erg of work is done in blowing it further. If surface tension of the soap solution is 40 dyne/cm, then the new radius is ______ cm. (Take \( \pi = \frac{22}{7} \))
▶️ Answer/Explanation
Ans.
(7)
Sol.
\( W = S \Delta A = 40 \times 8\pi \left[ r^2 – (3.5)^2 \right] \) and \( W = 36960 \) erg, solving for r: \( r = 7 \) cm.Question 57
Two wavelengths \( \lambda_1 \) and \( \lambda_2 \) are used in Young’s double slit experiment (\( \lambda_1 = 450 \) nm, \( \lambda_2 = 650 \) nm). The minimum order of fringe produced by \( \lambda_2 \) which overlaps with the fringe produced by \( \lambda_1 \) is n. The value of n is ____.
▶️ Answer/Explanation
Ans.
(9)
Sol.
\( n_2\lambda_2 = n_1\lambda_1 \implies \frac{n_2}{n_1} = \frac{\lambda_1}{\lambda_2} = \frac{450}{650} = \frac{9}{13} \), so \( n_2 = 9 \).Question 58
An elastic spring under tension of 3 N has length a. Its length is b under tension 2 N. For length (3a – 2b), the tension will be _______ N.
▶️ Answer/Explanation
Ans.
(5)
Sol.
\( 3 = K(a-\ell) \), \( 2 = K(b-\ell) \), so \( T = K[3(a-\ell)-2(b-\ell)] = 5\,\mathrm{N} \).Question 59
Two forces \( \vec{F}_1 \) and \( \vec{F}_2 \) are acting on a body. One force has magnitude thrice that of the other force and the resultant of the two forces is equal to the force of larger magnitude. The angle between \( \vec{F}_1 \) and \( \vec{F}_2 \) is \( \cos^{-1}\left(\frac{1}{n}\right) \). The value of \( |n| \) is ____.
▶️ Answer/Explanation
Ans.
(6)
Sol.
Let \( |\vec{F}_1| = F \), \( |\vec{F}_2| = 3F \), \( |\vec{F}_R| = 3F \).By the law of cosines: \[ F_R^2 = F_1^2 + F_2^2 + 2F_1F_2\cos\theta \] \[ (3F)^2 = F^2 + (3F)^2 + 2F \cdot 3F \cos\theta \] \[ 9F^2 = F^2 + 9F^2 + 6F^2\cos\theta \] \[ 9F^2 – F^2 – 9F^2 = 6F^2\cos\theta \implies -F^2 = 6F^2 \cos\theta \] \[ \cos\theta = -\frac{1}{6} \] Therefore, \( n = -6 \) and \( |n| = 6 \).
Question 60
A solid sphere and a hollow cylinder roll up without slipping on the same inclined plane with the same initial speed \( v \). The sphere and the cylinder reach maximum heights \( h_1 \) and \( h_2 \) respectively above the initial level. The ratio \( h_1 : h_2 = \frac{n}{10} \). The value of \( n \) is ____.
▶️ Answer/Explanation
Ans.
(7)
Sol.
By conservation of energy (gain in PE = loss in KE):\[ mgh = \frac{1}{2}mv^2\left(1 + \frac{K^2}{R^2}\right) \]
For sphere: \( K^2/R^2 = 2/5 \), for cylinder: \( K^2/R^2 = 1 \).
\[ \frac{h_1}{h_2} = \frac{1 + 2/5}{1+1} = \frac{7/5}{2} = \frac{7}{10} \] So, \( n = 7 \).
